电脑桌面
添加小米粒文库到电脑桌面
安装后可以在桌面快捷访问

4机械制造厂职位说明书VIP免费

4机械制造厂职位说明书_第1页
1/98
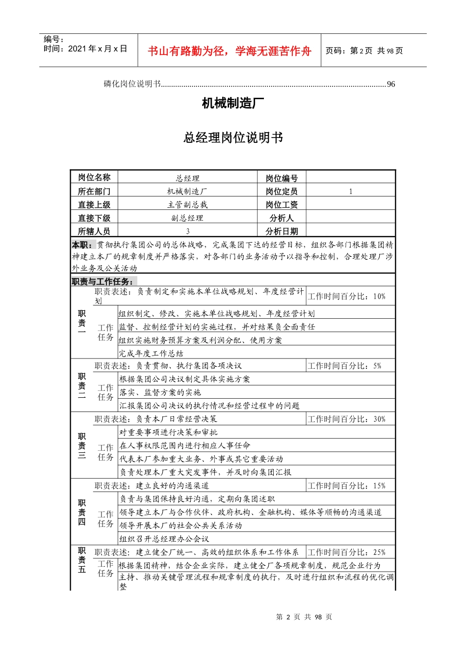
4机械制造厂职位说明书_第2页
2/98
4机械制造厂职位说明书_第3页
3/98
第1页共98页编号:时间:2021年x月x日书山有路勤为径,学海无涯苦作舟页码:第1页共98页机械制造厂......................................................................................................................................2总经理岗位说明书...........................................................................................................2副总经理岗位说明书.......................................................................................................5综合办公室主任岗位说明书...........................................................................................7生产管理室主任岗位说明书.........................................................................................10石油机械研究所所长岗位说明书.................................................................................13市场营销室主任岗位说明书.........................................................................................16人事管理岗位说明书.....................................................................................................18行政管理岗位说明书.....................................................................................................21计划统计岗位说明书.....................................................................................................24出纳岗位说明书............................................................................................................27设备及安全岗位说明书.................................................................................................29采购员岗位说明书.........................................................................................................32质量管理岗位说明书.....................................................................................................34技术员岗位说明书.........................................................................................................36库房保管岗位说明书.....................................................................................................38销售员岗位说明书.........................................................................................................40检验员岗位说明书.........................................................................................................43车间主任岗位说明书.....................................................................................................46车间副主任岗位说明书.................................................................................................48钢球车间副主任岗位说明书.........................................................................................50车间统计员岗位说明书.................................................................................................52车工岗位说明书............................................................................................................54电焊工岗位说明书.........................................................................................................56气焊工岗位说明书.........................................................................................................58钳工岗位说明书............................................................................................................60维修电工岗位说明书.............................................................................

1、当您付费下载文档后,您只拥有了使用权限,并不意味着购买了版权,文档只能用于自身使用,不得用于其他商业用途(如 [转卖]进行直接盈利或[编辑后售卖]进行间接盈利)。
2、本站所有内容均由合作方或网友上传,本站不对文档的完整性、权威性及其观点立场正确性做任何保证或承诺!文档内容仅供研究参考,付费前请自行鉴别。
3、如文档内容存在违规,或者侵犯商业秘密、侵犯著作权等,请点击“违规举报”。

碎片内容

4机械制造厂职位说明书

您可能关注的文档

教育教学文库+ 关注
实名认证
内容提供者

本店有大量的教育教学资料,课件

确认删除?
VIP
微信客服
  • 扫码咨询
会员Q群
  • 会员专属群点击这里加入QQ群
客服邮箱
回到顶部