电脑桌面
添加小米粒文库到电脑桌面
安装后可以在桌面快捷访问

5-电气设备的选择VIP免费

5-电气设备的选择_第1页
1/21
5-电气设备的选择_第2页
2/21
5-电气设备的选择_第3页
3/21
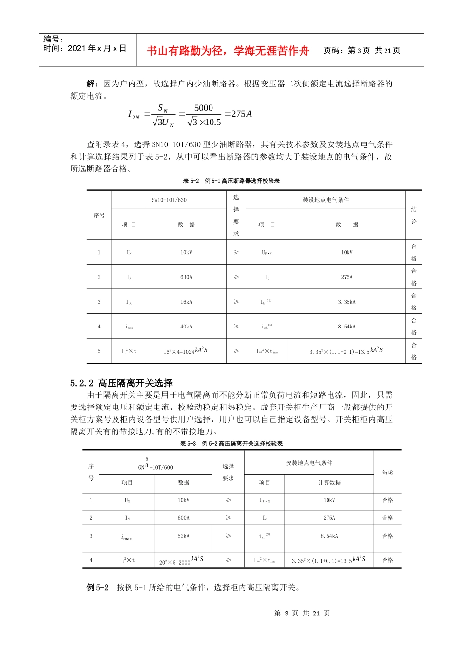
第1页共21页编号:时间:2021年x月x日书山有路勤为径,学海无涯苦作舟页码:第1页共21页第5章电气设备的选择电气设备的选择是供配电系统设计的重要内容,其选择的恰当与否将影响到整个系统能否安全可靠的运行,故必须遵循一定的选择原则。本章对常用的高、低压电器即高压断路器、高压隔离开关、仪用互感器、母线、绝缘子、高低压熔断器及成套配电装置(高压开关柜)等分别介绍了其选择方法,为合理、正确使用电气设备提供了依据。5.1电气设备选择的一般原则供配电系统中的电气设备总是在一定的电压、电流、频率和工作环境条件下工作的,电气设备的选择除了满足正常工作条件下安全可靠运行,还应满足在短路故障条件下不损坏,开关电器还必须具有足够的断流能力,并适应所处的位置(户内或户外)、环境温度海拔高度以及防尘、防火、防腐、防爆等环境条件。电气设备的选择应根据以下原则:1.按工作环境及正常工作条件选择电气设备(1)根据电气装置所处的位置(户内或户外)、使用环境和工作条件,选择电气设备型号。(2)按工作电压选择电气设备的额定电压电气设备的额定电压UN应不低于其所在线路的额定电压UW•N,即:UN≥UW·N(5-1)例如在10kV线路中,应选择额定电压为10kV的电气设备,380V系统中应选择额定电压为380V(0.4kV)或500V的电气设备。(3)按最大负荷电流选择电气设备的额定电流电气设备的额定电流应不小于实际通过它的最大负荷电流Imax(或计算电流IC),即:IN≥Imax或IN≥Ic(5-2)2.按短路条件校验电气设备的动稳定和热稳定为了保证电气设备在短路故障时不致损坏,就必须按最大可能的短路电流校验电气设备的动稳定和热稳定。动稳定是指电气设备在冲击短路电流所产生的电动力作用下,电气设备不致损坏。热稳定是指电气设备载流导体在最大稳态短路电流作用下,其发热温度不超过载流导体短时的允许发热温度。3.开关电器断流能力校验断路器和熔断器等电气设备担负着切断短路电流的任务,通过最大短路电流时必须可靠切断,因此开关电器还必须校验断流能力。对具有断流能力的高压开关设备需校验其断流能力,开关设备的断流容量不小于安装地点最大三相短路容量。5.2高压开关电器的选择高压开关电器主要指高压断路器、高压熔断器、高压隔离开关和高压负荷开关。高压电气设备的选择和校验项目如表5-1所示。高压断路器、高压隔离开关和高压负荷开关具体选择如下:1.根据使用环境和安装条件选择设备的型号2.按正常条件选择设备的额定电压和额定电流第2页共21页第1页共21页编号:时间:2021年x月x日书山有路勤为径,学海无涯苦作舟页码:第2页共21页按式(5-1)和(5-2)分别选择额定电压和额定电流。3.动稳定校验≥或≥(5-3)式中,imax为电气设备的极限通过电流峰值;Imax为电气设备的极限通过电流有效值。4.热稳定校验≥(5-4)式中,It为电气设备的热稳定电流;t为热稳定时间。5.开关电器断流能力校验对具有断流能力的高压开关设备需校验其断流能力。开关电气设备的断流容量不小于安装地点最大三相短路容量,即:Soc≥Sk·max或≥(5-5)式中,Ioc、Soc为制造厂提供的最大开断电流和开断容量。表5-1高压电气设备选择和校验项目注:表中“√”表示必须校验,“—”表示不要校验。5.2.1高压断路器选择高压断路器是供电系统中最重要的设备之一。由于成套配电装置应用普遍,断路器大多选择户内型的,如果是户外式变电所,则应选择户外型断路器。高压断路器一般选用少油断路器、真空断路器和SF6断路器。具体选择方法如前述。例5-1试选择某35KV变电所主变次总高压开关柜的高压断路器,已知变压器35/10.5kV,5000KVA,三相最大短路电流为3.35kA,冲击短路电流为8.54kA,三相短路容量为60.9MVA,继电保护动作时间为1.1s。maxi3shimaxI3shItIt2imatI23ocI3maxkI电气设备名称额定电压/kV额定电流/A短路电流校验动稳定度热稳定度断流能力/kA高压断路器√√√√√高压隔离开关√√√√-高压负荷开关√√√√√高压熔断器√√--√电流互感器√√√√-电压互感器√----支柱绝缘子√-√--套管绝缘子√√√√-母线(硬)-√√--电缆√√-√-...

1、当您付费下载文档后,您只拥有了使用权限,并不意味着购买了版权,文档只能用于自身使用,不得用于其他商业用途(如 [转卖]进行直接盈利或[编辑后售卖]进行间接盈利)。
2、本站所有内容均由合作方或网友上传,本站不对文档的完整性、权威性及其观点立场正确性做任何保证或承诺!文档内容仅供研究参考,付费前请自行鉴别。
3、如文档内容存在违规,或者侵犯商业秘密、侵犯著作权等,请点击“违规举报”。

碎片内容

5-电气设备的选择

教育教学文库+ 关注
实名认证
内容提供者

本店有大量的教育教学资料,课件

确认删除?
VIP
微信客服
  • 扫码咨询
会员Q群
  • 会员专属群点击这里加入QQ群
客服邮箱
回到顶部