电脑桌面
添加小米粒文库到电脑桌面
安装后可以在桌面快捷访问

v送电线路改造工程施工组织设计方案(DOC18页)VIP免费

v送电线路改造工程施工组织设计方案(DOC18页)_第1页
1/11
v送电线路改造工程施工组织设计方案(DOC18页)_第2页
2/11
v送电线路改造工程施工组织设计方案(DOC18页)_第3页
3/11
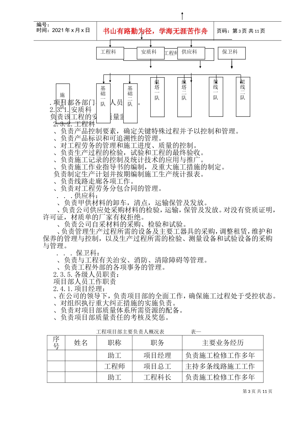
第1页共11页编号:时间:2021年x月x日书山有路勤为径,学海无涯苦作舟页码:第1页共11页龙州、朝龙线送电线路改造工程送电安装分公司施工组织设计工程概况及特点:概况朝龙线送电线路改造工程,是由朝龙线到П开点的,单回路,线路改造长度公里。龙州线送电线路改造工程,是由龙州线П开点的到,单回路,线路改造长度公里。两条线路改造工程均为我公司中标的施工段原线路情况:朝龙线,单回路~,拆除铁塔基,拆除砼杆基,拆除导线型号为,架空地线型号为,其中右基铁塔利用;龙州线,单回路~,拆除铁塔基,拆除砼杆基,拆除导线型号为,架空地线型号为,其中右基铁塔利用。辽西通讯光缆干线在线路上架设运行。.本工程建设有关单位1.2.1.项目法人:1.2.2.项目管理单位:1.2.3.项目监理单位:1.2.4.设计单位:辽宁电力勘测设计院。.本标段工程概况:1.3.1.工程技术特性、线路长度:公里()。、途径地区:朝阳市、朝阳县。、回路数:单回路公里()。、电压等级:伏。、设计气象条件:海拔高度米,最高气温度,最低气温度,平均气温度,覆冰毫米,最大风速米秒。、导地线型号:导线为—;地线为—及复合光缆。、塔型:单回路自立铁塔基。、基础:现浇混凝土基础基。1.3.2.现场自然条件:新建工程位于朝阳市龙城区境内经个乡镇,地势起伏交通较为困难,沿线经过朝阳沟、朱杖子、卧龙、西大营子、拉拉屯、郭家村、腰而营子等自然村落。所经过的山地林木果木茂盛。平地多为菜果、大棚,经过乡镇居民区,跨越锦朝高速公路、国道线,跨越锦赤铁路,跨越大凌河。.工程特点:1.4.1.基础型式:辽宁电力勘测设计院根据本工程的地形特点和地质条件,采用的基础型式为常规开挖式钢筋混凝土基础,基础底层台均设有钢筋笼。1.4.2.杆塔型式:该工程采用如下塔型、、、型单回路直线塔、、、型单回路转角塔、型角度塔1.4.3.架线本工程导线全部采用—钢芯铝绞线,地线全部采用—镀锌钢绞线。第2页共11页编号:时间:2021年x月x日书山有路勤为径,学海无涯苦作舟页码:第2页共11页1.4.4.全线拆除苏式—旧导线公里;拆除旧杆塔。.工期要求本工程合同工期:年月日——年月日.要求质量标准:满足国家施工验收规范,达到优良级标准和“创一流”工程标准及达标投产的要求。.线路其它情况:1.7.1.线路地形地貌:本标段共个耐张段,山地,丘陵,平地。1.7.2.线路地质情况:基础总计基,岩石基础占总基数的,松砂石基础占总基数的。1.7.3.线路其它情况见表:表—项目名称单位数量备注交叉跨越电力线处电力线处高速公路处公路处铁路处修路施工道公里.交通运输及地方材料资源情况..交通运输情况本段塔位的材料汽车运输大部分不能运到塔位,人力运输平均距离约米左右。...地方材料资源本段石场较少,根据考查结果查朝阳县孤山子石场质量较好且日生产量较大,作为主选石场、石子汽车运输半径约公里。砂场,选用北票白腰砂场,汽车运输半径约公里。水泥采用朝阳第一水泥厂(公营子)水泥,汽车综合运输半径约公里。1..通信系统本工程施工项目部内设外线电话(),项目部与施工队、材料站采用电话或手机通信。.施工现场组织机构..机构及名称,本工程设立项目管理机构名称为:朝龙线工程项目部。..下设施工队,施工队实行队长负责制,由队长、技术员组成,队领导班子设兼职安全员,测工协助队长管理施工生产工作。..本工程管理组织机构如下图公司经理总工程师生产副主任工会主席项目经理公司项目部第3页共11页编号:时间:2021年x月x日书山有路勤为径,学海无涯苦作舟页码:第3页共11页.项目部各部门各级人员职责。2.3.1.安质科负责该工程的安全质量监督。2.3.2.工程科、负责产品控制要素,确定关键特殊过程并予以控制和管理。、负责产品标识和可追溯性的管理。、对工程劳务的管理和施工进度、质量的控制。、负责生产过程的检验,试验和工程的最终验收。、负责施工记录的控制及统计技术的应用与推广。、负责施工作业指导书的编制,及重大施工措施的制定。负责制定生产计划并按期编制施工生产统计报表。、负责线路走廊各项工作。、负责对工程劳务分包合同的管理。...供应科:、负责甲供材料的卸车,清点,运输保管及...

1、当您付费下载文档后,您只拥有了使用权限,并不意味着购买了版权,文档只能用于自身使用,不得用于其他商业用途(如 [转卖]进行直接盈利或[编辑后售卖]进行间接盈利)。
2、本站所有内容均由合作方或网友上传,本站不对文档的完整性、权威性及其观点立场正确性做任何保证或承诺!文档内容仅供研究参考,付费前请自行鉴别。
3、如文档内容存在违规,或者侵犯商业秘密、侵犯著作权等,请点击“违规举报”。

碎片内容

v送电线路改造工程施工组织设计方案(DOC18页)

您可能关注的文档

确认删除?
VIP
微信客服
  • 扫码咨询
会员Q群
  • 会员专属群点击这里加入QQ群
客服邮箱
回到顶部