电脑桌面
添加小米粒文库到电脑桌面
安装后可以在桌面快捷访问

主要施工机械与特种设备进场使用报验表VIP免费

主要施工机械与特种设备进场使用报验表_第1页
1/21
主要施工机械与特种设备进场使用报验表_第2页
2/21
主要施工机械与特种设备进场使用报验表_第3页
3/21
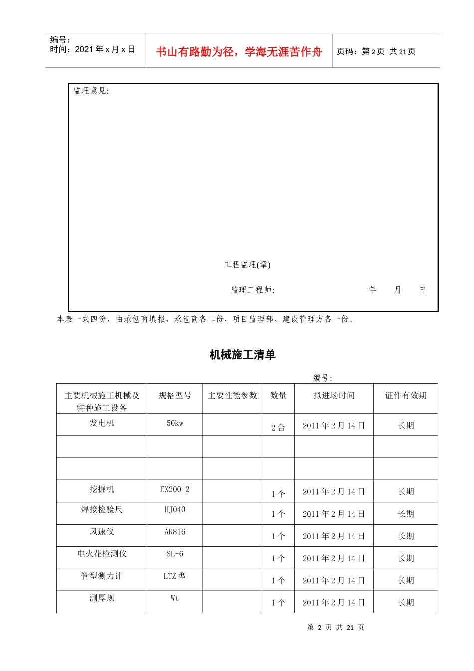
第1页共21页编号:时间:2021年x月x日书山有路勤为径,学海无涯苦作舟页码:第1页共21页浙江天然气南方管网工程主要施工机械及特种设备进场使用报验表单位工程编号:CS-51编号:单位工程名称X304花大线(常山支线)定向钻穿越工程致:胜利油田胜利勘察设计研究院有限公司浙江天然气南网工程项目监理部现报上即将进场使用的主要施工机械及特种设备,请查验。今后如有中途变动,我单位将及时重新报验。附:证件(复印件)(出厂合格证、安装许可证、检验合格证、安全许可证)施工机械清单承包单位(章):项目负责人:年月日第2页共21页第1页共21页编号:时间:2021年x月x日书山有路勤为径,学海无涯苦作舟页码:第2页共21页监理意见:工程监理(章)监理工程师:年月日本表一式四份,由承包商填报,承包商各二份,项目监理部、建设管理方各一份。机械施工清单编号:主要机械施工机械及特种施工设备规格型号主要性能参数数量拟进场时间证件有效期发电机50kw2台2011年2月14日长期挖掘机EX200-21个2011年2月14日长期焊接检验尺HJ0401个2011年2月14日长期风速仪AR8161个2011年2月14日长期电火花检测仪SL-61个2011年2月14日长期管型测力计LTZ型1个2011年2月14日长期测厚规Wt1个2011年2月14日长期第3页共21页第2页共21页编号:时间:2021年x月x日书山有路勤为径,学海无涯苦作舟页码:第3页共21页测温仪TES-13101个2011年2月14日长期第4页共21页第3页共21页编号:时间:2021年x月x日书山有路勤为径,学海无涯苦作舟页码:第4页共21页第5页共21页第4页共21页编号:时间:2021年x月x日书山有路勤为径,学海无涯苦作舟页码:第5页共21页第6页共21页第5页共21页编号:时间:2021年x月x日书山有路勤为径,学海无涯苦作舟页码:第6页共21页第7页共21页第6页共21页编号:时间:2021年x月x日书山有路勤为径,学海无涯苦作舟页码:第7页共21页第8页共21页第7页共21页编号:时间:2021年x月x日书山有路勤为径,学海无涯苦作舟页码:第8页共21页第9页共21页第8页共21页编号:时间:2021年x月x日书山有路勤为径,学海无涯苦作舟页码:第9页共21页第10页共21页第9页共21页编号:时间:2021年x月x日书山有路勤为径,学海无涯苦作舟页码:第10页共21页第11页共21页第10页共21页编号:时间:2021年x月x日书山有路勤为径,学海无涯苦作舟页码:第11页共21页第12页共21页第11页共21页编号:时间:2021年x月x日书山有路勤为径,学海无涯苦作舟页码:第12页共21页第13页共21页第12页共21页编号:时间:2021年x月x日书山有路勤为径,学海无涯苦作舟页码:第13页共21页第14页共21页第13页共21页编号:时间:2021年x月x日书山有路勤为径,学海无涯苦作舟页码:第14页共21页第15页共21页第14页共21页编号:时间:2021年x月x日书山有路勤为径,学海无涯苦作舟页码:第15页共21页第16页共21页第15页共21页编号:时间:2021年x月x日书山有路勤为径,学海无涯苦作舟页码:第16页共21页风速仪:电火花检漏仪:第17页共21页第16页共21页编号:时间:2021年x月x日书山有路勤为径,学海无涯苦作舟页码:第17页共21页管型测力计:第18页共21页第17页共21页编号:时间:2021年x月x日书山有路勤为径,学海无涯苦作舟页码:第18页共21页测厚规:第19页共21页第18页共21页编号:时间:2021年x月x日书山有路勤为径,学海无涯苦作舟页码:第19页共21页测温仪:第20页共21页第19页共21页编号:时间:2021年x月x日书山有路勤为径,学海无涯苦作舟页码:第20页共21页露点仪:第21页共21页第20页共21页编号:时间:2021年x月x日书山有路勤为径,学海无涯苦作舟页码:第21页共21页

1、当您付费下载文档后,您只拥有了使用权限,并不意味着购买了版权,文档只能用于自身使用,不得用于其他商业用途(如 [转卖]进行直接盈利或[编辑后售卖]进行间接盈利)。
2、本站所有内容均由合作方或网友上传,本站不对文档的完整性、权威性及其观点立场正确性做任何保证或承诺!文档内容仅供研究参考,付费前请自行鉴别。
3、如文档内容存在违规,或者侵犯商业秘密、侵犯著作权等,请点击“违规举报”。

碎片内容

主要施工机械与特种设备进场使用报验表

确认删除?
VIP
微信客服
  • 扫码咨询
会员Q群
  • 会员专属群点击这里加入QQ群
客服邮箱
回到顶部