电脑桌面
添加小米粒文库到电脑桌面
安装后可以在桌面快捷访问

3、中交第二航务工程局能源管理能源记录清单VIP免费

3、中交第二航务工程局能源管理能源记录清单_第1页
1/54
3、中交第二航务工程局能源管理能源记录清单_第2页
2/54
3、中交第二航务工程局能源管理能源记录清单_第3页
3/54
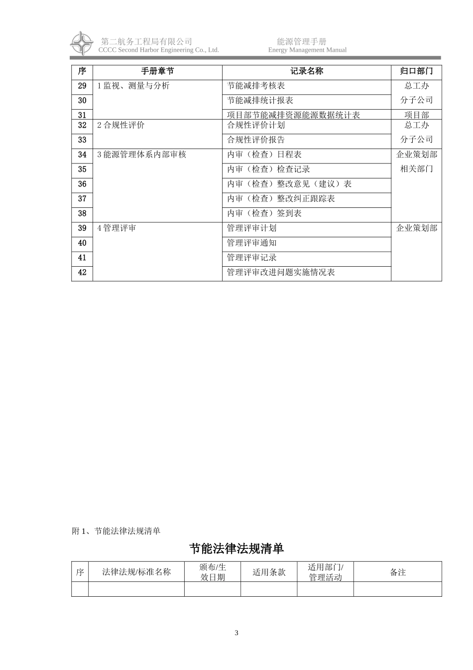
第二航务工程局有限公司能源管理手册CCCCSecondHarborEngineeringCo.,Ltd.EnergyManagementManual能源记录清单1第二航务工程局有限公司能源管理手册CCCCSecondHarborEngineeringCo.,Ltd.EnergyManagementManual记录清单序手册章节记录名称归口部门第三章策划12.1法律法规及规章制度管理程序节能法律法规清单总工办分子公司23.1能源评审管理程序能源评审计划3能源评审报告44能源基准5能源绩效参数6能源目标、能源指标与能源管理实施方案能源基准、绩效参数、目标指标一览表总工办分子公司项目部5节能减排行动方案第四章实施与运行62.1节能教育培训管理程序年职业教育培训计划人力资源部分子公司项目部7培训班开班计划表8学员培训评估调查表94.1文件管理程序文件现行状态清单分子公司职能部门10受控文件发放表11体系文件修订表企业策划部127.1施工节能管理项目部主要用能设备及器具一览表项目部13办公车辆公里数、油耗及费用统计表项目部14项目部电量统计表项目部15项目经理部柴油收发存情况统计表项目部16项目经理部柴油发放台账项目部177.2节能减排技术推广应用管理报告期节能减排技改项目总工办分子公司18报告期设计咨询项目开展节能评估情况和投资项目开展节能评估情况一览表19中交二航局节能减排示范项目(第批)申请书20中交二航局节能减排示范项目(第批)推荐汇总表217.3能源计量管理程序项目部主要能源计量器具在览表项目部227.4分包方管理程序合格供方目录合同部237.5施工船舶、机械管理设备合格供方评审报告工程管理部24关键船舶情况统计表25关键机械情况统计表26设备资产综合月报27报告期淘汰仪器设备情况表287.7应急管理应急预案评审记录项目部第五章检查与改进2第二航务工程局有限公司能源管理手册CCCCSecondHarborEngineeringCo.,Ltd.EnergyManagementManual序手册章节记录名称归口部门291监视、测量与分析节能减排考核表总工办分子公司30节能减排统计报表31项目部节能减排资源能源数据统计表项目部322合规性评价合规性评价计划总工办分子公司33合规性评价报告343能源管理体系内部审核内审(检查)日程表企业策划部相关部门35内审(检查)检查记录36内审(检查)整改意见(建议)表37内审(检查)整改纠正跟踪表38内审(检查)签到表394管理评审管理评审计划企业策划部40管理评审通知41管理评审记录42管理评审改进问题实施情况表附1、节能法律法规清单节能法律法规清单序法律法规/标准名称颁布/生效日期适用条款适用部门/管理活动备注3第二航务工程局有限公司能源管理手册CCCCSecondHarborEngineeringCo.,Ltd.EnergyManagementManual编制:审核:日期:附2、能源评审计划能源评审计划评审目的评审范围和边界4第二航务工程局有限公司能源管理手册CCCCSecondHarborEngineeringCo.,Ltd.EnergyManagementManual评审依据评审覆盖的时间段评审方法评审日期评审组成员评审日程安排日期评审地点及内容评审人员编制:审核:日期:附3、能源评审报告5中交第二航务工程局有限公司CCCCSecondHarbourEngineeringCo.,Ltd第二航务工程局有限公司能源管理手册CCCCSecondHarborEngineeringCo.,Ltd.EnergyManagementManual能源评审报告编制:审核:批准:年月日目录第一章公司概况及评审说明1公司简介2能源评审说明第二章公司能源情况6第二航务工程局有限公司能源管理手册CCCCSecondHarborEngineeringCo.,Ltd.EnergyManagementManual1公司能源系统概况2公司能源管理状况2.1公司能源管理机构状况2.2公司能源管理制度状况2.3公司能源计量管理2.4公司能源统计管理2.5公司能源定额管理3公司能源利用状况分析3.1公司能源消耗状况3.2公司能源消耗流向第三章能耗分析第四章能源绩效变量与改进的识别1能源绩效变量的识别2改进机会的识别第五章法律法规的符合性第六章能源评审输出1能源绩效参数、能源基准、目标、指标2能源管理实施方案附4、能源基准、绩效参数、目标指标一览表能源基准、绩效参数、目标指标一览表单位或部门:序区域能源绩效参数基准值目标指标值考核频次统计方法7第二航务工程局有限公司能源管理手册CCCCSecondHarborEngineeringCo.,Ltd.EnergyManagementManual编制:审核:日...

1、当您付费下载文档后,您只拥有了使用权限,并不意味着购买了版权,文档只能用于自身使用,不得用于其他商业用途(如 [转卖]进行直接盈利或[编辑后售卖]进行间接盈利)。
2、本站所有内容均由合作方或网友上传,本站不对文档的完整性、权威性及其观点立场正确性做任何保证或承诺!文档内容仅供研究参考,付费前请自行鉴别。
3、如文档内容存在违规,或者侵犯商业秘密、侵犯著作权等,请点击“违规举报”。

碎片内容

3、中交第二航务工程局能源管理能源记录清单

教育教学文库+ 关注
实名认证
内容提供者

本店有大量的教育教学资料,课件

相关文档

确认删除?
VIP
微信客服
  • 扫码咨询
会员Q群
  • 会员专属群点击这里加入QQ群
客服邮箱
回到顶部