电脑桌面
添加小米粒文库到电脑桌面
安装后可以在桌面快捷访问

DG536矿用隔爆兼本质安型远程断电器使用说明书VIP免费

DG536矿用隔爆兼本质安型远程断电器使用说明书_第1页
1/2
DG536矿用隔爆兼本质安型远程断电器使用说明书_第2页
2/2
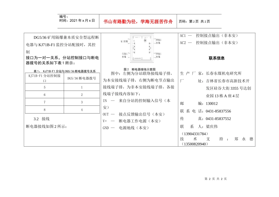
第1页共2页编号:时间:2021年x月x日书山有路勤为径,学海无涯苦作舟页码:第1页共2页DG5/36矿用隔爆兼本质安型远程断电器使用说明书一、总述DG5/36矿用隔爆兼本质安全型远程断电器可与监控分站配合,实现煤矿井下甲烷及局部风机异常情况下监控区域内机电设备的断电或风电甲烷闭锁控制,从而保证煤矿的安全生产。二、主要技术指标工作电压:DC18V工作电流:<40mA本安参数:Ui:18.9V;Ii:40mA;Ci:0F;Li:0H防爆型式:矿用隔爆兼本质安全型防爆标志为:Exd[ib]I三、操作及使用说明3.1设置DG5/36矿用隔爆兼本质安全型远程断电器的设置有两项内容,一是断电节点常开常闭选择,二是本断电器在分站中的编号选择,这两项选择都是靠线路板上的四位拨码开关U7实现的。拨码开关U7在线路板上的位置如图1所示。图中黑块所示为拨码开关的突出按钮,按钮在上端时(即在“ON”的位置),本位代表“0”,按钮在下端时本位代表“1”。图1拨码开关位置示意图本断电器断电节点的常开常闭选择靠第1位实现,第1位处在“0”位置时为常闭状态,即出现断电时节点断开,处在“1”位置时为常开状态,即断电时节点闭合。断电器的编号由2~4确定,每一位处在“1”位置时所代表的数字图中已经标出,各位数字的和即为断电器在分站中的地址编码。第2页共2页第1页共2页编号:时间:2021年x月x日书山有路勤为径,学海无涯苦作舟页码:第2页共2页DG5/36矿用隔爆兼本质安全型远程断电器与KJ71B-F1监控分站配接时,其控制接口为一对一关系,分站控制接口与断电器拨号的关系如下表1所示:表1:KJ71B-F1分站与DG5/36断电器拨号关系KJ71B-F1分站控制接口DG5/36断电器拨号516273843.2接线断电器接线如图2所示:图2断电器接线示意图图中:左侧为分站联络接线端子排,为本安接线端子排,右侧为断电节点输出接线端子排,为非本安接线端子排,各接线端子接线内容如下:IN—来自分站的控制输入信号(本安)OUT—接点反馈输出信号(本安)V+—断电器工作电源(本安)GND—电源地线(本安)AC1—控制接点输出(非本安)AC2—控制接点输出(非本安)联系信息生产厂家:长春东煤机电研究所厂址:吉林省长春市高新技术开发区硅谷大街3355号达创业园13栋A座4层邮编:130012联系电话:0431-85837556传真:0431-85837552联系人:梁庆伟(13904331784)技术支持:郑永德(13500820940)

1、当您付费下载文档后,您只拥有了使用权限,并不意味着购买了版权,文档只能用于自身使用,不得用于其他商业用途(如 [转卖]进行直接盈利或[编辑后售卖]进行间接盈利)。
2、本站所有内容均由合作方或网友上传,本站不对文档的完整性、权威性及其观点立场正确性做任何保证或承诺!文档内容仅供研究参考,付费前请自行鉴别。
3、如文档内容存在违规,或者侵犯商业秘密、侵犯著作权等,请点击“违规举报”。

碎片内容

DG536矿用隔爆兼本质安型远程断电器使用说明书

教育教学文库+ 关注
实名认证
内容提供者

本店有大量的教育教学资料,课件

确认删除?
VIP
微信客服
  • 扫码咨询
会员Q群
  • 会员专属群点击这里加入QQ群
客服邮箱
回到顶部