电脑桌面
添加小米粒文库到电脑桌面
安装后可以在桌面快捷访问

10kV变电所系统技术规范书VIP免费

10kV变电所系统技术规范书_第1页
1/20
10kV变电所系统技术规范书_第2页
2/20
10kV变电所系统技术规范书_第3页
3/20
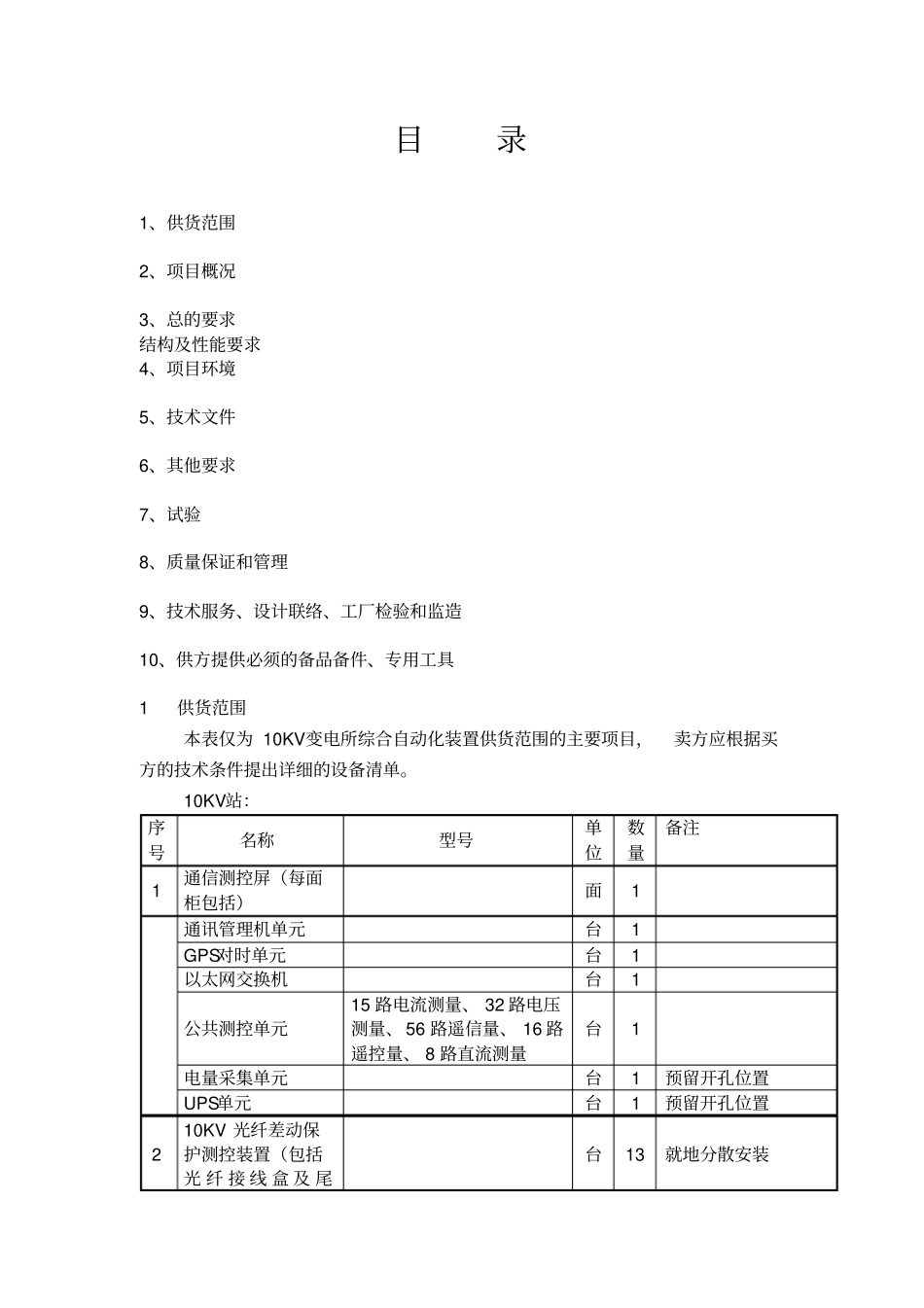
地面10kV变电所高压开关柜技术规格书编制:审核:二0一九年元月十六日审查表矿机电科:年月日矿机电矿长:年月日矿总工程师:年月日矿长:年月日公司机电部:年月日公司分管副总:年月日公司总工程师:年月日审查意见:目录1、供货范围2、项目概况3、总的要求结构及性能要求4、项目环境5、技术文件6、其他要求7、试验8、质量保证和管理9、技术服务、设计联络、工厂检验和监造10、供方提供必须的备品备件、专用工具1供货范围本表仅为10KV变电所综合自动化装置供货范围的主要项目,卖方应根据买方的技术条件提出详细的设备清单。10KV站:序号名称型号单位数量备注1通信测控屏(每面柜包括)面1通讯管理机单元台1GPS对时单元台1以太网交换机台1公共测控单元15路电流测量、32路电压测量、56路遥信量、16路遥控量、8路直流测量台1电量采集单元台1预留开孔位置UPS单元台1预留开孔位置210KV光纤差动保护测控装置(包括光纤接线盒及尾台13就地分散安装纤)310KV三段电流保护测控装置台5410KV变压器保护装置台2就地分散安装510KV电容器保护装置台2就地分散安装610KV分段保护自投装置(含备自投)台1就地分散安装710KVPT并列测控单元台1就地分散安装8微机消谐装置SMR-WXB台2就地分散安装9以太网交换机台1就地分散安装10五防及监控主机台111监控、五防等软件套112五防锁具及配件套113打印机台114备品备件套1CPU板2块,测控装置一台,电源板一块15网络连接电缆套1满足工程需要16操作台台12项目概况本变电所的二次设备采用GCSAS型变电站综合自动化装置,完成变电站的监控及保护功能,同时向上级调度单位提供变电站运行状况信息,完成远动系统RTV(远方终端单元)功能。其保护型式为:10kV保护:10kV馈出线设电流速断保护和过电流保护,速断保护为主保护,过流保护为后备保护。在10kV馈出线上安装FRD-CT型零序电流互感器和FRD-XL单相接地保护装置,构成单相接地保护,单相接地保护动作于信号。电容器柜设无时限过电流,保护动作于跳闸。过电压保护、单相接地保护。低压馈线利用开关自身的过流脱扣器实现保护。10KV主接线采用单母线分段接线;400V主接线采用采用单母线分段接线。3、总的要求3.1需知3.1.1供货方(或供货厂,下同)必须有权威机构颁发的ISO-9000系列的认证证书或等同的质量保证体系认证证书及华北电网有限公司进网许可证。供货方或供货厂(包括分包厂)应设计、制造和提供过同类设备,且使用条件应与本工程相类似,或按较规定的条件更严格,至少有3台套3年以上的商业运行经验。3.1.2供货方应仔细阅读招标文件。供货方提供的设备技术规范应与本协议书中提出的要求相一致,供货方也可以推荐满足本协议书要求的类似定型产品,但必须提出详细的技术偏差。3.1.3本书提出了对设备本体及其附属设备的技术要求。主要包括设备的使用条件、主要技术参数、结构、性能、试验及所需技术资料等方面的内容。3.1.4本书提出的是最低限度的技术要求,并未对一切技术细节做出规定,也未充分引述有标准和规范的条文。未尽事宜均按国标规定执行,卖方必须保证提供符合IEC标准、国标、行标和本技术规范书的优质产品。3.1.5本书所使用的标准及规定的条款如遇到与供方所执行标准不一致时,应按较高标准执行。3.1.6如果卖方没有以书面形式对本协议书的条文提出异议,那么,视为卖方提供的产品完全满足本技术规范书的要求。如有异议,应按附录B填写,并以“对协议书的意见和同协议书的差异”为标题加以详细描述。3.1.7本协议书为订货合同的附件,与合同正文具有同等效力。本书中涉及有关商务方面的内容,如与合同的《商务部分》有矛盾时,以《商务部分》为准。3.1.8本协议书未尽事宜由招标人和供货方在合同技术谈判时协商确定。3.2投标方应提供的文件3.2.1供货方或供货商最近3年内同类设备的销售记录及相应的最终用户的使用情况证明。3.2.2供货方或供货商拥有的权威机构颁发的ISO-9000系列的认证证书或等同的质量保证体系认证证书。3.2.3供货方或供货商具有履行合同所需的技术和生产能力的文件资料。3.2.4供货方有能力履行合同设备维护保养、修理及其它服务等义务的文件。3.2.5供货方或供货商提供的同类设备的...

1、当您付费下载文档后,您只拥有了使用权限,并不意味着购买了版权,文档只能用于自身使用,不得用于其他商业用途(如 [转卖]进行直接盈利或[编辑后售卖]进行间接盈利)。
2、本站所有内容均由合作方或网友上传,本站不对文档的完整性、权威性及其观点立场正确性做任何保证或承诺!文档内容仅供研究参考,付费前请自行鉴别。
3、如文档内容存在违规,或者侵犯商业秘密、侵犯著作权等,请点击“违规举报”。

碎片内容

10kV变电所系统技术规范书

确认删除?
VIP
微信客服
  • 扫码咨询
会员Q群
  • 会员专属群点击这里加入QQ群
客服邮箱
回到顶部