电脑桌面
添加小米粒文库到电脑桌面
安装后可以在桌面快捷访问

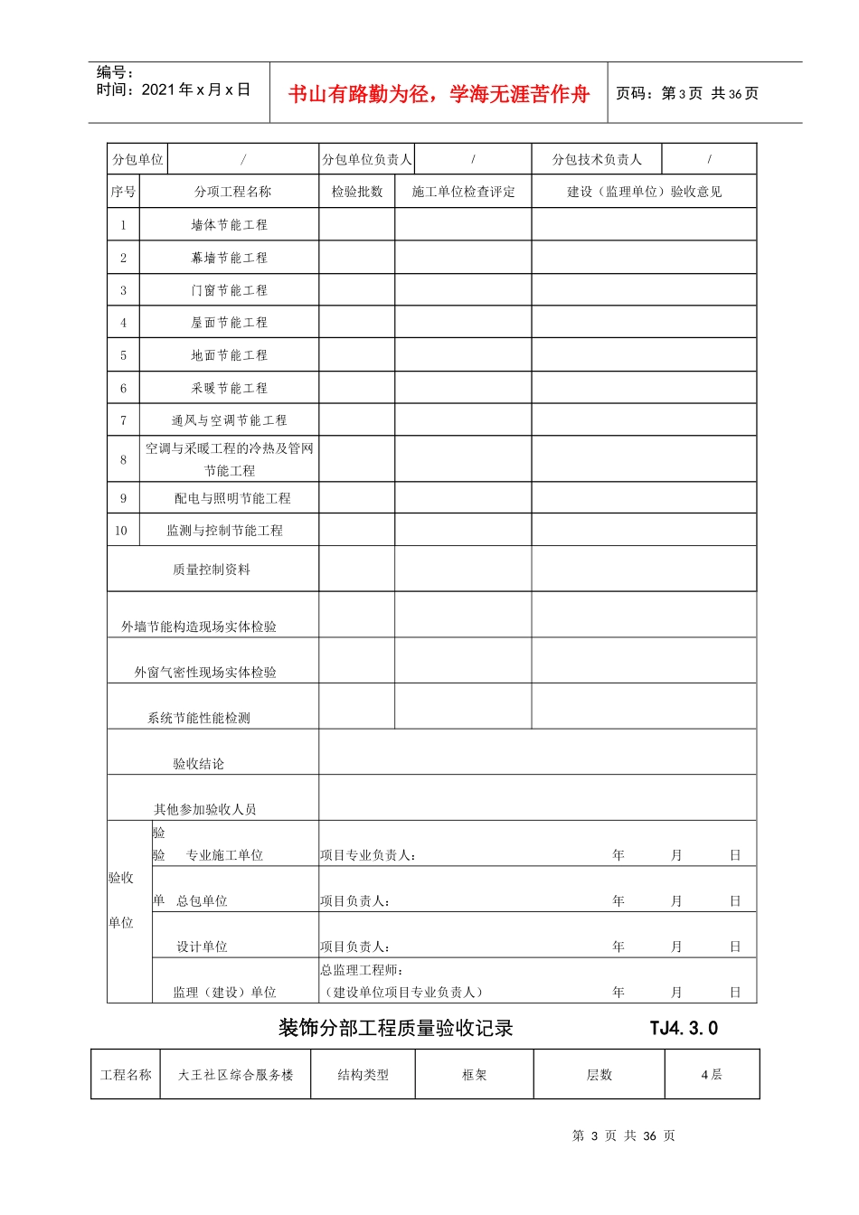
分部、分项工程质量验收记录-hyVIP免费

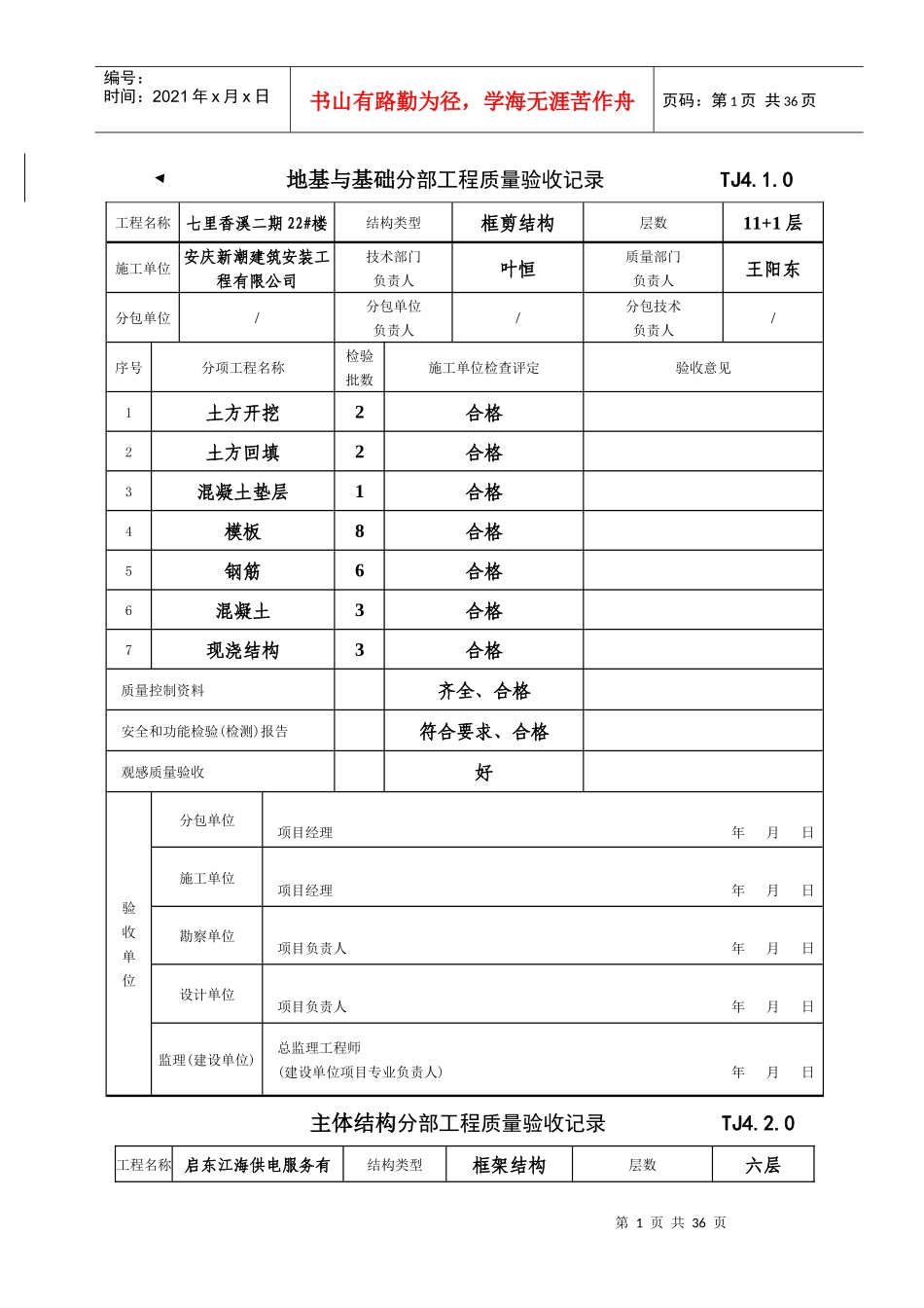
分部、分项工程质量验收记录-hy_第1页
1/36
分部、分项工程质量验收记录-hy_第2页
2/36
分部、分项工程质量验收记录-hy_第3页
3/36
第1页共36页编号:时间:2021年x月x日书山有路勤为径,学海无涯苦作舟页码:第1页共36页地基与基础分部工程质量验收记录TJ4.1.0工程名称七里香溪二期22#楼结构类型框剪结构层数11+1层施工单位安庆新潮建筑安装工程有限公司技术部门负责人叶恒质量部门负责人王阳东分包单位/分包单位负责人/分包技术负责人/序号分项工程名称检验批数施工单位检查评定验收意见1土方开挖2合格2土方回填2合格3混凝土垫层1合格4模板8合格5钢筋6合格6混凝土3合格7现浇结构3合格质量控制资料齐全、合格安全和功能检验(检测)报告符合要求、合格观感质量验收好验收单位分包单位项目经理年月日施工单位项目经理年月日勘察单位项目负责人年月日设计单位项目负责人年月日监理(建设单位)总监理工程师(建设单位项目专业负责人)年月日主体结构分部工程质量验收记录TJ4.2.0工程名称启东江海供电服务有结构类型框架结构层数六层第2页共36页第1页共36页编号:时间:2021年x月x日书山有路勤为径,学海无涯苦作舟页码:第2页共36页限公司电力服务大楼施工单位启东市建筑安装工程有限公司苏东分公司技术部门负责人陆益质量部门负责人陆益分包单位/分包单位负责人/分包技术负责人/序号子分部工程名称检验批数施工单位检查评定验收意见1混凝土结构196合格2砌体结构7合格3456质量控制资料齐全、合格安全和功能检验(检测)报告符合要求、合格观感质量验收好验收单位分包单位项目经理年月日施工单位项目经理年月日设计单位项目负责人年月日监理(建设单位)总监理工程师(建设单位项目专业负责人)年月日建筑节能工程分部工程质量验收记录工程名称都市华庭36#楼结构类型框架结构层数17+1施工单位市建司技术部门负责人占克庆质量部门负责人胡良山第3页共36页第2页共36页编号:时间:2021年x月x日书山有路勤为径,学海无涯苦作舟页码:第3页共36页分包单位/分包单位负责人/分包技术负责人/序号分项工程名称检验批数施工单位检查评定建设(监理单位)验收意见1墙体节能工程2幕墙节能工程3门窗节能工程4屋面节能工程5地面节能工程6采暖节能工程7通风与空调节能工程8空调与采暖工程的冷热及管网节能工程9配电与照明节能工程10监测与控制节能工程质量控制资料外墙节能构造现场实体检验外窗气密性现场实体检验系统节能性能检测验收结论其他参加验收人员验验验收单单位专业施工单位项目专业负责人:年月日总包单位项目负责人:年月日设计单位项目负责人:年月日监理(建设)单位总监理工程师:(建设单位项目专业负责人)年月日装饰分部工程质量验收记录TJ4.3.0工程名称大王社区综合服务楼结构类型框架层数4层第4页共36页第3页共36页编号:时间:2021年x月x日书山有路勤为径,学海无涯苦作舟页码:第4页共36页施工单位龙达建司技术部门负责人朱忠国质量部门负责人胡孔政分包单位/分包单位负责人/分包技术负责人/序号子分部工程名称检验批数施工单位检查评定验收意见1地面3合格2抹灰2合格3门窗8合格4涂饰2合格5细部1合格6质量控制资料齐全安全和功能检验(检测)报告观感质量验收好验收单位分包单位项目经理年月日施工单位项目经理年月日监理(建设单位)总监理工程师(建设单位项目专业负责人)年月日屋面分部工程质量验收记录TJ4.4.0工程名称大王社区综合服务楼结构类型框架层数4层第5页共36页第4页共36页编号:时间:2021年x月x日书山有路勤为径,学海无涯苦作舟页码:第5页共36页施工单位龙达建司技术部门负责人朱忠国质量部门负责人胡孔政分包单位/分包单位负责人/分包技术负责人/序号子分部工程名称检验批数施工单位检查评定验收意见1卷材防水屋面4合格质量控制资料齐全、合格安全和功能检验(检测)报告符合要求、合格观感质量验收好验收单位分包单位项目经理年月日施工单位项目经理年月日监理(建设单位)总监理工程师(建设单位项目专业负责人)年月日卷材防水屋面分部(子分部)工程质量验收记录统表1工程名称大王社区综合服务楼结构类型框架层数4层第6页共36页第5页共36页编号:时间:2021年x月x日书山有路勤为径,学海无涯苦作舟页码:第6页共36页施工单位龙达建司技术部门负责人朱忠国质量部门负责人胡孔政分包单位/分包单位负责人/分包技术...

1、当您付费下载文档后,您只拥有了使用权限,并不意味着购买了版权,文档只能用于自身使用,不得用于其他商业用途(如 [转卖]进行直接盈利或[编辑后售卖]进行间接盈利)。
2、本站所有内容均由合作方或网友上传,本站不对文档的完整性、权威性及其观点立场正确性做任何保证或承诺!文档内容仅供研究参考,付费前请自行鉴别。
3、如文档内容存在违规,或者侵犯商业秘密、侵犯著作权等,请点击“违规举报”。

碎片内容

分部、分项工程质量验收记录-hy

您可能关注的文档

教育教学文库+ 关注
实名认证
内容提供者

本店有大量的教育教学资料,课件

确认删除?
VIP
微信客服
  • 扫码咨询
会员Q群
  • 会员专属群点击这里加入QQ群
客服邮箱
回到顶部