电脑桌面
添加小米粒文库到电脑桌面
安装后可以在桌面快捷访问

化工过程数学模型与计算机模拟课程案例研究VIP专享VIP免费

化工过程数学模型与计算机模拟课程案例研究_第1页
1/28
化工过程数学模型与计算机模拟课程案例研究_第2页
2/28
化工过程数学模型与计算机模拟课程案例研究_第3页
3/28
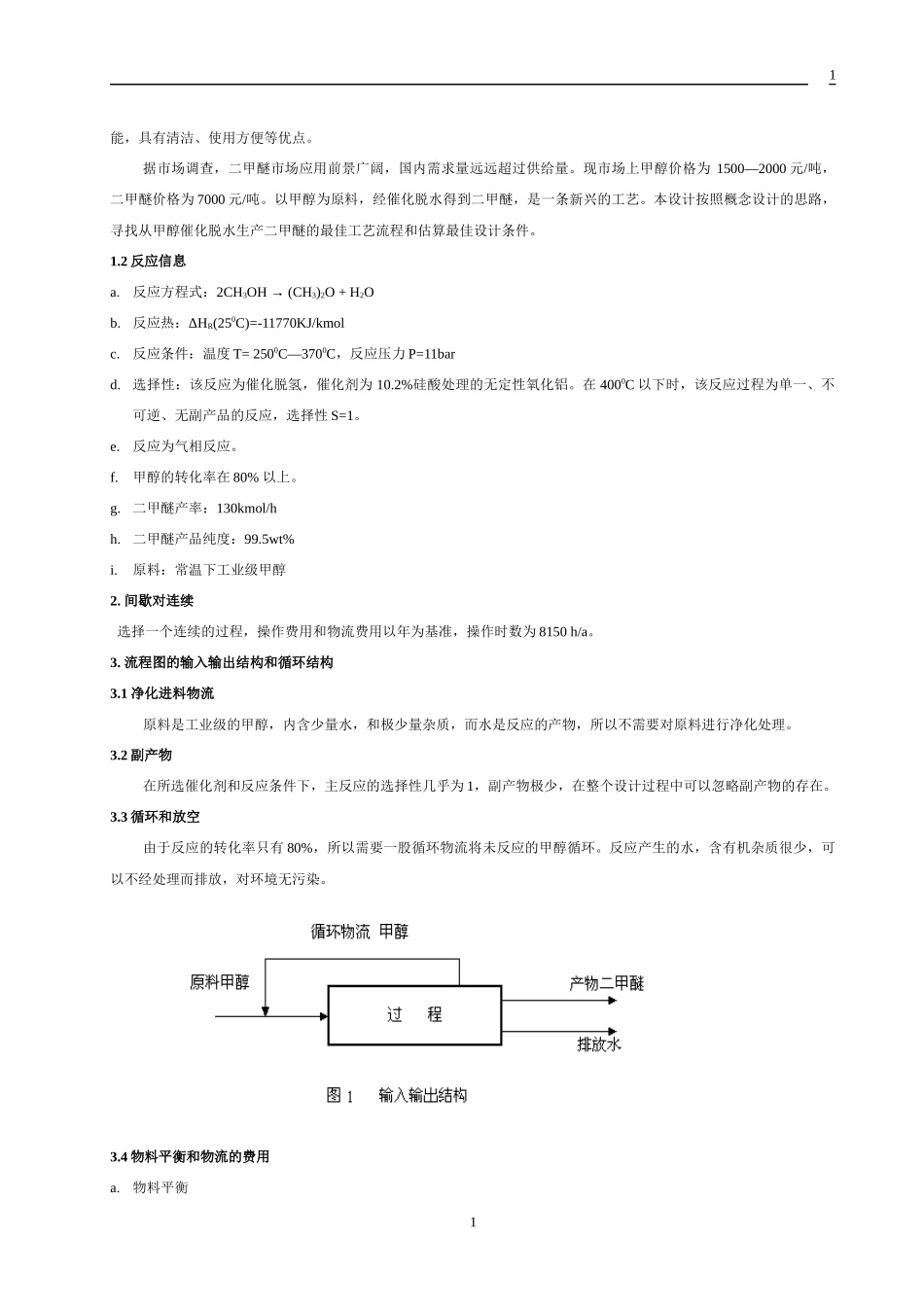
《化工过程数学模型与计算机模拟》课程案例研究之一甲醇→二甲醚+水前言概念设计又称为“预设计”,在根据开发基础研究成果、文献的数据、现有类似的操作数据和工作经验,按照所开发的新技术工业化规模而作出的预设计,用以指导过程研究及提出对开发性的基础研究进一步的要求,所以它是实验研究和过程研究的指南,是开发研究过程中十分关键的一个步骤。概念设计不同于工程设计,因而不能作为施工的依据,但是成功的概念设计不但可以节省大量的人力和物力,而且又可以加快新技术的开发速度,提高开发的水平和实用价值。即使一个很普通的单一产品的生产过程,也可能有104~109个方案可供选择。如何从技术、经济的角度把最有希望的方案设计出来,是作为强化研究开发工作的方向,这是一种系统化的分级决策过程,也正是概念设计的真谛。概念设计是设计者综合开发初期收集的技术经济信息,通过分析研究之后。对开发项目作出一种设想的方案,其主要内容包括:原料和成品的规格,生产规模的估计,工艺流程图机简要说明,物料衡算和热量衡算,主要设备的规模,型号和材质的要求,检测方法,主要技术和经济指标,投资和成本的估算,投资回收预测,三废治理的初步方案以及对中试研究的建议。随着计算技术和计算机技术的发展,化工流程过程模拟软件也越来越成熟,计算机辅助设计也日趋广泛。在进行概念设计时,采用流程系统模拟物料衡算和热量衡算,投资和成本估算等问题以及采用流程模拟软件进行整体优化业越来越普遍。本文采用国际上最成功和最流行的过程模拟软件之一的ASPLENPLUS作为辅助设计的主要工具。与过程有关的物料和能量的衡算基本上有该软件给出,并从设计流程计算的收敛与否来检验该流程是否可行。本文通过概念设计,其目标是寻找最佳工艺流程(即:选择过程单元以及这些单元之间的相互连接)和估算最佳设计条件。采用分层次决策的方法和简捷设计能消去大量无效益的方案。本文按照以下基本步骤进行设计计算:1.间歇对连续;2.流程图的输入输出结构;3.流程图的循环结构;4.分离系统的总体结构;a.蒸气回收系统;b.液体回收系统。5.热交换器网络。1.输入信息1.1市场信息二甲醚工业生产的兴起是同氟氯烷的限制和禁止使用紧密相连的。70年代初国际上气雾剂制品得到了迅速发展,气雾剂生产中,气雾抛射剂主要采用氟氯烷。近年来,发现氟氯烷对地球大气臭氧层有严重的破坏作用,要限制和禁止使用。鉴于二甲醚的饱和蒸汽压等物理性质和二氟二氯甲烷相近,以及其优良的环保性能和无毒,使之成为氟氯烷的理想替代品。自80年代以来,二甲醚作为一种安全的气雾剂得到突飞猛进地发展,目前,气雾剂制品已成为二甲醚最重要的应用市场。二甲醚不仅可以做致冷剂和气雾剂,而且可以做液体燃料。低压下的二甲醚变为液体,与石油液化有相似之处。二甲醚也可以做醇醚燃料,与甲醇按一定比例混合后,可克服单一液态燃料的缺点,从而改善燃料性能,具有清洁、使用方便等优点。据市场调查,二甲醚市场应用前景广阔,国内需求量远远超过供给量。现市场上甲醇价格为1500—2000元/吨,二甲醚价格为7000元/吨。以甲醇为原料,经催化脱水得到二甲醚,是一条新兴的工艺。本设计按照概念设计的思路,寻找从甲醇催化脱水生产二甲醚的最佳工艺流程和估算最佳设计条件。1.2反应信息a.反应方程式:2CH3OH→(CH3)2O+H2Ob.反应热:ΔHR(250C)=-11770KJ/kmolc.反应条件:温度T=2500C—3700C,反应压力P=11bard.选择性:该反应为催化脱氢,催化剂为10.2%硅酸处理的无定性氧化铝。在4000C以下时,该反应过程为单一、不可逆、无副产品的反应,选择性S=1。e.反应为气相反应。f.甲醇的转化率在80%以上。g.二甲醚产率:130kmol/hh.二甲醚产品纯度:99.5wt%i.原料:常温下工业级甲醇2.间歇对连续选择一个连续的过程,操作费用和物流费用以年为基准,操作时数为8150h/a。3.流程图的输入输出结构和循环结构3.1净化进料物流原料是工业级的甲醇,内含少量水,和极少量杂质,而水是反应的产物,所以不需要对原料进行净化处理。3.2副产物在所选催化剂和反应条件下,主反应的选择性几乎为1,副产物极少,在整个设计过程中可以忽略副...

1、当您付费下载文档后,您只拥有了使用权限,并不意味着购买了版权,文档只能用于自身使用,不得用于其他商业用途(如 [转卖]进行直接盈利或[编辑后售卖]进行间接盈利)。
2、本站所有内容均由合作方或网友上传,本站不对文档的完整性、权威性及其观点立场正确性做任何保证或承诺!文档内容仅供研究参考,付费前请自行鉴别。
3、如文档内容存在违规,或者侵犯商业秘密、侵犯著作权等,请点击“违规举报”。

碎片内容

化工过程数学模型与计算机模拟课程案例研究

确认删除?
VIP
微信客服
  • 扫码咨询
会员Q群
  • 会员专属群点击这里加入QQ群
客服邮箱
回到顶部