电脑桌面
添加小米粒文库到电脑桌面
安装后可以在桌面快捷访问

市政工程质量检验评定表VIP免费

市政工程质量检验评定表_第1页
1/40
市政工程质量检验评定表_第2页
2/40
市政工程质量检验评定表_第3页
3/40
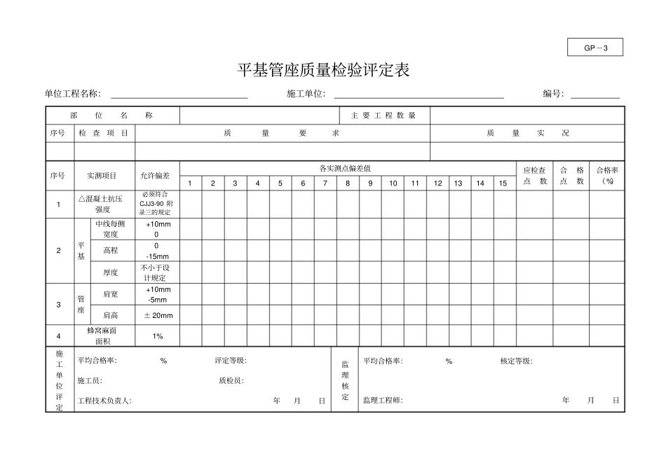
平基管座质量检验评定表单位工程名称:施工单位:编号:部位名称主要工程数量序号检查项目质量要求质量实况序号实测项目允许偏差各实测点偏差值应检查点数合格点数合格率(%)1234567891011121314151△混凝土抗压强度必须符合CJJ3-90附录三的规定2平基中线每侧宽度+10mm0高程0-15mm厚度不小于设计规定3管座肩宽+10mm-5mm肩高±20mm4蜂窝麻面面积1%施工单位评定平均合格率:%评定等级:施工员:质检员:工程技术负责人:年月日监理核定平均合格率:%核定等级:监理工程师:年月日GP-3沟槽垫层质量检验评定表单位工程名称:施工单位:编号:部位名称主要工程数量序号检查项目质量要求质量实况序号实测项目允许偏差各实测点偏差值应检查点数合格点数合格率(%)1234567891011121314151△混凝土抗压强度必须符合CJJ3-90附录三的规定2高程0-15mm3中线每侧宽±10mm4厚度±15mm施工单位评定平均合格率:%评定等级:施工员:质检员:工程技术负责人:年月日监理核定平均合格率:%核定等级:监理工程师:年月日GP-2安管(非金属管)质量检验评定表单位工程名称:施工单位:编号:部位名称主要工程数量序号检查项目质量要求质量实况第3.3.1条管道必须垫稳,管底坡度不得倒流水,缝宽应均匀,管道内不得有泥土砖石、砂浆、木块等杂物。序号实测项目允许偏差(mm)各实测点偏差值应检查点数合格点数合格率(%)1234567891011121314151中线位移152△管内底高程D≤1000mm±10D>1000mm±15倒虹吸管±303相邻管内底错口D≤1000mm3D>1000mm5施工单位评定平均合格率:%评定等级:施工员:质检员:工程技术负责人:年月日监理核定平均合格率:%核定等级:监理工程师:年月日GP-4-1接口(非金属管道)质量检验评定表单位工程名称:施工单位:编号:部位名称主要工程数量序号检查项目质量要求质量实况1第3.4.1条承插口或企口多种接口应平直,环形间隙应均匀,灰口应整齐、密实、饱满,不得有裂缝、空鼓等现象。2第3.4.2条抹带接口应表面平整密实,不得有间断和裂缝、空鼓等现象。序号实测项目允许偏差(mm)各实测点偏差值应检查点数合格点数合格率(%)1234567891011121314151宽度+502厚度+50施工单位评定平均合格率:%评定等级:施工员:质检员:工程技术负责人:年月日监理核定平均合格率:%核定等级:监理工程师:年月日GP-5顶管质量检验评定表单位工程名称:施工单位:编号:部位名称主要工程数量序号检查项目质量要求质量实况1第3.5.1条接口必须密实、平顺、不脱落。2第3.5.2条内涨圈中心应对正管缝,填料密实。3第3.5.3条管内不得有泥土、石子、砂浆、砖块、木块等杂物。序号实测项目允许偏差(mm)各实测点偏差值应检查点数合格点数合格率(%)1234567891011121314151中线位移502管内底高程D<1500mm+30-40D≥1500mm+40-503相邻管间错口15%管壁厚,且不大于204对顶时管子错口50GP-7施工单位评定平均合格率:%评定等级:施工员:质检员:工程技术负责人:年月日监理核定平均合格率:%核定等级:监理工程师:年月日检查井质量检验评定表单位工程名称:施工单位:编号:部位名称主要工程数量序号检查项目质量要求质量实况1第3.6.1条井壁必须互相垂直,不得有通缝,必须保证灰浆饱满,灰缝平整,抹面压光,不得有空鼓、裂缝等现象。2第3.6.2条井内流槽应平顺,踏步应安装牢固,位置准确,不得有建筑垃圾等杂物。3第3.6.3条井框、井盖必须完整无损,安装平稳,位置正确。序号实测项目允许偏差(mm)各实测点偏差值应检查点数合格点数合格率(%)1234567891011121314151井长、宽±20GP-8-1身尺寸直径±202井盖高程非路面±20路面与道路规定一致3井底高程D≤1000mm±10D>1000mm±15施工单位评定平均合格率:%评定等级:施工员:质检员:工程技术负责人:年月日监理核定平均合格率:%核定等级:监理工程师:年月日顶管工作坑交汇坑质量检验评定表单位工程名称:施工单位:编号:部位名称主要工程数量序号检查项目质量要求质量实况GP-6序号实测项目允许偏差各实测点偏差值应检查点数合格点数合格率(%)1234567891011121314151工作坑每侧宽度、长度不小于设计规定2后背垂直度0.1%H水平线与中心线的偏...

1、当您付费下载文档后,您只拥有了使用权限,并不意味着购买了版权,文档只能用于自身使用,不得用于其他商业用途(如 [转卖]进行直接盈利或[编辑后售卖]进行间接盈利)。
2、本站所有内容均由合作方或网友上传,本站不对文档的完整性、权威性及其观点立场正确性做任何保证或承诺!文档内容仅供研究参考,付费前请自行鉴别。
3、如文档内容存在违规,或者侵犯商业秘密、侵犯著作权等,请点击“违规举报”。

碎片内容

市政工程质量检验评定表

您可能关注的文档

确认删除?
VIP
微信客服
  • 扫码咨询
会员Q群
  • 会员专属群点击这里加入QQ群
客服邮箱
回到顶部