电脑桌面
添加小米粒文库到电脑桌面
安装后可以在桌面快捷访问

制冷计算说明书VIP专享VIP免费

制冷计算说明书_第1页
1/7
制冷计算说明书_第2页
2/7
制冷计算说明书_第3页
3/7
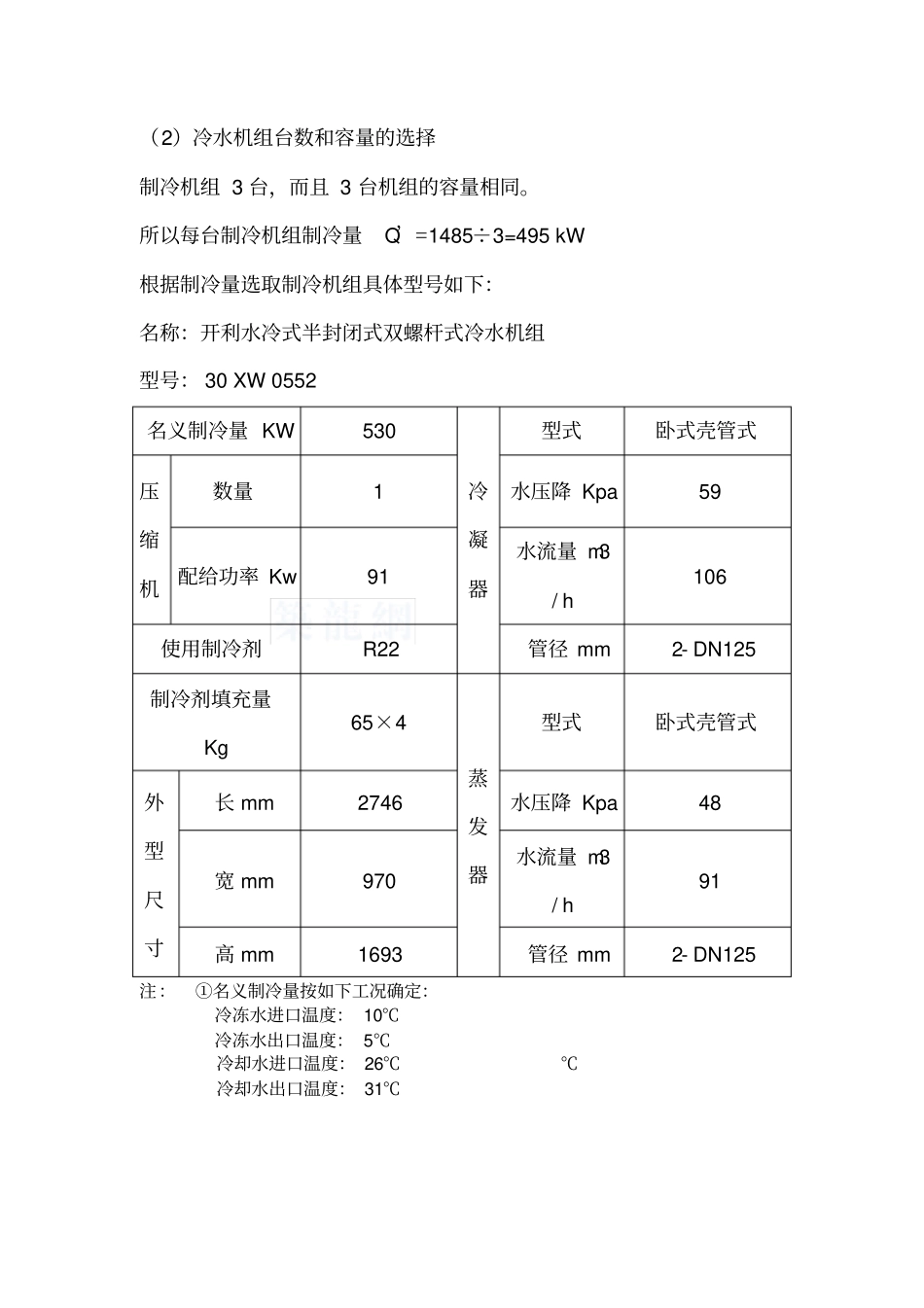
一、课程设计任务已知所需总耗冷量为1350kW,要求冷冻出水温为5℃,二、原始资料1、水源:蚌埠市是我国南方大城市,水源较充足,所以冷却水考虑选用冷却塔使用循环水。2、室外气象资料:室外空调干球温度35.6℃,湿球温度28.1℃。3、蚌埠市海拔21米。三、设计内容(一)冷负荷的计算和冷水机组的选型1、冷负荷的计算对于间接供冷系统一般附加7%—15%,这里选取10%。Q=Qz(1+12%)=1350×(1+10%)=1485kW2、冷水机组的选型(1)确定制冷方式从能耗、单机容量和调节等方面考虑,对于相对较大负荷(如2000kw左右)的情况,宜采用溴化锂吸收式冷水机组;选择空调用蒸气压缩式冷水机组时,单机名义工况制冷量大于1758kw时宜选用离心式;制冷量在1054-1758kw时宜选用螺杆式或离心式;制冷量在700-1054kw时宜选用螺杆式;制冷量在116-700kw时宜选用螺杆式或往复式;制冷量小于116活塞式或涡旋式。本设计单台容量为500KW,选择螺杆式(2)冷水机组台数和容量的选择制冷机组3台,而且3台机组的容量相同。所以每台制冷机组制冷量Q’=1485÷3=495kW根据制冷量选取制冷机组具体型号如下:名称:开利水冷式半封闭式双螺杆式冷水机组型号:30XW0552名义制冷量KW530冷凝器型式卧式壳管式压缩机数量1水压降Kpa59配给功率Kw91水流量m3/h106使用制冷剂R22管径mm2-DN125制冷剂填充量Kg65×4蒸发器型式卧式壳管式外型尺寸长mm2746水压降Kpa48宽mm970水流量m3/h91高mm1693管径mm2-DN125注:①名义制冷量按如下工况确定:冷冻水进口温度:10℃冷冻水出口温度:5℃冷却水进口温度:26℃℃冷却水出口温度:31℃(二).水力计算GBJ13-86推荐流速(m/s)管道种类管道公称直径<250250—1600>1600水泵吸水管1.0—1.21.2—1.61.5—2.0水泵出水管1.5—2.02.0—2.52.0—3.01、冷冻水循环系统水力计算利用假定流速法计算冷冻水水泵出水管的直径:冷冻水流量Q=106×3=318m3/h=0.088m3/s假定流速V=1.8m/s横截面积A=Q/V=0.088/1.8=0.049㎡=πD2/4∴直径D=0.249m,D’取250mm,V’=1.8m/s(满足要求)用同样的方法计算冷冻水水泵吸水管的直径:根据上表可选流速V=1.4m/s横截面积A=Q/V=0.088/1.4=0.063=πD2/4∴直径D=0.282m,D’=300mm,V’=Q/A=1.25m/s(满足要求)单台水泵时:冷冻水流量Q=106m3/h=0.029m3/s假定流速V=1.8m/s横截面积A=Q/V=0.029/1.8=0.016㎡=πD2/4∴直径D=0.143m,D’取150mm,V’=1.64m/s(满足要求)用同样的方法计算冷冻水水泵吸水管的直径:根据上表可选流速V=1.1m/s横截面积A=Q/V=0.029/1.1=0.026=πD2/4∴直径D=0.183m,D’=200mm,V’=Q/A=1.0m/s(满足要求)补水量是冷冻水流量的1%,即Q补=318×1%=3.18m3/h=0.O088m3/s,选择管径为25mm。2、冷却水循环系统水力计算冷却水出水管管径计算:假定流速V=2.2m/s流量Q=91×3=273m3/h=0.076m3/s横截面积A=Q/V=0.076/2.2=0.035㎡=πD2/4求得D=211mm,选择D’=250mm,则V’=1.55m/s(满足要求)冷却水吸水管管径计算:假定流速V=1.4m/s,流量Q=91×3=273m3/h=0.076m3/s横截面积A=Q/V=0.076/1.4=0.0.054㎡=πD2/4求出D=263mm,选择D’=250m则V’=1.55m/s(满足要求)同理求出单台冷却水泵时冷却水出水管管径计算:假定流速V=1.8m/s流量Q=91m3/h=0.025m3/s横截面积A=Q/V=0.025/1.8=0.014㎡=πD2/4求得D=133mm,选择D’=150mm,则V’=1.51m/s(满足要求)冷却水吸水管管径计算:假定流速V=1.1m/s,流量Q=91m3/h=0.025m3/s横截面积A=Q/V=0.025/1.1=0.0.023㎡=πD2/4求出D=170mm,选择D’=200m则V’=0.8m/s(满足要求)(二).设备选择1.冷冻水和冷却水泵的选择1)冷冻水水泵的选择扬程估算:冷水机组的阻力:取80kPa;管路阻力:取制冷站内的除污器、分、集水器及管路等的阻力为50kPa;取空调水系统管路沿程阻力约60kPa;局部阻力为沿程阻力的50%即30kPa,则空调水系统管路阻力为:60+30+50=140kPa;空调末端装置阻力:组合式空调器的阻力取45,空调机组取30kPa;二通调节阀的阻力:取40kPa;水泵扬程:(80+140+45+40)ⅹ1.1=335kPa=33.5m流量=106m3/h,根据扬程和流量,可选择冷冻水水泵如下:型号H转速流量扬程功率进D出D长度宽度高度FLG80-200(I)A29001...

1、当您付费下载文档后,您只拥有了使用权限,并不意味着购买了版权,文档只能用于自身使用,不得用于其他商业用途(如 [转卖]进行直接盈利或[编辑后售卖]进行间接盈利)。
2、本站所有内容均由合作方或网友上传,本站不对文档的完整性、权威性及其观点立场正确性做任何保证或承诺!文档内容仅供研究参考,付费前请自行鉴别。
3、如文档内容存在违规,或者侵犯商业秘密、侵犯著作权等,请点击“违规举报”。

碎片内容

制冷计算说明书

确认删除?
VIP
微信客服
  • 扫码咨询
会员Q群
  • 会员专属群点击这里加入QQ群
客服邮箱
回到顶部