电脑桌面
添加小米粒文库到电脑桌面
安装后可以在桌面快捷访问

AI插件机PCB设计规范要求VIP免费

AI插件机PCB设计规范要求_第1页
1/7
AI插件机PCB设计规范要求_第2页
2/7
AI插件机PCB设计规范要求_第3页
3/7
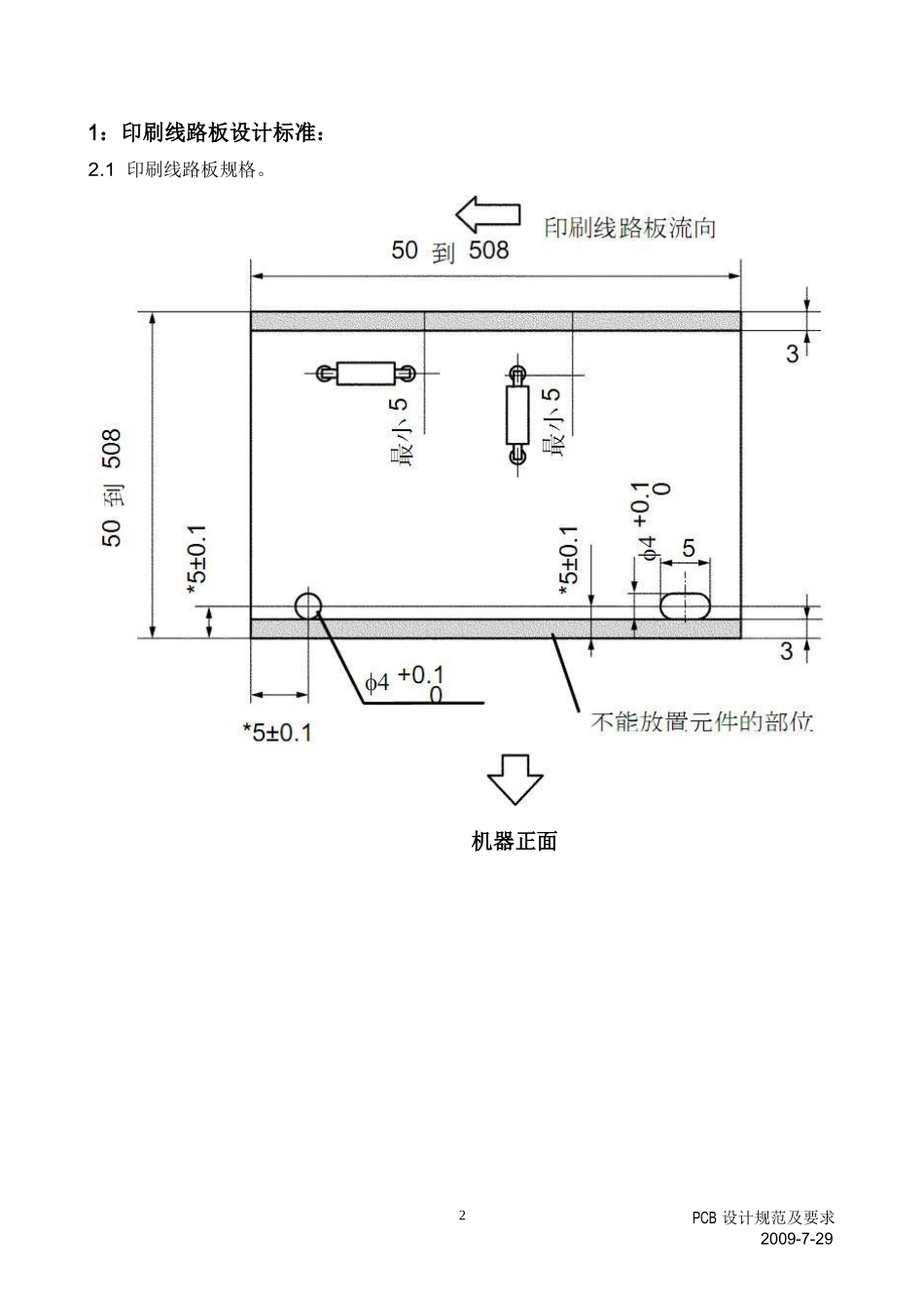
--PCB设计规范及要求项目名称:AI插件机PCB设计规范公司名称:设计编号:批准审核编制1PCB设计规范及要求2009-7-291:印刷线路板设计标准:2.1印刷线路板规格。机器正面2PCB设计规范及要求2009-7-292.2插入限制:3PCB设计规范及要求2009-7-29元件长度:编带精度(I):最大Lb=插入跨距(P)-1.6编带精度(Ⅱ):最大Lb=插入跨距(P)-2.O编带精度(Ⅲ):最大Lb=插入跨距(P)-2.7★插入跨距为5mm时,最大Lb为3.4mm(5-1.6=3.4)4PCB设计规范及要求2009-7-29计算相邻元件之间需留的间隙:对以下计算所得的数值应再加O.2mm的余量。跳线直径:d,先前插入元件的引脚直径:d1先前插入元件的直径:D1,正要插入元件的直径:D25PCB设计规范及要求2009-7-29第6页共7页编号:时间:2021年x月x日书山有路勤为径,学海无涯苦作舟页码:第6页共7页印刷线路板公差:第7页共7页第6页共7页编号:时间:2021年x月x日书山有路勤为径,学海无涯苦作舟页码:第7页共7页6PCB设计规范及要求2009-7-29

1、当您付费下载文档后,您只拥有了使用权限,并不意味着购买了版权,文档只能用于自身使用,不得用于其他商业用途(如 [转卖]进行直接盈利或[编辑后售卖]进行间接盈利)。
2、本站所有内容均由合作方或网友上传,本站不对文档的完整性、权威性及其观点立场正确性做任何保证或承诺!文档内容仅供研究参考,付费前请自行鉴别。
3、如文档内容存在违规,或者侵犯商业秘密、侵犯著作权等,请点击“违规举报”。

碎片内容

AI插件机PCB设计规范要求

您可能关注的文档

确认删除?
VIP
微信客服
  • 扫码咨询
会员Q群
  • 会员专属群点击这里加入QQ群
客服邮箱
回到顶部