电脑桌面
添加小米粒文库到电脑桌面
安装后可以在桌面快捷访问

义乌市盛源制版有限公司VIP专享VIP免费

义乌市盛源制版有限公司_第1页
1/11
义乌市盛源制版有限公司_第2页
2/11
义乌市盛源制版有限公司_第3页
3/11
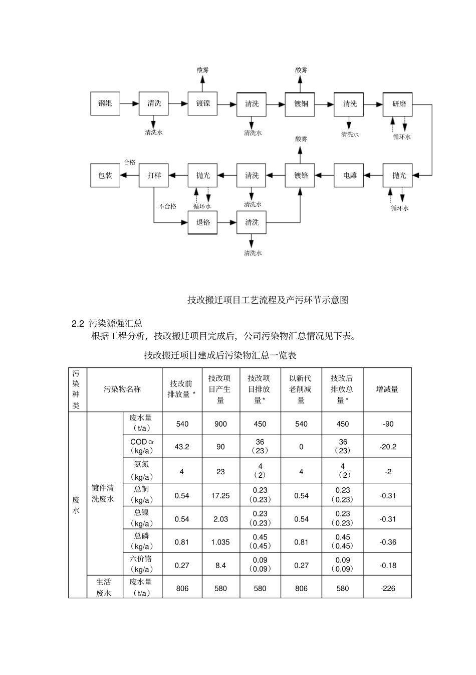
义乌市盛源制版有限公司年产25000根版辊技改搬迁项目环境影响报告书(简写本)金华市环境科学研究院二O一二年八月1项目概况1.1项目名称义乌市盛源制版有限公司年产25000根版辊技改搬迁项目1.2项目总投资项目总投资500万。1.3项目建设地点义乌市北苑街道前洪工业区江海路15号1.4项目建设的相关背景情况义乌市盛源制版有限公司成立于1993年,是一家社会福利企业,专业从事凹版印辊设计、制版及配送服务。公司原厂址位于义乌市区义浦路13号(租用星耀风机有限公司厂房),员工28人,拥有年产8000根版辊生产能力。2006年初企业为了进一步发展壮大,规范运行,同时进一步做好经济与环境的双赢,投资350万元,整体搬迁至义乌市大陈镇前山工业园区,新厂区占地面积1216平方米,总建筑面积2480平方米。该项目的环评报告于2006年10月由金华市环境科学研究院编制完成,但由于种种原因,该项目一直未予实施。同时,公司于2004年7月28日至2006年3月14日间在义乌市工商行政管理局进行了注册资本(金)变更、投资人(股权)变更、经营范围(业务范围)变更、注册号变更及住所(营业场所、地址)变更。经过长时间的市场调查,近年来凹版印辊的市场需求呈大幅度增长趋势,公司管理人员决定恢复公司生产,同时原有厂址已不能满足生产要求,因此公司决定投入500万元,引进先进电雕设备及配套生产线,完善各种规格的电雕制版生产线。并将公司迁址至义乌市北苑街道前洪工业区江海路15号,租用义乌市振斌织造有限公司闲置厂房,占地面积1902.1m2,建筑面积2159.82m2,项目拟建地交通方便,水电齐全。项目搬迁投产后,建设一条年产25000根版辊生产线,具有良好的经济效益和社会效益。2项目污染源强2.1生产工艺技改搬迁项目生产工艺流程及产污环节见下图。钢辊清洗镀镍镀铜研磨抛光电雕镀铬打样酸雾酸雾酸雾退铬合格不合格清洗清洗水包装抛光清洗水清洗清洗水清洗循环水清洗清洗水循环水循环水清洗水技改搬迁项目工艺流程及产污环节示意图2.2污染源强汇总根据工程分析,技改搬迁项目完成后,公司污染物汇总情况见下表。技改搬迁项目建成后污染物汇总一览表污染种类污染物名称技改前排放量*技改项目产生量技改项目排放量*以新代老削减量技改后排放总量*增减量废水镀件清洗废水废水量(t/a)540900450540450-90CODCr(kg/a)43.29036(23)036(23)-20.2氨氮(kg/a)4234(2)44(2)-2总铜(kg/a)0.5417.250.23(0.23)0.540.23(0.23)-0.31总镍(kg/a)0.542.030.23(0.23)0.540.23(0.23)-0.31总磷(kg/a)0.811.0350.45(0.45)0.810.45(0.45)-0.36六价铬(kg/a)0.278.40.09(0.09)0.270.09(0.09)-0.18生活废水废水量(t/a)806580580806580-226CODCr(kg/a)282(81)203101.5(29)81101.5(29)-52NH3-N(kg/a)24(12)178.5(3)128.5(3)-9废气抛光粉尘(t/a)0.5000.50-0.5酸雾硫酸雾(kg/a)少量71.4413.57少量13.57--铬酸雾(kg/a)少量0.240.0456少量0.0456--盐酸雾(kg/a)少量0.490.0931少量0.0931--固废电镀废水污泥(t/a)02000-0电镀液滤渣(t/a)00.1000-0退铬废液(t/a)00.05000-0废包装桶(只/a)0450000-0铜(t/a)05000-0生活垃圾(t/a)012000-0注:*括号内为经污水厂处理后排入义乌江的污染物量(入河量)。3环境保护目标(1)水环境保护目标项目排放的废水进入义乌市污水处理厂第一分厂,应确保污水处理厂运行不受冲击。(2)陆地环境保护目标根据项目特征及卫生防护距离测算等,本项目将厂区周围500m范围内的主要环境敏感点作为陆地环境保护目标,要求大气环境质量达二级标准,厂界声环境达到3类区标准,居民区达到2类区标准;各敏感目标的详细情况详见表1-15和附图2。表1-15各敏感目标详细情况一览表序号敏感目标方位距厂界的距离*(m)保护要求1现代花园小区西约290A2童宅东约250A注:表中距离均指最近距离。A——环境空气达到《环境空气质量标准》(GB3095-1996)二级标准。4环境影响预测4.1水环境影响分析项目生产、生活废水经厂内预处理后纳入义乌市第一污水处理厂集中处理后排放,不会对该污水厂正常运行造成冲击,废水不直接排入附近地表水体,废水经污水处...

1、当您付费下载文档后,您只拥有了使用权限,并不意味着购买了版权,文档只能用于自身使用,不得用于其他商业用途(如 [转卖]进行直接盈利或[编辑后售卖]进行间接盈利)。
2、本站所有内容均由合作方或网友上传,本站不对文档的完整性、权威性及其观点立场正确性做任何保证或承诺!文档内容仅供研究参考,付费前请自行鉴别。
3、如文档内容存在违规,或者侵犯商业秘密、侵犯著作权等,请点击“违规举报”。

碎片内容

义乌市盛源制版有限公司

确认删除?
VIP
微信客服
  • 扫码咨询
会员Q群
  • 会员专属群点击这里加入QQ群
客服邮箱
回到顶部