电脑桌面
添加小米粒文库到电脑桌面
安装后可以在桌面快捷访问

中等职业学校建筑工程测量题库(附答案)VIP免费

中等职业学校建筑工程测量题库(附答案)_第1页
1/9
中等职业学校建筑工程测量题库(附答案)_第2页
2/9
中等职业学校建筑工程测量题库(附答案)_第3页
3/9
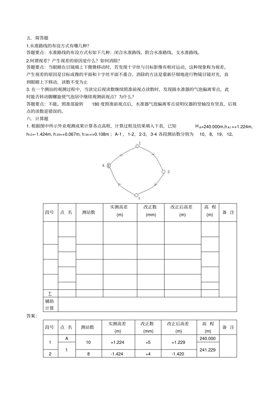
建筑工程测量题库第一章绪论一.名词解释1.绝对高程答案:地面点到大地水准面的铅垂距离。二.填空题1.测量的三项基本工作是、、。答案:角度测量距离测量高程测量2.测量工作的基准线是,基准面是。答案:铅垂线大地水准面3.测量学中的平面直角坐标系,横轴为轴,向北为正,纵轴为轴,向东为正,象限按时针方向编号。答案:x,y,顺三.选择题1.地面点的空间位置是用(C)来表示的。A.地理坐标B.平面直角坐标C.坐标和高程D.绝对高程2.下面选项中不属于测量学任务范围内的是(A)。A.公路运营管理B.测图C.变形观测D.放样3.下列说法错误的是(C)A.在室外进行的测角、量距和测高差成为外业工作B.将外业成果在室内进行整理、计算和绘图称为内业工作C.将观测结果记录在测量手簿上的工作属于测量内业工作D.无论是外业还是内业,都必须遵循“边工作边校核”的工作原则四.多选题1.确定地面点位的三个基本要素是(ACD)。A.水平角B.竖直角C.水平距离D.高差四.简答题1.简述测量的基本工作。答题要点:测量的基本工作:水平角测量、距离测量、高差测量。2.简述测量工作应该遵循的基本原则。答题要点:测量工作应该遵循的原则:在布局上“从整体到局部”、在精度上“由高级到低级“、在程序上“先控制后碎部”;边工作边校核。第二章水准测量一.名词解释1.视准轴答案:十字丝交点与物镜光心的连线。2.闭合水准路线答案:由一已知高程的水准点出发,沿环线待定高程点进行水准测量,最后回到原水准点上的水准路线。3.高差闭合差答案:在水准测量中,由于误差的存在,使得两点间的实测高差与其理论值不符,其差称为高差闭合差4.水准路线答案:由一系列水准点间进行水准测量所经过的路线。5.水准点答案:用水准测量的方法测定的高程控制点。二.选择题1.下面是用水准仪在某测站对地面4个点测得的读数,其中最高的点是(A)。A.0.500B.1.231C.2.345D.2.3542.在水准测量观测过程中,若后视(A点)读数为1.325,前视(B点)读数为1.425,则A、B两点之间的高差为(B)。A、+0.100mB、-0.100mC、+100mD、-100m3.高差闭合差的分配原则为(C)成正比例进行分配。A.与测站数B.与高差的大小C.与距离或测站数D.与视线的长度4.水准测量中,同一测站,当后视读数大于前视读数时说明后视点(B)。A.高于前视点B.低于前视点C.高于测站点D.无法确定5.水准测量中,后视点A的高程为40.000m,后视读数为1.125m,前视读数为2.521m,则前视点B的高程应为(B)。A.43.696mB.38.554mC.41.446mD.36.304m6.水准测量是利用水准仪提供的(B)来测定两点间高差的。A.水平面B.水平视线C.竖直面D.铅垂线7.微倾式水准仪使用过程中,精确整平是通过(B)来判断的。A.圆水准器气泡是否居中B.管水准器气泡是否吻合C.是否存在视差D.成像是否清晰8.下列关于水准仪使用的说法中,错误的是(D)A.水准仪粗略整平后进行对光和照准B.粗略整平是通过调节基座上的三个脚螺旋来实现的C.读数前后都要检查水准管气泡是否吻合D.眼睛在目镜端上、下移动时,发现十字丝中横丝在水准尺上的读数也发生变化,这种现象属于正常现象,可不必处理三.多选题1.微倾式水准仪应满足如下几何条件(ADE)。A.水准管轴平行于视准轴B.横轴垂直于仪器竖轴C.水准管轴垂直于仪器竖轴D.圆水准器轴平行于仪器竖轴E.十字丝横丝应垂直于仪器竖轴四.填空题1.DS3水准仪主要由、、几部分构成。答案:望远镜水准器基座2.DS3微倾式水准仪的使用中,每次读数之前必须调节螺旋,使气泡吻合。答案:微倾水准管3.水准测量中,把安置仪器的位置称为。答案:测站4.粗平的规律是:气泡移动的方向与手大拇指转动脚螺旋的方向一致。答案:左5.精平的规律是:观测镜中左侧的半像移动方向与手大拇指转动微倾螺旋的方向一致。答案:右6.精平后用十字丝的在水准尺上截取读数。答案:中横丝7.闭合水准路线各段高差代数和的理论值应等于。答案:08.在一个测站上水准仪的基本操作程序为、、、。答案:安置仪器粗略整平对光和照准精平与读数五.简答题1.水准路线的布设方式有哪几种?答题要点:水准路线的布设方式有如下几种:闭合水准路线、附合水准路线、支水准路线。2.何谓视差?产生...

1、当您付费下载文档后,您只拥有了使用权限,并不意味着购买了版权,文档只能用于自身使用,不得用于其他商业用途(如 [转卖]进行直接盈利或[编辑后售卖]进行间接盈利)。
2、本站所有内容均由合作方或网友上传,本站不对文档的完整性、权威性及其观点立场正确性做任何保证或承诺!文档内容仅供研究参考,付费前请自行鉴别。
3、如文档内容存在违规,或者侵犯商业秘密、侵犯著作权等,请点击“违规举报”。

碎片内容

中等职业学校建筑工程测量题库(附答案)

您可能关注的文档

确认删除?
VIP
微信客服
  • 扫码咨询
会员Q群
  • 会员专属群点击这里加入QQ群
客服邮箱
回到顶部