电脑桌面
添加小米粒文库到电脑桌面
安装后可以在桌面快捷访问

分项工程质量验收记录1-9VIP免费

分项工程质量验收记录1-9_第1页
1/59
分项工程质量验收记录1-9_第2页
2/59
分项工程质量验收记录1-9_第3页
3/59
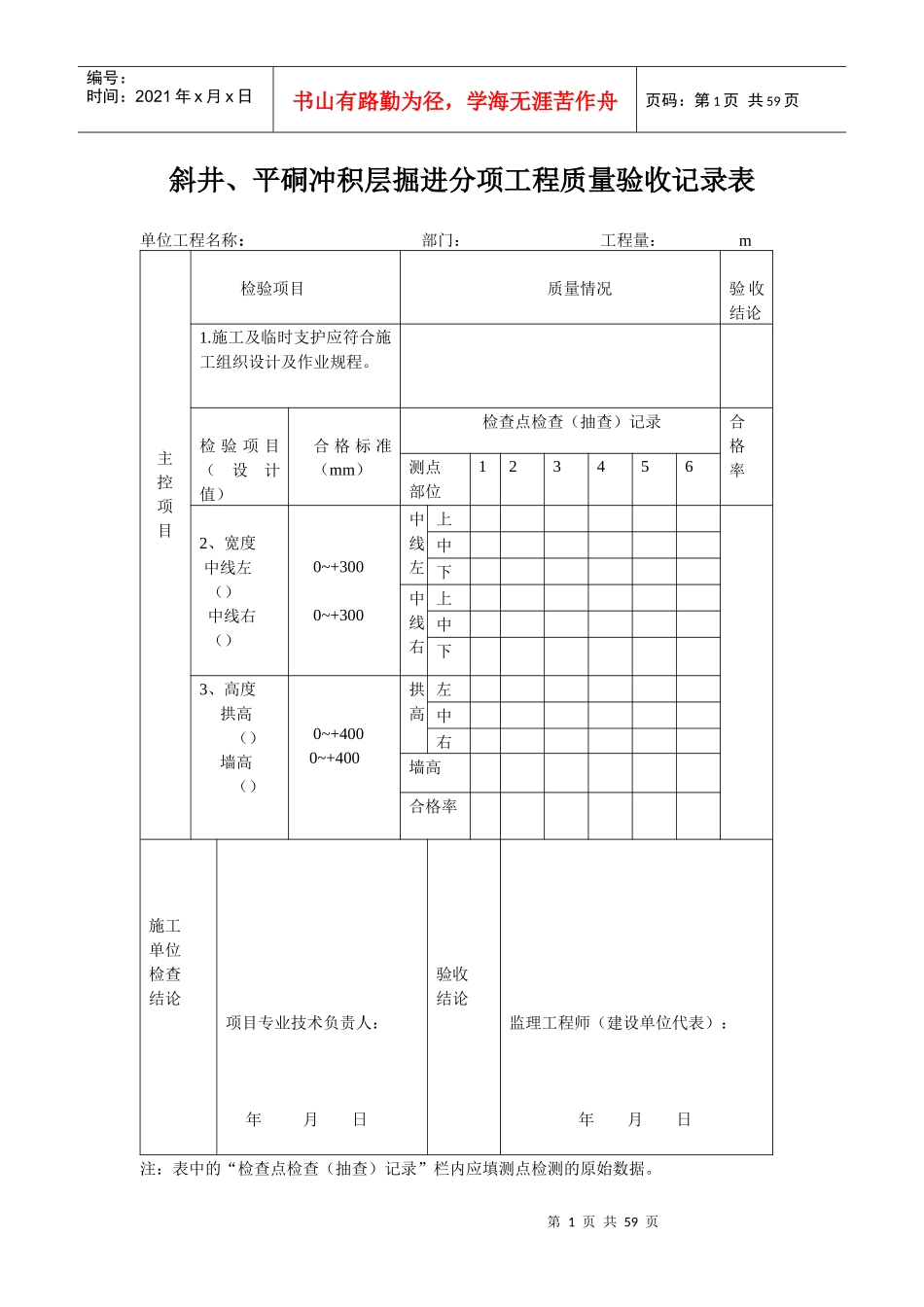
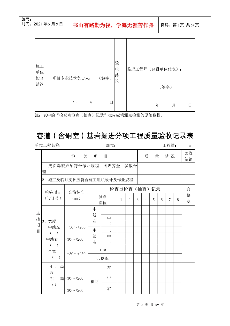
第1页共59页编号:时间:2021年x月x日书山有路勤为径,学海无涯苦作舟页码:第1页共59页斜井、平硐冲积层掘进分项工程质量验收记录表单位工程名称:部门:工程量:m主控项目检验项目质量情况验收结论1.施工及临时支护应符合施工组织设计及作业规程。检验项目(设计值)合格标准(mm)检查点检查(抽查)记录合格率测点部位1234562、宽度中线左()中线右()0~+3000~+300中线左上中下中线右上中下3、高度拱高()墙高()0~+4000~+400拱高左中右墙高合格率施工单位检查结论项目专业技术负责人:年月日验收结论监理工程师(建设单位代表):年月日注:表中的“检查点检查(抽查)记录”栏内应填测点检测的原始数据。第2页共59页第1页共59页编号:时间:2021年x月x日书山有路勤为径,学海无涯苦作舟页码:第2页共59页斜井口、平硐口明槽开挖分项工程质量验收记录单位工程名称:部位:工程量:m主控项目检验项目质量情况验收结论1.施工及临时支护应符合施工组织设计及作业规程。检验项目(设计值)合格标准(mm)检查点检查(抽查)记录合格率测点部位123456782、标高()±50上前后左右合格率3、长度()0~+300上前后下左右合格率4、宽度()0~+300上前后下左右合格率5、边坡坡度()不大于设计左边右边第3页共59页第2页共59页编号:时间:2021年x月x日书山有路勤为径,学海无涯苦作舟页码:第3页共59页施工单位检查结论项目专业技术负责人:(签字)年月日验收结论监理工程师(建设单位代表):(签字)年月日注:表中的“检查点检查(抽查)记录”栏内应填测点检测的原始数据。巷道(含硐室)基岩掘进分项工程质量验收记录表单位工程名称:部位:工程量:m主控项目检验项目质量情况验收结论1.光面爆破必须符合作业规程:图表齐全,参数合理2.施工及临时支护应符合施工组织设计及作业规程检验项目(设计值)合格标准(mm)检查点检查(抽查)记录合格率测点部位123456783、宽度中线左()中线右()全宽()-30~+200-30~+200-30~+250中线左上中下中线右上中下全宽合格率4、高度拱高()-30~+200-30~+200拱高左中右第4页共59页第3页共59页编号:时间:2021年x月x日书山有路勤为径,学海无涯苦作舟页码:第4页共59页墙高()-30~+250墙高全高合格率5.坡度()±1‰施工单位检查结论项目专业技术负责人:(签字)年月日验收结论监理工程师(建设单位代表):(签字)年月日注:表中的“检查点检查(抽查)记录”栏内应填测点检测的原始数据。斜井、平硐基岩分项工程质量验收记录表单位工程名称:部位:工程量:m主控项目检验项目质量情况验收结论1.光面爆破必须符合作业规程:图表齐全,参数合理2.施工及临时支护应符合施工组织设计及作业规程检验项目(设计值)合格标准(mm)检查点检查(抽查)记录合格率测点部位123456783、宽度中线左()中线右()全宽()-30~+200-30~+200-30~+250中线左上中下中线右上中下全宽合格率4、高度拱高-30~+200拱高左中第5页共59页第4页共59页编号:时间:2021年x月x日书山有路勤为径,学海无涯苦作舟页码:第5页共59页()墙高-30~+200右墙高全高合格率5.坡度()±1‰施工单位检查结论项目专业技术负责人:(签字)年月日验收结论监理工程师(建设单位代表):(签字)年月日注:表中的“检查点检查(抽查)记录”栏内应填测点检测的原始数据。巷道软岩掘进分项工程质量验收记录表单位工程名称:部位:工程量:m主控项目检验项目质量情况验收结论1.光面爆破必须符合作业规程:图表齐全,参数合理2.施工及临时支护应符合施工组织设计及作业规程检验项目(设计值)合格标准(mm)检查点检查(抽查)记录合格率测点部位123456783、宽度中线左()中线右()全宽()≥0≥0≥0中线左上中下中线右上中下全宽合格率第6页共59页第5页共59页编号:时间:2021年x月x日书山有路勤为径,学海无涯苦作舟页码:第6页共59页4、高度拱高()墙高()全高≥0≥0≥0拱高左中右墙高全高合格率5.坡度()±1‰施工单位检查结论项目专业技术负责人:(签字)年月日验收结论监理工程师(建设单位代表):(签字)年月日注:表中的“检查点检查(抽查)记录”...

1、当您付费下载文档后,您只拥有了使用权限,并不意味着购买了版权,文档只能用于自身使用,不得用于其他商业用途(如 [转卖]进行直接盈利或[编辑后售卖]进行间接盈利)。
2、本站所有内容均由合作方或网友上传,本站不对文档的完整性、权威性及其观点立场正确性做任何保证或承诺!文档内容仅供研究参考,付费前请自行鉴别。
3、如文档内容存在违规,或者侵犯商业秘密、侵犯著作权等,请点击“违规举报”。

碎片内容

分项工程质量验收记录1-9

您可能关注的文档

精品中小学资料+ 关注
实名认证
内容提供者

精品文档

确认删除?
VIP
微信客服
  • 扫码咨询
会员Q群
  • 会员专属群点击这里加入QQ群
客服邮箱
回到顶部