电脑桌面
添加小米粒文库到电脑桌面
安装后可以在桌面快捷访问

nRF24L01无线通信模块使用手册VIP免费

nRF24L01无线通信模块使用手册_第1页
1/20
nRF24L01无线通信模块使用手册_第2页
2/20
nRF24L01无线通信模块使用手册_第3页
3/20
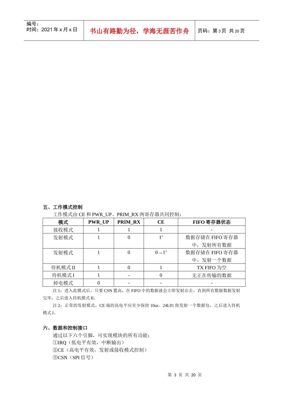
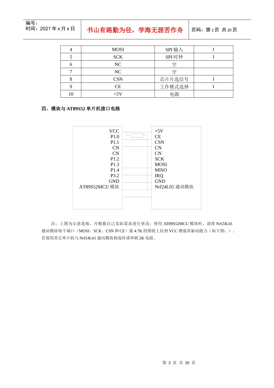
第1页共20页编号:时间:2021年x月x日书山有路勤为径,学海无涯苦作舟页码:第1页共20页nRF24L01无线通信模块使用手册一、模块简介该射频模块集成了NORDIC公司生产的无线射频芯片nRF24L01:1.支持2.4GHz的全球开放ISM频段,最大发射功率为0dBm2.2Mbps,传输速率高3.功耗低,等待模式时电流消耗仅22uA4.多频点(125个),满足多点通信及跳频通信需求5.在空旷场地,有效通信距离:25m(外置天线)、10m(PCB天线)6.工作原理简介:发射数据时,首先将nRF24L01配置为发射模式,接着把地址TX_ADDR和数据TX_PLD按照时序由SPI口写入nRF24L01缓存区,TX_PLD必须在CSN为低时连续写入,而TX_ADDR在发射时写入一次即可,然后CE置为高电平并保持至少10μs,延迟130μs后发射数据;若自动应答开启,那么nRF24L01在发射数据后立即进入接收模式,接收应答信号。如果收到应答,则认为此次通信成功,TX_DS置高,同时TX_PLD从发送堆栈中清除;若未收到应答,则自动重新发射该数据(自动重发已开启),若重发次数(ARC_CNT)达到上限,MAX_RT置高,TX_PLD不会被清除;MAX_RT或TX_DS置高时,使IRQ变低,以便通知MCU。最后发射成功时,若CE为低,则nRF24L01进入待机模式1;若发送堆栈中有数据且CE为高,则进入下一次发射;若发送堆栈中无数据且CE为高,则进入待机模式2。接收数据时,首先将nRF24L01配置为接收模式,接着延迟130μs进入接收状态等待数据的到来。当接收方检测到有效的地址和CRC时,就将数据包存储在接收堆栈中,同时中断标志位RX_DR置高,IRQ变低,以便通知MCU去取数据。若此时自动应答开启,接收方则同时进入发射状态回传应答信号。最后接收成功时,若CE变低,则nRF24L01进入空闲模式1。二、模块电气特性参数数值单位供电电压5V最大发射功率0dBm最大数据传输率2Mbps电流消耗(发射模式,0dBm)11.3mA电流消耗(接收模式,2Mbps)12.3mA电流消耗(掉电模式)900nA温度范围-40~+85℃三、模块引脚说明管脚符号功能方向1GND电源地2IRQ中断输出O3MISOSPI输出O第2页共20页第1页共20页VCCP1.0P1.1CNCNP1.2P1.3P1.4P3.2GNDAT89S52MCU模块+5VCECSNCNCNSCKMOSIMISOIRQGNDNrf24L01通讯模块编号:时间:2021年x月x日书山有路勤为径,学海无涯苦作舟页码:第2页共20页4MOSISPI输入I5SCKSPI时钟I6NC空7NC空8CSN芯片片选信号I9CE工作模式选择I10+5V电源四、模块与AT89S52单片机接口电路注:上图为示意连接,可根据自己实际需求进行更改;使用AT89S52MCU模块时,请将Nrf24L01通讯模块每个端口(MOSI、SCK、CSN和CE)接4.7K的排阻上拉到VCC增强其驱动能力(如下图:)。若使用其它单片机与Nrf24L01通讯模块相连时请串联2K电阻。第3页共20页第2页共20页编号:时间:2021年x月x日书山有路勤为径,学海无涯苦作舟页码:第3页共20页五、工作模式控制工作模式由CE和PWR_UP、PRIM_RX两寄存器共同控制:模式PWR_UPPRIM_RXCEFIFO寄存器状态接收模式111-发射模式1011数据存储在FIFO寄存器中,发射所有数据发射模式100→12数据存储在FIFO寄存器中,发射一个数据待机模式II101TXFIFO为空待机模式I1-0无正在传输的数据掉电模式0---注1:进入此模式后,只要CSN置高,在FIFO中的数据就会立即发射出去,直到所有数据数据发射完毕,之后进入待机模式II。注2:正常的发射模式,CE端的高电平应至少保持10us。24L01将发射一个数据包,之后进入待机模式I。六、数据和控制接口通过以下六个引脚,可实现模块的所有功能:IRQ①(低电平有效,中断输出)CE②(高电平有效,发射或接收模式控制)CSN③(SPI信号)第4页共20页第3页共20页编号:时间:2021年x月x日书山有路勤为径,学海无涯苦作舟页码:第4页共20页SCK④(SPI信号)MOSI⑤(SPI信号)MISO⑥(SPI信号)通过SPI接口,可激活在数据寄存器FIFO中的数据;或者通过SPI命令(1个字节长度)访问寄存器。在待机或掉电模式下,单片机通过SPI接口配置模块;在发射或接收模式下,单片机通过SPI接口接收或发射数据。1.SPI指令所有的SPI指令均在当CSN由低到高开始跳变时执行;从MOSI写命令的同时,MISO实时返回24L01的状态值;SPI指令由命令字节和数据字节两部分组成。SPI命...

1、当您付费下载文档后,您只拥有了使用权限,并不意味着购买了版权,文档只能用于自身使用,不得用于其他商业用途(如 [转卖]进行直接盈利或[编辑后售卖]进行间接盈利)。
2、本站所有内容均由合作方或网友上传,本站不对文档的完整性、权威性及其观点立场正确性做任何保证或承诺!文档内容仅供研究参考,付费前请自行鉴别。
3、如文档内容存在违规,或者侵犯商业秘密、侵犯著作权等,请点击“违规举报”。

碎片内容

nRF24L01无线通信模块使用手册

精品中小学资料+ 关注
实名认证
内容提供者

精品文档

相关文档

确认删除?
VIP
微信客服
  • 扫码咨询
会员Q群
  • 会员专属群点击这里加入QQ群
客服邮箱
回到顶部