电脑桌面
添加小米粒文库到电脑桌面
安装后可以在桌面快捷访问

低温热水地板辐射采暖系统安装施工工艺标准VIP免费

低温热水地板辐射采暖系统安装施工工艺标准_第1页
1/6
低温热水地板辐射采暖系统安装施工工艺标准_第2页
2/6
低温热水地板辐射采暖系统安装施工工艺标准_第3页
3/6
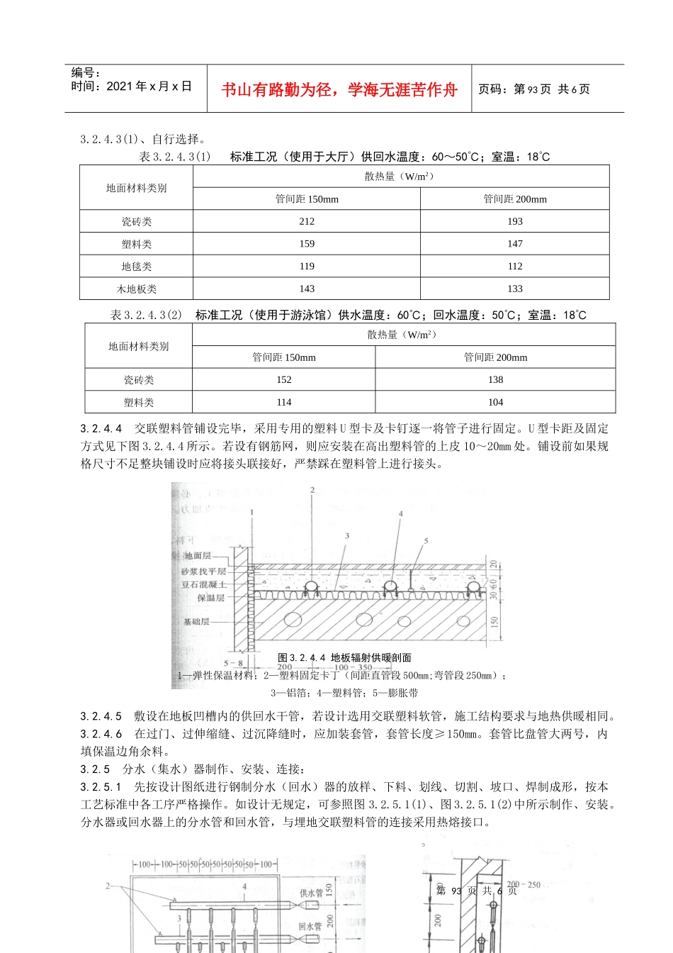
第91页共6页编号:时间:2021年x月x日书山有路勤为径,学海无涯苦作舟页码:第91页共6页低温热水地板辐射采暖系统安装施工工艺标准(QB-CNCECJ050403-2004)1适用范围本工艺标准适用于饱和蒸汽压力不大于1.0MPa,热水温度不超过130℃低温热水地板辐射采暖系统的安装工程。2施工准备2.1原材料要求2.1.1交联聚乙烯管、铝塑复合板及管件、铝箔片、自熄型聚苯乙烯保温板专用塑料卡钉、专用接口联接件,ф4~ф6mm、网距150mm×150mm钢筋网。2.1.2管材和管件的颜色一致,色泽均匀,无分解变色。3.1.3管材的内外表面应光滑、清洁,不允许有分层、针孔、裂纹、气泡、起皮、痕纹和夹杂,但允许有轻微的、局部的、不是外径和壁厚超出允许公差的划伤、凹坑、压入物和斑点等缺陷。2.1.4管材和绝热板材应堆码放在平整的场地上,垫层高度大于100mm,防止泥土和杂物进入管内。2.1.5专用膨胀带、专用伸缩节、专用交联聚乙烯管固定卡件。2.1.6小白线、棉布块、木工锯片、钢锯条、氧气、电石。2.1.7土建材料:水泥、砂子、油毡布、保温材料、豆石、防龟裂添加剂。2.2作业人员要求参加施工的工程技术人员、质量验收人员及安装工人,均应具备相应的专业资格培训,特殊工种持证上岗。2.3主要工机具2.3.1电动试压泵、专用扳手、切割剪刀、木工锯、钢锯、电焊机、卡紧钳子、轻便带锯、手电钻、风钻。2.3.2水平尺、钢卷尺、弯尺、线板、线坠、电焊、气焊工具、套丝铰板、管压力及案子、刮刀。2.4外部环境条件2.4.1进行低温地板辐射供暖系统安装的施工队伍必须持有专业队伍证书,施工人员必须经过培训,特别是机械接口施工人员必须经过专业操作培训,持合格证上岗。2.4.2建筑工程主体已基本完成,且屋面已封顶,室内装修的吊顶、抹灰已完成,与地面施工同时进行。设于楼板上(装饰地面下)的供回水干管地面凹槽,已配合土建预留。2.4.3管道工程必须在入冬之前完成,冬季不宜施工。2.4.4施工前已经过设计、施工技术人员、建设单位进行图纸会审,施工单位对施工人员进行过技术、质量、安全交底。2.4.5材料已全部进场,电源、水源可以保证连续施工,有排放下水的地点。3施工工艺3.1施工工艺流程清理地面→铺设绝热保温板→绝热板材加强层敷设→加热管盘管安装→试压、冲洗→回填豆石砼填充层→(人工夯实)→接通分水(回水)器→通水试验、初次启运第92页共6页第91页共6页编号:时间:2021年x月x日书山有路勤为径,学海无涯苦作舟页码:第92页共6页3.2操作细则3.2.1清理地面:在铺设贴有铝箔的自熄型聚苯乙烯保温板之前,将地面清扫干净,严格控制表面的平整度,仔细压抹,平整度允许误差符合混凝土或砂浆地面要求。保温板铺设前应清除楼地面上的垃圾、浮灰、附着物,特别是油漆、涂料、油污等有机物必须清除干净。常见的地热采暖构造种类如下图3.2.1所示。图3.2.1地热供暖构造示意图3.2.2铺设保温板:3.2.2.1保温板采用贴有铝箔的自熄型聚苯乙烯保温板,必须铺设在水泥砂浆找平层上,地面不得有高低不平的现象。保温板铺设时,铝箔面朝上,铺设平整。凡是钢筋、电线管或其他管道穿过楼板保温层时,只允许垂直穿过,不准斜插,其插管接缝用胶带封贴严实、牢靠。3.2.2.2房间周围边墙、柱的交接处是绝热板保温带,其高度高于豆石砼回填层。房间面积过大时,以6000mm×6000mm为方格留伸缩缝,缝宽10mm。伸缩缝处用厚度10m绝缘板立放,高度与豆石砼层齐平。3.2.3加固层施工3.2.3.1以低碳钢丝网为例,钢丝网规格为方格不大于200mm,在采暖房间满布,拼接出应绑扎连接。3.2.3.2钢丝网在伸缩缝出应不能断开,铺设应平整,无锐刺及跷起的边角。3.2.4加热盘管敷设3.2.4.1铺设塑料管(特制交联聚乙烯(XLPE)软管):交联塑料管铺设的顺序是从远到近逐个环圈铺设,凡是交联塑料管穿地面膨胀缝处,一律用膨胀条分割成若干块地面隔开来,交联塑料管在此处均须加伸缩节,伸缩节为交联塑料管专用伸缩节,其接口用机械连接,图3.2.4.1地热管路平面布置图施工中须由土建工程事先划分好,相互配合和1—膨胀带;2—伸缩节(300mm);3—加热盘管(φ20、φ15);协调,见图3.2.4.1所示。4—分水器;5—集水器3.2.4.2加热盘管在钢丝...

1、当您付费下载文档后,您只拥有了使用权限,并不意味着购买了版权,文档只能用于自身使用,不得用于其他商业用途(如 [转卖]进行直接盈利或[编辑后售卖]进行间接盈利)。
2、本站所有内容均由合作方或网友上传,本站不对文档的完整性、权威性及其观点立场正确性做任何保证或承诺!文档内容仅供研究参考,付费前请自行鉴别。
3、如文档内容存在违规,或者侵犯商业秘密、侵犯著作权等,请点击“违规举报”。

碎片内容

低温热水地板辐射采暖系统安装施工工艺标准

确认删除?
VIP
微信客服
  • 扫码咨询
会员Q群
  • 会员专属群点击这里加入QQ群
客服邮箱
回到顶部