电脑桌面
添加小米粒文库到电脑桌面
安装后可以在桌面快捷访问

高中化学 第1章 化学反应原理与能量变化 第2节 电能转化为化学能(第3课时)电解精炼及电镀教案 鲁科版选修4-鲁科版高二选修4化学教案VIP免费

高中化学 第1章 化学反应原理与能量变化 第2节 电能转化为化学能(第3课时)电解精炼及电镀教案 鲁科版选修4-鲁科版高二选修4化学教案_第1页
1/4
高中化学 第1章 化学反应原理与能量变化 第2节 电能转化为化学能(第3课时)电解精炼及电镀教案 鲁科版选修4-鲁科版高二选修4化学教案_第2页
2/4
高中化学 第1章 化学反应原理与能量变化 第2节 电能转化为化学能(第3课时)电解精炼及电镀教案 鲁科版选修4-鲁科版高二选修4化学教案_第3页
3/4
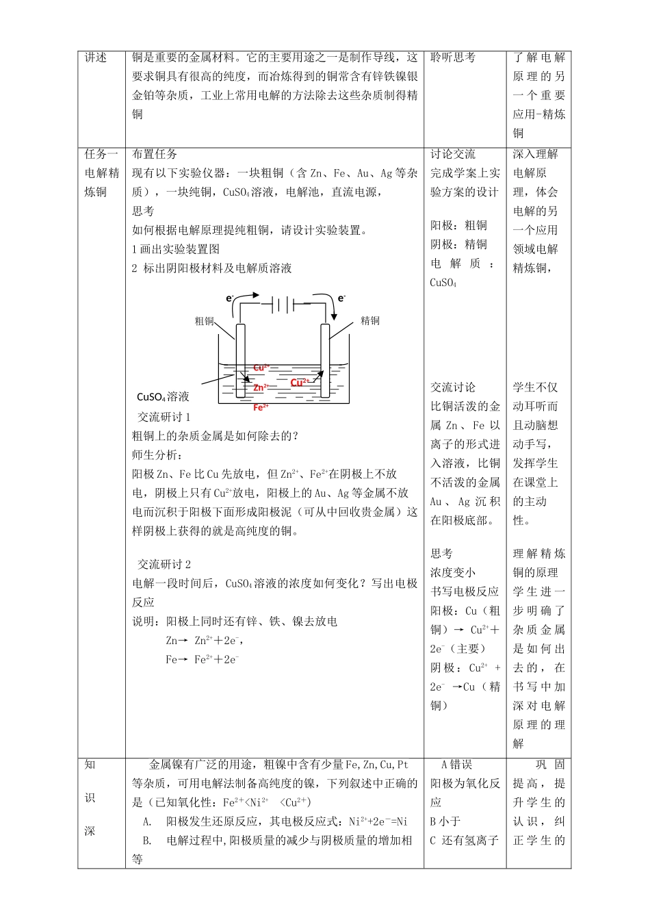
第1章第2节第3课时电解原理的应用——精炼铜、电镀教学手段:多媒体辅助教学。【教材分析】电解池是借助于电能,使不能自发进行的氧化还原反应能够发生,从而使电能转化为化学能的装置。它的应用相当广泛,由此形成的工业也很多,如电镀、氯碱工业、电冶金、电池充电等。本节课是学生学习电解基本原理知识后的自然延伸,它有助于学生系统的认识电解的应用,理解并设计多种电解的应用方法,为后续学习电化学知识在生产生活和科研中的重要作用打好理论基础。【学情分析】本课时内容位于选修4《化学反应原理》第一章第二节。在必修一中学生接触了氧化还原的知识,在必修2第二章第三节中,学生已经接触过简单的原电池知识;在本节课的前两课时学习了电解的基本原理,知道了离子的放电顺序,分析了氯碱工业和电解三种电解质溶液,本节课在此基础上展开,学生完全有能力自己分析电解精炼铜及电镀池的原理。【教学目标】1.知识与技能目标(1)运用电解的原理分析电镀铜、电解精练铜的过程,了解这些较复杂体系中所发生的反应以及电解的实用价值;(2)准确书写电极反应方程式和电解反应总方程式;(3)能够分析活性电极作阳极时的电解过程。2.过程与方法目标通过运用电解的原理,分析电镀、电解精炼等复杂体系中所发生的反应,体会电解的实用价值和对人类社会的重要贡献。3、情感态度与价值观:通过电解知识的学习,激发学生勇于创新、积极实践的科学态度。教学重点:通过电镀铜、电解精炼铜,了解电解的实用价值。教学难点:活性电极电解电解质溶液时,电极反应方程式和电解反应总方程式的书写。【教学方法】以学生分组交流讨论为主,结合启发引导归纳总结【教学过程】教学环节教师活动学生活动设计意图复习回顾【提问】1.电极反应方程式的书写步骤?2.惰性电极作阳极的电解过程中,溶液中离子的放电顺序是怎样的?【作业检查】1.今有两支黑色铅笔、两段导线、干电池、滤纸、培养皿、a、b、c三种溶液。请应用今天所学的知识,设计一个实验,让铅笔画出红线、蓝线。思考回答1淀粉溶液、碘化钾溶液,酚酞溶液复习回顾上节课内容,检查掌握情,为本节课的学习做好准备。引入新课上节课我们学习电解原理的应用电解饱和食盐水制备烧碱、氢气、氯气,今天继续学习电解原理的应用。聆听开门见山引入新课提高学生的注意力讲述铜是重要的金属材料。它的主要用途之一是制作导线,这要求铜具有很高的纯度,而冶炼得到的铜常含有锌铁镍银金铂等杂质,工业上常用电解的方法除去这些杂质制得精铜聆听思考了解电解原理的另一个重要应用-精炼铜任务一电解精炼铜布置任务现有以下实验仪器:一块粗铜(含Zn、Fe、Au、Ag等杂质),一块纯铜,CuSO4溶液,电解池,直流电源,思考如何根据电解原理提纯粗铜,请设计实验装置。1画出实验装置图2标出阴阳极材料及电解质溶液交流研讨1粗铜上的杂质金属是如何除去的?师生分析:阳极Zn、Fe比Cu先放电,但Zn2+、Fe2+在阴极上不放电,阴极上只有Cu2+放电,阳极上的Au、Ag等金属不放电而沉积于阳极下面形成阳极泥(可从中回收贵金属)这样阴极上获得的就是高纯度的铜。交流研讨2电解一段时间后,CuSO4溶液的浓度如何变化?写出电极反应说明:阳极上同时还有锌、铁、镍去放电Zn→Zn2++2e-,Fe→Fe2++2e-讨论交流完成学案上实验方案的设计阳极:粗铜阴极:精铜电解质:CuSO4交流讨论比铜活泼的金属Zn、Fe以离子的形式进入溶液,比铜不活泼的金属Au、Ag沉积在阳极底部。思考浓度变小书写电极反应阳极:Cu(粗铜)→Cu2++2e-(主要)阴极:Cu2++2e-→Cu(精铜)深入理解电解原理,体会电解的另一个应用领域电解精炼铜,学生不仅动耳听而且动脑想动手写,发挥学生在课堂上的主动性。理解精炼铜的原理学生进一步明确了杂质金属是如何出去的,在书写中加深对电解原理的理解知识深金属镍有广泛的用途,粗镍中含有少量Fe,Zn,Cu,Pt等杂质,可用电解法制备高纯度的镍,下列叙述中正确的是(已知氧化性:Fe2+

1、当您付费下载文档后,您只拥有了使用权限,并不意味着购买了版权,文档只能用于自身使用,不得用于其他商业用途(如 [转卖]进行直接盈利或[编辑后售卖]进行间接盈利)。
2、本站所有内容均由合作方或网友上传,本站不对文档的完整性、权威性及其观点立场正确性做任何保证或承诺!文档内容仅供研究参考,付费前请自行鉴别。
3、如文档内容存在违规,或者侵犯商业秘密、侵犯著作权等,请点击“违规举报”。

碎片内容

高中化学 第1章 化学反应原理与能量变化 第2节 电能转化为化学能(第3课时)电解精炼及电镀教案 鲁科版选修4-鲁科版高二选修4化学教案

雨丝书吧+ 关注
实名认证
内容提供者

乐于和他人分享知识,从事历史教学,热爱教育,高度负责。

确认删除?
微信客服
  • 扫码咨询
会员Q群
  • 会员专属群点击这里加入QQ群