电脑桌面
添加小米粒文库到电脑桌面
安装后可以在桌面快捷访问

电力电子技术复习题VIP免费

电力电子技术复习题_第1页
1/7
电力电子技术复习题_第2页
2/7
电力电子技术复习题_第3页
3/7
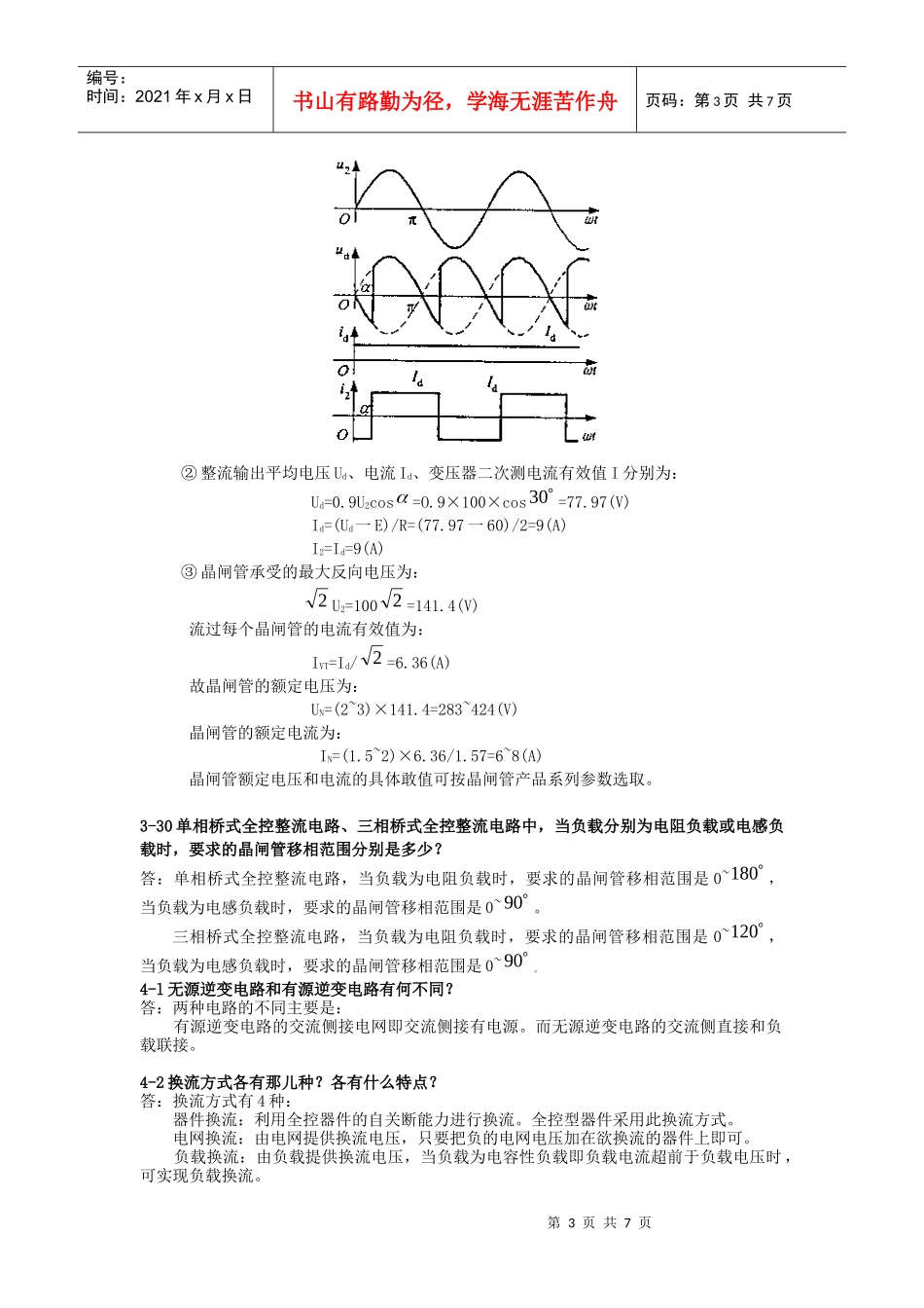
第1页共7页编号:时间:2021年x月x日书山有路勤为径,学海无涯苦作舟页码:第1页共7页2-1与信息电子电路中的二极管相比,电力二极管具有怎样的结构特点才使得其具有耐受高压和大电流的能力?答:1.电力二极管大都采用垂直导电结构,使得硅片中通过电流的有效面积增大,显著提高了二极管的通流能力。2.电力二极管在P区和N区之间多了一层低掺杂N区,也称漂移区。低掺杂N区由于掺杂浓度低而接近于无掺杂的纯半导体材料即本征半导体,由于掺杂浓度低,低掺杂N区就可以承受很高的电压而不被击穿。2-2.使晶闸管导通的条件是什么?答:使晶闸管导通的条件是:晶闸管承受正向阳极电压,并在门极施加触发电流(脉冲)。或:uAK>0且uGK>0。2-3.维持晶闸管导通的条件是什么?怎样才能使晶闸管由导通变为关断?答:维持晶闸管导通的条件是使晶闸管的电流大于能保持晶闸管导通的最小电流,即维持电流。要使晶闸管由导通变为关断,可利用外加电压和外电路的作用使流过晶闸管的电流降到接近于零的某一数值以下,即降到维持电流以下,便可使导通的晶闸管关断。2-11常见的全控型电力电子器件有哪些?答:门极可关断晶闸管,电力晶闸管,电力场效应晶体管,绝缘栅双极晶体管。3-1单相半波可控整流电路对电感负载供电,L=20Mh,U2=100V,求当时和时的负载电流Id,并画出Ud与Id波形。解:时,在电源电压U2的正半周期晶闸管导通时,负载电感L储能,在晶闸管开始导通时刻,负载电流为零。在电源电压U2的负半周期,负载电感L释放能量,晶闸管继续导通。因此,在电源电压U2的一个周期中下列方程成立:考虑到初始条件:当时id=0可解方程:Ud与Id的波形如下图:0600tUdtdiLdsin220t)-(=tcos1LU2I2d20d)(dtcos1LU221It)-()(51.22U22AL第2页共7页第1页共7页编号:时间:2021年x月x日书山有路勤为径,学海无涯苦作舟页码:第2页共7页当a=时,在U2的正半周期~期间,晶闸管导通使电感L储能,电感L储藏的能量在U2负半周期~期间释放,因此在U2的一个周期中~期间,下列微分方程成立:考虑到初始条件:当时id=0可解方程得:id=其平均值为Id=此时Ud与id的波形如下图:3-5单相桥式全控整流电路,U2=100V,负载R=20,L值极大,反电势E=60V,当时,要求:①作出Ud、Id和I2的波形;;②求整流输出平均电压Ud、电流Id,变压器二次侧电流有效值I2;③考虑安全裕量,确定晶闸管的额定电压和额定电流。解:①Ud、Id和I2的波形如下图:606018018030060300tUdtdiLdsin2260t)cos2122tdtU-(35322)(25.11L2U2)()cos21(221AtdtLU=30第3页共7页第2页共7页编号:时间:2021年x月x日书山有路勤为径,学海无涯苦作舟页码:第3页共7页②整流输出平均电压Ud、电流Id、变压器二次测电流有效值I分别为:Ud=0.9U2cos=O.9×100×cos=77.97(V)Id=(Ud一E)/R=(77.97一60)/2=9(A)I2=Id=9(A)③晶闸管承受的最大反向电压为:U2=100=141.4(V)流过每个晶闸管的电流有效值为:IVT=Id/=6.36(A)故晶闸管的额定电压为:UN=(2~3)×141.4=283~424(V)晶闸管的额定电流为:IN=(1.5~2)×6.36/1.57=6~8(A)晶闸管额定电压和电流的具体敢值可按晶闸管产品系列参数选取。3-30单相桥式全控整流电路、三相桥式全控整流电路中,当负载分别为电阻负载或电感负载时,要求的晶闸管移相范围分别是多少?答:单相桥式全控整流电路,当负载为电阻负载时,要求的晶闸管移相范围是0~,当负载为电感负载时,要求的晶闸管移相范围是0~。三相桥式全控整流电路,当负载为电阻负载时,要求的晶闸管移相范围是0~,当负载为电感负载时,要求的晶闸管移相范围是0~。4-l无源逆变电路和有源逆变电路有何不同?答:两种电路的不同主要是:有源逆变电路的交流侧接电网即交流侧接有电源。而无源逆变电路的交流侧直接和负载联接。4-2换流方式各有那儿种?各有什么特点?答:换流方式有4种:器件换流:利用全控器件的自关断能力进行换流。全控型器件采用此换流方式。电网换流:由电网提供换流电压,只要把负的电网电压加在欲换流的器件上即可。负载换流:由负载提供换流电压,当...

1、当您付费下载文档后,您只拥有了使用权限,并不意味着购买了版权,文档只能用于自身使用,不得用于其他商业用途(如 [转卖]进行直接盈利或[编辑后售卖]进行间接盈利)。
2、本站所有内容均由合作方或网友上传,本站不对文档的完整性、权威性及其观点立场正确性做任何保证或承诺!文档内容仅供研究参考,付费前请自行鉴别。
3、如文档内容存在违规,或者侵犯商业秘密、侵犯著作权等,请点击“违规举报”。

碎片内容

电力电子技术复习题

确认删除?
VIP
微信客服
  • 扫码咨询
会员Q群
  • 会员专属群点击这里加入QQ群
客服邮箱
回到顶部