电脑桌面
添加小米粒文库到电脑桌面
安装后可以在桌面快捷访问

第六部分建筑给排水及采暖工程施工技校资料核查表VIP免费

第六部分建筑给排水及采暖工程施工技校资料核查表_第1页
1/75
第六部分建筑给排水及采暖工程施工技校资料核查表_第2页
2/75
第六部分建筑给排水及采暖工程施工技校资料核查表_第3页
3/75
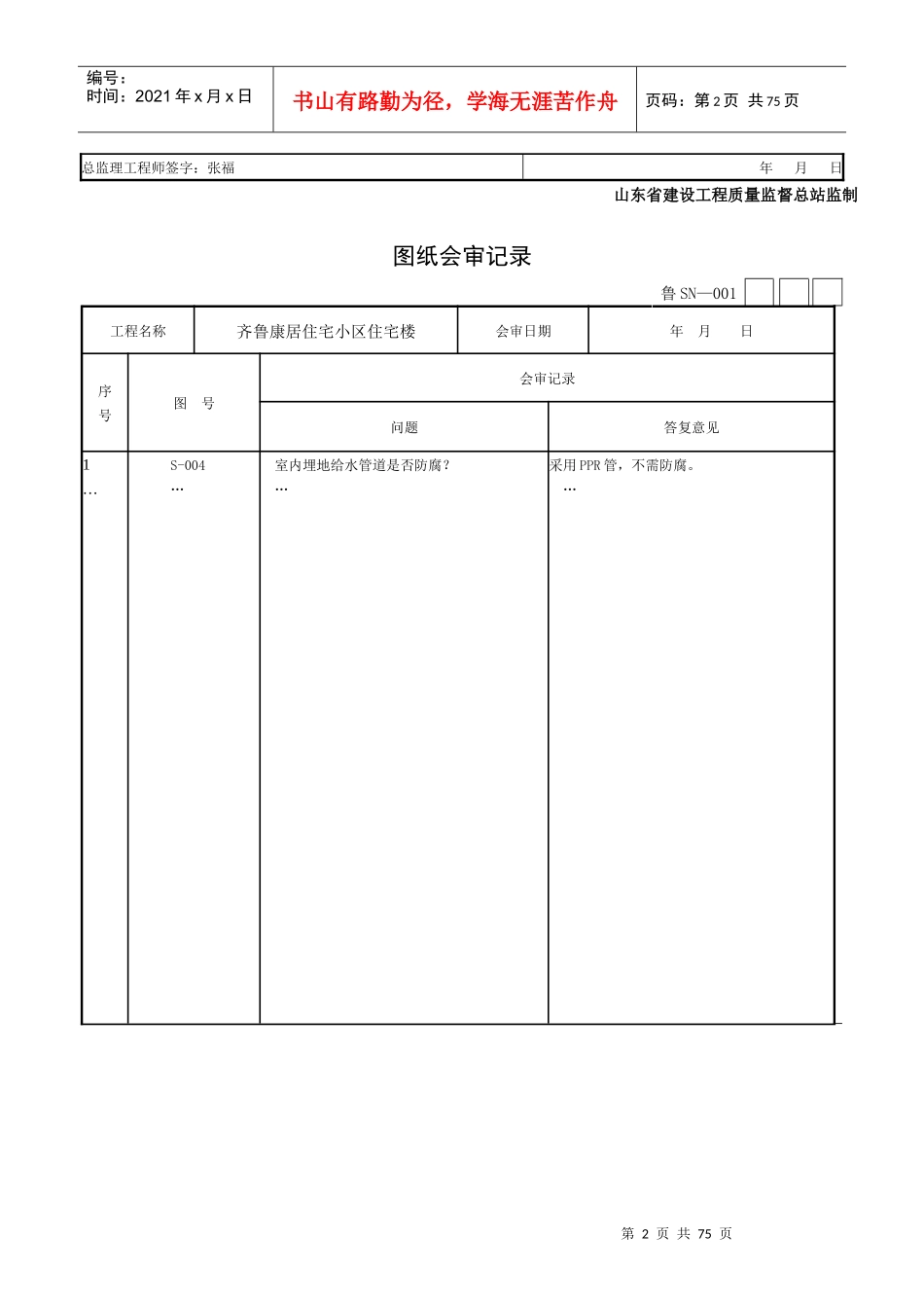
第1页共75页编号:时间:2021年x月x日书山有路勤为径,学海无涯苦作舟页码:第1页共75页建筑给排水及采暖工程施工技术资料核查表工程名称:齐鲁康居住宅小区住宅楼鲁SN-000序号名称编号份数核查意见核查人1图纸会审记录鲁SN—0011齐全完整赵波2设计变更(洽商)记录鲁SN—0021齐全完整赵波3施工组织设计(施工方案)内部审批表鲁SN—003-114齐全完整赵波4施工组织设计(施工方案)报审卡鲁SN—003-214齐全完整赵波5技术(安全)交底记录鲁SN—00435齐全完整赵波6施工日志鲁SN—0056齐全完整赵波7建筑安装工程设备、成品、半成品、材料合格证汇总表鲁SN—006324齐全完整赵波8设备(开箱)进场验收记录鲁SN—00725齐全完整赵波9材料、成品、半成品进场验收记录鲁SN—00828齐全完整赵波1O合格证贴条鲁SN—00989齐全完整赵波11复印件(或抄件)贴条鲁SN—01034齐全完整赵波12阀门(清洗)试验记录鲁SN—01123齐全完整赵波13管道隐蔽工程验收记录鲁SN—01224齐全完整赵波14水、气压试验记录鲁SN—01364齐全完整赵波15室内管道灌水试验记录鲁SN—01454齐全完整赵波16非承压容器满水试验记录鲁SN—0152齐全完整赵波17管道通水试验记录鲁SN—01616齐全完整赵波18室内排水管道通球试验记录鲁SN—01718齐全完整赵波19管道设备冲(吹)洗记录鲁SN—01816齐全完整赵波20卫生器具满水试验记录鲁SN—01919齐全完整赵波21地漏及地面清扫口排水试验记录鲁SN—02020齐全完整赵波22室内消火栓试射记录鲁SN—02110齐全完整赵波23采暖系统调试记录鲁SN—0223齐全完整赵波24安全阀调整试验记录鲁SN—0236齐全完整赵波25伸缩器制作安装记录鲁SN—0248齐全完整赵波26工序交接记录鲁SN—02546齐全完整赵波27室外排水管道灌水和通水试验记录鲁SN—02618齐全完整赵波28设备基础复检记录鲁SN—0274齐全完整赵波29设备基础隐蔽验收记录鲁SN—0284齐全完整赵波30设备单机试运转及调试记录鲁SN—0296齐全完整赵波31安全附件安装检查记录鲁SN—0306齐全完整赵波32整体锅炉烘炉记录鲁SN—0311齐全完整赵波33整体锅炉煮炉记录鲁SN—0321齐全完整赵波34整体锅炉48h负荷试运行记录鲁SN—0331齐全完整赵波35防腐施工记录鲁SN—03424齐全完整赵波36绝热施工记录鲁SN—03512齐全完整赵波结论齐全完整符合要求,同意验收第2页共75页第1页共75页编号:时间:2021年x月x日书山有路勤为径,学海无涯苦作舟页码:第2页共75页总监理工程师签字:张福年月日山东省建设工程质量监督总站监制图纸会审记录鲁SN—001工程名称齐鲁康居住宅小区住宅楼会审日期年月日序号图号会审记录问题答复意见1…S-004…室内埋地给水管道是否防腐?…采用PPR管,不需防腐。…第3页共75页第2页共75页编号:时间:2021年x月x日书山有路勤为径,学海无涯苦作舟页码:第3页共75页施工单位(公章)项目专业技术负责人:赵波参加人:周成山设计单位(公章)设计项目负责人:贾勇参加人:贾勇建设单位(公章)项目负责人:周成永参加人:周成永监理单位(公章)总监:张福参加人:张福山东省建设工程质量监督总站监制设计变更(洽商)记录鲁SN—002工程名称齐鲁康居住宅小区住宅楼变更(洽商)日期年月日第4页共75页第3页共75页编号:时间:2021年x月x日书山有路勤为径,学海无涯苦作舟页码:第4页共75页记录内容:1、室内排水排水塑料管变更为柔性接口排水铸铁管。2、……设计单位(公章)施工单位(公章)建设单位(公章)监理单位(公章)单位(项目)负责人:贾勇项目专业技术负责人:赵波单位(项目)负责人:周文庆总监:张福山东省建设工程质量监督总站监制施工组织设计(施工方案)内部审批表鲁SN—003.1第5页共75页第4页共75页编号:时间:2021年x月x日书山有路勤为径,学海无涯苦作舟页码:第5页共75页山东省建设工程质量监督总站监制施工组织设计(施工方案)报审卡鲁SN—003.2送审报告工程施工组织设计(施工方案)编制完毕并按单位内部要求审批完毕.今报上,请批示。申报单位:滨海建安工程有限公司(公章)年月日审批结论同意按该施工方案实施。请施工单位在施工过程中严格执行。批准单位:监理(建设)单位:同信工程监理公司(公章)监理专业工程师(建设单位项目专业负责人):李秀佟第6页共75...

1、当您付费下载文档后,您只拥有了使用权限,并不意味着购买了版权,文档只能用于自身使用,不得用于其他商业用途(如 [转卖]进行直接盈利或[编辑后售卖]进行间接盈利)。
2、本站所有内容均由合作方或网友上传,本站不对文档的完整性、权威性及其观点立场正确性做任何保证或承诺!文档内容仅供研究参考,付费前请自行鉴别。
3、如文档内容存在违规,或者侵犯商业秘密、侵犯著作权等,请点击“违规举报”。

碎片内容

第六部分建筑给排水及采暖工程施工技校资料核查表

精品中小学资料+ 关注
实名认证
内容提供者

精品文档

确认删除?
VIP
微信客服
  • 扫码咨询
会员Q群
  • 会员专属群点击这里加入QQ群
客服邮箱
回到顶部