电脑桌面
添加小米粒文库到电脑桌面
安装后可以在桌面快捷访问

第六节机械加工工艺过程基本概念VIP免费

第六节机械加工工艺过程基本概念_第1页
1/11
第六节机械加工工艺过程基本概念_第2页
2/11
第六节机械加工工艺过程基本概念_第3页
3/11
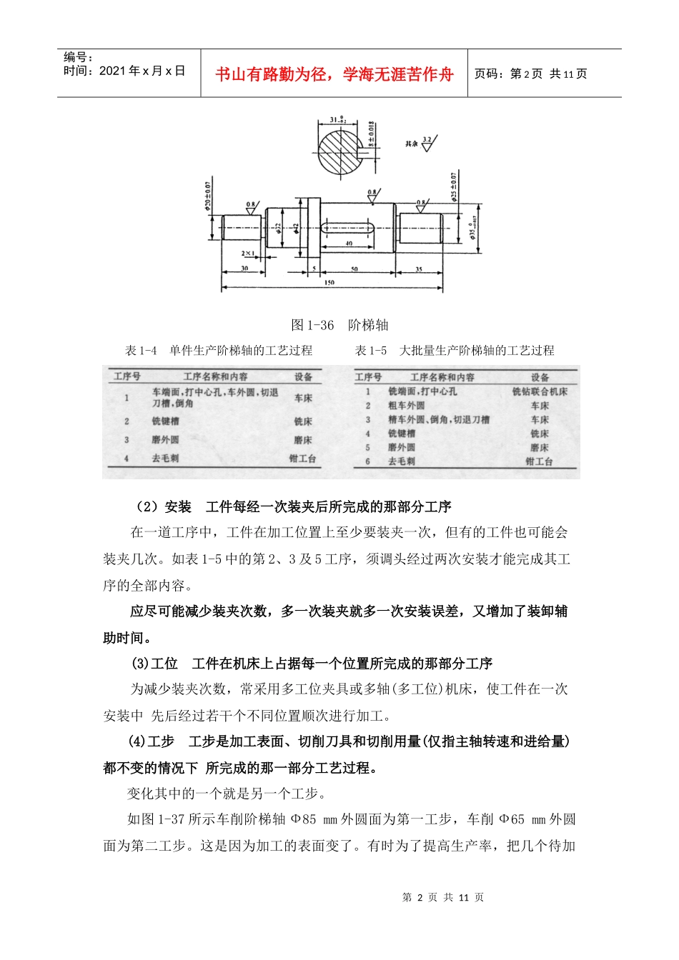
第1页共11页编号:时间:2021年x月x日书山有路勤为径,学海无涯苦作舟页码:第1页共11页第六节机械加工工艺过程基本概念一、工艺过程的基本概念1.生产过程和工艺过程生产过程:由原材料制成各种零件并装配成机器的全过程。其中包括原材料的运输、保管、生产准备、制造毛坯、切削加工、装配、检验及试车、油漆和包装等。工艺过程:在生产过程中,直接改变生产对象的形状、尺寸、表面质量、性质及相对位置等,使其成为成品或半成品的过程。如毛坯的制造(包括铸造工艺、锻压工艺、焊接工艺等)、机械加工、热处理和装配等。工艺过程是生产过程的核心组成部分。机械加工工艺过程:采用机械加工的方法按一定顺序直接改变毛坯的形状、尺寸及表面质量,使其成为合格零件的工艺过程。它是生产过程的重要内容。2.机械加工工艺过程的组成零件的机械加工工艺过程由许多工序组合而成,每个工序又可分为若干个安装、工位、工步和走刀。(1)工序工序是机械加工工艺过程的基本单元,是指由一个或一组工人在同一台机床或同一个工作地,对一个或同时对几个工件所连续完成的那一部分工艺过程。工作地、工人、工件与连续作业构成了工序的四个要素,若其中任一要素发生变更,则构成了另一道工序。一个工艺过程需要包括哪些工序,是由被加工零件的结构复杂程度、加工精度要求及生产类型所决定的。如图1-36所示的阶梯轴,因不同的生产批量,就有不同的工艺过程及工序,如表1-4与表1-5所列。第2页共11页第1页共11页编号:时间:2021年x月x日书山有路勤为径,学海无涯苦作舟页码:第2页共11页图1-36阶梯轴表1-4单件生产阶梯轴的工艺过程表1-5大批量生产阶梯轴的工艺过程(2)安装工件每经一次装夹后所完成的那部分工序在一道工序中,工件在加工位置上至少要装夹一次,但有的工件也可能会装夹几次。如表1-5中的第2、3及5工序,须调头经过两次安装才能完成其工序的全部内容。应尽可能减少装夹次数,多一次装夹就多一次安装误差,又增加了装卸辅助时间。(3)工位工件在机床上占据每一个位置所完成的那部分工序为减少装夹次数,常采用多工位夹具或多轴(多工位)机床,使工件在一次安装中先后经过若干个不同位置顺次进行加工。(4)工步工步是加工表面、切削刀具和切削用量(仅指主轴转速和进给量)都不变的情况下所完成的那一部分工艺过程。变化其中的一个就是另一个工步。如图1-37所示车削阶梯轴Ф85mm外圆面为第一工步,车削Ф65mm外圆面为第二工步。这是因为加工的表面变了。有时为了提高生产率,把几个待加第3页共11页第2页共11页编号:时间:2021年x月x日书山有路勤为径,学海无涯苦作舟页码:第3页共11页工表面用几把刀具同时加工,这也可看作一个工步,称为复合工步,如图1-38所示。图1-37车削阶梯轴图1-38复合工步(5)走刀在一个工步中,如果要切掉的金属层很厚,可分几次切削,每切削一次就称为一次走刀。如图1-37所示车削阶梯轴的第二工步中,就包含了两次走刀。3.生产纲领和生产类型(1)生产纲领生产纲领是指企业在计划期内应当生产的产品产量和进度计划。零件在计划期为一年的生产纲领N可按下式计算N=Qn(1+α)(1+β)式中:N—零件的年产量(件/年);Q—产品的年产量(台/年);n—每台产品中该零件的数量(件/台);α、β—备品率(%)和废品率(%)。当零件的生产纲领确定后,还要根据车间的情况按一定期限分批投产,每批投产的数量,称为生产批量。(2)生产类型根据生产纲领的大小和产品品种的多少,机械制造企业的生产可分为单件生产、成批生产和大量生产三种生产类型。1)单件生产:产品的种类多而同一产品的产量很小,工件地点的加工对象完全不重复或很少重复,例如重型机器、专用设备或新产品试制都属于单件生产。第4页共11页第3页共11页编号:时间:2021年x月x日书山有路勤为径,学海无涯苦作舟页码:第4页共11页2)成批生产:工作地点的加工对象,周期性地进行轮换。普通机床、纺织机械等的制造等多属此种生产类型。按照批量的大小,成批生产又可分为小批生产、中批生产和大批生产三种类型。3)大量生产:产品数量很大,大多数工作地点长期进行某一零件的某一道工序的加工。如汽车、轴承、自行车等的制造多属此...

1、当您付费下载文档后,您只拥有了使用权限,并不意味着购买了版权,文档只能用于自身使用,不得用于其他商业用途(如 [转卖]进行直接盈利或[编辑后售卖]进行间接盈利)。
2、本站所有内容均由合作方或网友上传,本站不对文档的完整性、权威性及其观点立场正确性做任何保证或承诺!文档内容仅供研究参考,付费前请自行鉴别。
3、如文档内容存在违规,或者侵犯商业秘密、侵犯著作权等,请点击“违规举报”。

碎片内容

第六节机械加工工艺过程基本概念

精品中小学资料+ 关注
实名认证
内容提供者

精品文档

确认删除?
VIP
微信客服
  • 扫码咨询
会员Q群
  • 会员专属群点击这里加入QQ群
客服邮箱
回到顶部