电脑桌面
添加小米粒文库到电脑桌面
安装后可以在桌面快捷访问

浅析会计差错的类型VIP免费

浅析会计差错的类型_第1页
1/15
浅析会计差错的类型_第2页
2/15
浅析会计差错的类型_第3页
3/15
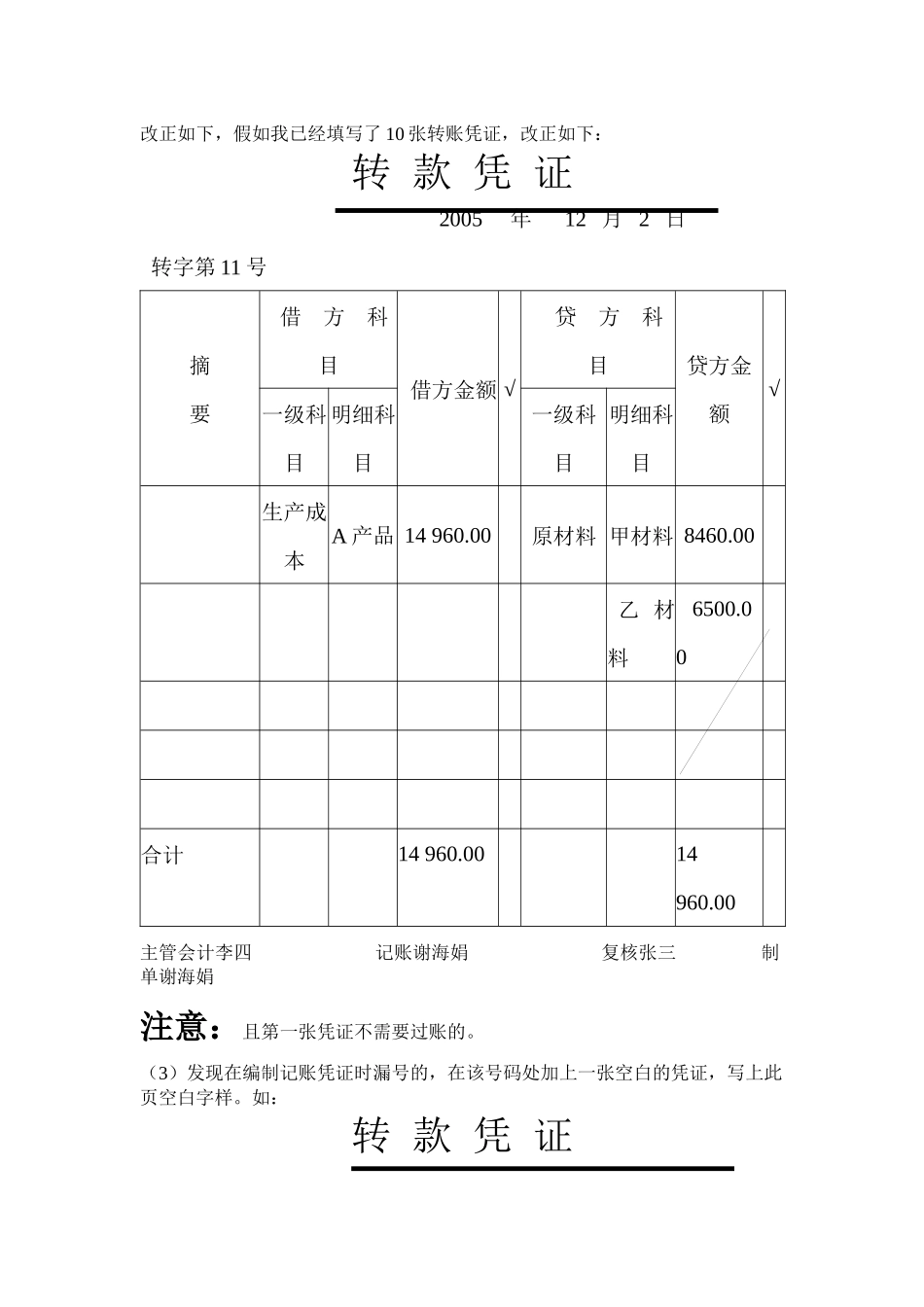
会计差错的类型1、过账前发现会计凭证错误:(1)逐笔过账的情况下,发现错误的话,直接撕掉,重新填写一张(2)如果是定期过账的,在发现错误的时候,如果在该张记账凭证的后面已经填写了其他的凭证的话,可以在该张凭证上写上注销字样,在需要填制的凭证种类的后面填写一张正确的凭证。例如:对于资料的第三笔业务,如果编制的凭证是如下格式转款凭证2005年12月2日转字第1号摘要借方科目借方金额√贷方科目贷方金额√一级科目明细科目一级科目明细科目制造费用14960.00原材料甲材料8460.00乙材料6500.00合计14960.0014960.00主管会计李四记账谢海娟复核张三制单谢海娟作废改正如下,假如我已经填写了10张转账凭证,改正如下:转款凭证2005年12月2日转字第11号摘要借方科目借方金额√贷方科目贷方金额√一级科目明细科目一级科目明细科目生产成本A产品14960.00原材料甲材料8460.00乙材料6500.00合计14960.0014960.00主管会计李四记账谢海娟复核张三制单谢海娟注意:且第一张凭证不需要过账的。(3)发现在编制记账凭证时漏号的,在该号码处加上一张空白的凭证,写上此页空白字样。如:转款凭证2005年12月2日转字第1号摘要借方科目借方金额√贷方科目贷方金额√一级科目明细科目一级科目明细科目生产成本A产品14960.00原材料甲材料8460.00乙材料6500.00合计14960.0014960.00主管会计李四记账谢海娟复核张三制单谢海娟转款凭证2005年12月5日转字第2号摘要借方科目借方金额√贷方科目贷方金额√一级科目明细科目一级科目明细科目管理费用850.00其他应收款李明850.00合计850.00850.00主管会计李四记账谢海娟复核张三制单谢海娟转款凭证2005年12月6日转字第4号摘要借方科目借方金额√贷方科目贷方金额√一级科目明细科目一级科目明细科目生产成本B产品16500.00√原材料乙材料6500.00√丙材料10000.00√附单据1张合计16500.0016500.00主管会计李四记账谢海娟复核张三制单谢海娟改正如下:转款凭证2005年12月2日转字第1号摘要借方科目借方金额√贷方科目贷方金额√一级科目明细科目一级科目明细科目生产成本A产品14960.00原材料甲材料8460.00乙材料6500.00合计14960.0014附单据1张960.00主管会计李四记账谢海娟复核张三制单谢海娟转款凭证2005年12月5日转字第2号摘要借方科目借方金额√贷方科目贷方金额√一级科目明细科目一级科目明细科目管理费用850.00其他应收款李明850.00合计850.00850.00主管会计李四记账谢海娟复核张三制单谢海娟转款凭证2005年12月5日转字第3号摘借方科借方金√贷方科贷方金√附单据1张要目额目额一级科目明细科目一级科目明细科目合计主管会计李四记账谢海娟复核张三制单谢海娟转款凭证2005年12月6日转字第4号摘要借方科目借方金额√贷方科目贷方金额√一级科目明细科目一级科目明细科目生产成本B产品16500.00√原材料乙材料6500.00√丙材10√附单据1张此页空白附单据1张料000.00合计16500.0016500.00主管会计李四记账谢海娟复核张三制单谢海娟2、过账后发现会计凭证错误,错误的种类分为如下几种情况:1)过账后,发现(1)记账凭证上除了会计分录之外的其他内容书写出错,例如摘要、日期等,以及上在账页中发现日期、摘要、凭证的类和号写错的,采用红字更正,即在错字的上面画单红线,在该字的上方写上正确的,并签名或者盖章。(2)记账凭证正确,但是在过入账簿时,金额出错的,采用红字更正,即在错误的金额上面画单红线,在该金额的上方写上正确的,并签名或者盖章2)过账后发现,(1)记账凭证填写错误,仅仅是金额错误且是少计了金额;(2)发现之前漏记了业务。这种情况下,采用补充登记。例1:我在做完第七笔业务后,发现第三笔业务漏记了。改正的方法如下,由于第三笔业务需要登记转账凭证,此时已经登记两张转账凭证,就顺着在第二张记账凭证之后填写一张记账凭证,即:转款凭证2005年12月6日转字第3号摘要借方科目借方金额√贷方科目贷方金额√一级科目明细科目一级科目明细科目生产成本A产品14960.00原材料甲材料8460.00乙材料6500.00合计14960.0014960.00主管会计李四记账谢海娟复核张三制单谢海娟注意:然后过账3)过账后,发现(1)之前对于一...

1、当您付费下载文档后,您只拥有了使用权限,并不意味着购买了版权,文档只能用于自身使用,不得用于其他商业用途(如 [转卖]进行直接盈利或[编辑后售卖]进行间接盈利)。
2、本站所有内容均由合作方或网友上传,本站不对文档的完整性、权威性及其观点立场正确性做任何保证或承诺!文档内容仅供研究参考,付费前请自行鉴别。
3、如文档内容存在违规,或者侵犯商业秘密、侵犯著作权等,请点击“违规举报”。

碎片内容

浅析会计差错的类型

海纳百川+ 关注
实名认证
内容提供者

热爱教学事业,对互联网知识分享很感兴趣

确认删除?
VIP
微信客服
  • 扫码咨询
会员Q群
  • 会员专属群点击这里加入QQ群
客服邮箱
回到顶部