电脑桌面
添加小米粒文库到电脑桌面
安装后可以在桌面快捷访问

暖通毕设正文VIP专享VIP免费

暖通毕设正文_第1页
1/62
暖通毕设正文_第2页
2/62
暖通毕设正文_第3页
3/62
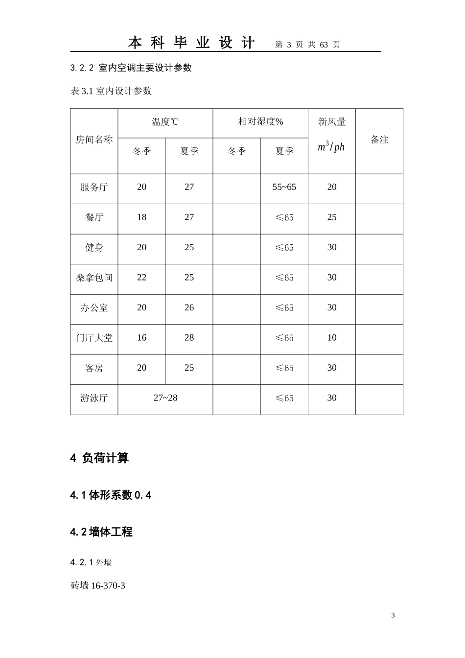
本科毕业设计第1页共63页1引言毕业设计是工科大学培养学生的最后一个教学环节,是对四年所学知识的一次全面总结,是把理论知识应用于实践工程的一次很好的锻炼。在毕业设计中除了要熟练掌握大学四年所学的理论知识外,还要熟习和掌握国家有关的建设方针政策,综合运用所学的基础理论和专业知识,联系实际来解决工程设计问题。通过毕业设计,明确设计程序,设计内容及各设计阶段的目的要求和各工种间的必要配合。2设计要求:2.1初步设计学生接受设计任务后,熟习土建图纸与原始资料,查阅和收集资料,对设计对象选择多种空调方式,经过综合比较后,最后选定一种较好的方案。根据有关设计规范及概算指标,对冷热负荷进行初步估算,并确定送、排风方式。2.1施工图设计2.1.1设计计算⑴计算室内冷、热、湿负荷;⑵确定设计方案。包括系统划分、空气处理过程设计、计算总冷量、总热量、总风量;⑶根据冷量和风量确定选用空气处理设备;⑷全年运行工况调节分析;⑸确定室内气流组织形式,进行气流组织计算;⑹进行系统风道布置及管道水力计算;⑺系统消声减振设计;1本科毕业设计第2页共63页⑻系统防排烟及保温设计;⑼对土建、水、电、动力专业的要求;⑽设计总结。2.1.2绘图图纸应包括首页图、空调系统布置平面图、系统图、大样图、机房布置平面图系统图、大样图。3设计任务及依据3.1工程概况本设计对象为石家庄市某综合大厦,大厦主要有:办公室,会议室,多功能厅等。其中地下二层地上十六层,预计将机房布置于地下二层。工程位于石家庄市,海拔44.9m。总空调面积为17873m2。本工程空调设计的任务包括本楼的中央空调系统的设计及通风设计。本中央空调系统设计要求能够实现夏季供冷和冬季供热,并能满足人体的舒适性要求。3.2设计依据3.2.1石家庄市室外空调设计参数气象参数为:夏季:大气压:101kpa室外日平均温度:29.7℃室外计算日温差:7.3℃室外干球温度:35.1℃室外湿球温度:26.6℃冬季:大气压:101.99kpa采暖计算温度:0℃空调计算温度:-3℃相对湿度:51.6%室外平均风速:1.8m/s2本科毕业设计第3页共63页3.2.2室内空调主要设计参数表3.1室内设计参数房间名称温度℃相对湿度%新风量m3/ph备注冬季夏季冬季夏季服务厅202755~6520餐厅1827≤6525健身2025≤6530桑拿包间2225≤6530办公室2026≤6530门厅大堂1628≤6510客房2025≤6530游泳厅27~28≤65304负荷计算4.1体形系数0.44.2墙体工程4.2.1外墙砖墙16-370-33本科毕业设计第4页共63页材料名称厚度mm干密度kg/m3导热系数W/(m.K)比热容kJ/(kg.K)导热系数修正热阻(㎡.K)/W水泥砂浆抹灰2018000.930.8410.02砖墙37018000.810.8810.42防潮层56000.171.4710脲醛泡沫塑料30200.051.4710.02隔汽层56000.171.4710木丝板254000.162.0910.01白灰粉刷2016000.810.8410.02各层之和475--------0.51传热系数K0.66做法编号做法名称砖墙16-370-3传热系数W/(㎡K)0.66标准限值未确定4本科毕业设计第5页共63页是否符合标准要求符合4.2.1内墙加气混凝土板(008001)材料名称厚度mm干密度kg/m3导热系数W/(m.K)比热容kJ/(kg.K)导热系数修正热阻(㎡.K)/W水泥砂浆2018000.930.8410.02加气混凝土泡沫混凝土7001007000.220.8410.12水泥砂浆2018000.930.8410.02各层之和140--------0.17传热系数K1.5做法编号做法名称加气混凝土板(008001)传热系数W/(㎡K)1.5标准限值未确定是否符合标准要求符合4.2.2屋面工程4.2.2.1屋顶非上人加气混凝土砌块100-聚苯板50材料名称厚度mm干密度kg/m3导热系数W/(m.K)比热容kJ/(kg.K)导热系数修正热阻(㎡.K)/W混凝土板20300.031.381000.01架空层2001.160.951.11000.18防水层56000.181.47100015厚水泥砂浆找平层1518000.930.8410.02最薄30厚轻集料混凝土找坡层30300.031.3820.02加气混凝土砌块5001005000.210.8410.125本科毕业设计第6页共63页聚苯板50300.042.092.70.02钢筋混凝土屋面板200100010.8810.23各层之和620--------0.61传热系数K0.55做法编号做法名称非上人加气混凝土砌块100-聚苯板50传热系数W/(㎡K)0.55标准限值未确定是否符合标准要求符合4.2.3楼地面工程4.2,3,1楼板楼面-38材料名称厚度mm干密度kg/m3导热系数W/(m.K)比...

1、当您付费下载文档后,您只拥有了使用权限,并不意味着购买了版权,文档只能用于自身使用,不得用于其他商业用途(如 [转卖]进行直接盈利或[编辑后售卖]进行间接盈利)。
2、本站所有内容均由合作方或网友上传,本站不对文档的完整性、权威性及其观点立场正确性做任何保证或承诺!文档内容仅供研究参考,付费前请自行鉴别。
3、如文档内容存在违规,或者侵犯商业秘密、侵犯著作权等,请点击“违规举报”。

碎片内容

暖通毕设正文

确认删除?
VIP
微信客服
  • 扫码咨询
会员Q群
  • 会员专属群点击这里加入QQ群
客服邮箱
回到顶部