电脑桌面
添加小米粒文库到电脑桌面
安装后可以在桌面快捷访问

土木工程学院结构设计竞赛赛题VIP免费

土木工程学院结构设计竞赛赛题_第1页
1/9
土木工程学院结构设计竞赛赛题_第2页
2/9
土木工程学院结构设计竞赛赛题_第3页
3/9
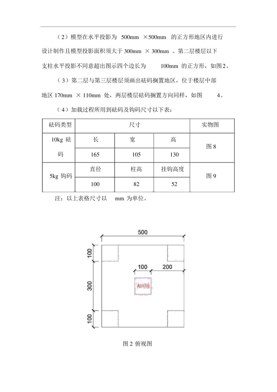
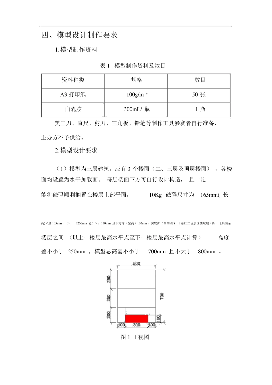
2019年土木匠程学院构造设计比赛赛题一一、比赛题目纸质多层建筑模型构造设计二、赛题背景三层房子作为现在建筑的一大广泛形式,拥有极大的构造改良空间。本次院赛以三层房子为模拟对象,成立纸质三层模型,观察模型在静荷载及竖向突加荷载下的承载能力,高学生的空间构造设计能力和模型制作技巧。锻炼学生的着手能力,提三、比赛要求1.参赛对象中南大学土木安全类队则不行参加赛题一)。2019级重生(若大一起学与高年级同学组2.参赛要求(1)每个参赛队由1至3名在校整日制学生构成,每位参赛选手只同意加入一个参赛队,参加多个参赛队的选手一经发现将撤消其比赛资格。各队独立设计、制作,每个参赛队提交一份作品。(2)各参赛队一定在规准时间以内达成构造模型制作。模型制作达成,风干以后进行现场加载实验。四、模型设计制作要求1.模型制作资料表1模型制作资料及数目资料种类A3打印纸白乳胶规格100g/m2300mL/瓶数目50张1瓶美工刀、直尺、剪刀、三角板、铅笔等制作工具参赛者自行准备,主办方不予供给。2.模型设计要求(1)模型为三层建筑,应有3个楼面(二、三层及顶层楼面),各楼面均设置为水平加载面。每层楼面下方可自行设计构造,且一定能将砝码顺利搁置在楼层上部平面,10Kg砝码尺寸为165mm(长高)×度105mm不小于(200mm宽)×,130mm且下方净(空高)100mm,实物如(图如图8。1第红二色层区楼域层)距,地其面余楼层之间(以上一楼层最高水平点至下一楼层最高水平点计算)高度差不小于250mm,模型总高需不小于700mm且不大于800mm。图1正视图(2)模型在水平投影为500mm×500mm的正方形地区内进行设计制作且模型投影面积须大于300mm×300mm。第二层楼层以下支柱水平投影不同意超出图示四个边长为100mm的正方形,如图2。(3)第二层与第三层楼层须画出砝码搁置地区,位于楼层中部地区170mm×110mm处,两层楼层砝码搁置方向同样,如图4。(4)加载过程所用到砝码及钩码尺寸以下表:砝码类型10kg砝尺寸长宽实物图高图8130挂钩高度图952码165直径105柱高5kg钩码100注:以上表格尺寸以82mm为单位。图2俯视图图3模型立体图图4砝码搁置地区3.模型制作要求(1)模型总质量不超出1000g;(2)模型制作一定使用主办方所发放资料,加载达成的模型不可以带走,须拆卸检查使用资料能否切合赛题规范;(3)模型要求设计成构造(几何不变系统),不同意将模型设计为机构(几何可变系统)。五、加载流程1.建筑模型尺寸检测模型需依据给定尺寸进行设计制作,各处偏差需控制在±5mm以内,不然不予加载。净空检测:用标准净空模块(495mm×295mm×95mm)沿纵向(x方向)及横向(y方向)穿越模型第二层下部,如不可以经过,则模型视为不合格。2.建筑模型称重模型需在加载前称量并记录模型质量.3.模型加载参赛组队员将模型搁置于加载台上,调整模型使三级加载钩码水平投影处于A地区中。加载共分为三级,该过程中工作人员监察并记录,不参加砝码加载。砝码从加载计时开始到所有加载过程结束,不得取下、改换,也不得调整砝码、模型地点,不然将直接撤消其加载成绩。第一级加载:将10kg砝码放在建筑模型第二层的指定地点,在砝码搁置完成一级加载中砝码搁置过程参赛选手可用手固定住模型,后开始计时,若模型在15秒内保持稳固则视为该级加载成功,即可进行下一级加载;第二级加载:将10kg砝码放在建筑模型第三层的指定地点,砝码搁置完成后开始计时,若模型在15秒内保持稳固则视为该级加载成功,即可进行下一级加载;第三级加载:5kg钩码处于竖直管道中(经过铁片承载),此时钩码距离地面标高1400mm。第一、二级加载达成后,选手拉出铁片,A地区(如图2),待钩码稳固后开始计时,若钩码冲击最高层楼层模型在15秒内保持稳固则视为该级加载成功,至此所有加载完成。加载装置图解以下:图5加载装置正视图图6加载装置侧视图图7加载装置俯视图图810kg砝码图95kg钩码4.计时准则从选手搁置砝码后,所有参赛选手完好放手时刻开始计时。5.模型无效判断准则加载过程中,出现以下任一情况则判断为加载失败,该模型不可以持续加载,并将上一级加载级别视为该模型所经过的最高加载级别。(1)模型尺寸及资...

1、当您付费下载文档后,您只拥有了使用权限,并不意味着购买了版权,文档只能用于自身使用,不得用于其他商业用途(如 [转卖]进行直接盈利或[编辑后售卖]进行间接盈利)。
2、本站所有内容均由合作方或网友上传,本站不对文档的完整性、权威性及其观点立场正确性做任何保证或承诺!文档内容仅供研究参考,付费前请自行鉴别。
3、如文档内容存在违规,或者侵犯商业秘密、侵犯著作权等,请点击“违规举报”。

碎片内容

土木工程学院结构设计竞赛赛题

您可能关注的文档

确认删除?
VIP
微信客服
  • 扫码咨询
会员Q群
  • 会员专属群点击这里加入QQ群
客服邮箱
回到顶部