电脑桌面
添加小米粒文库到电脑桌面
安装后可以在桌面快捷访问

橡胶坝安装单元工程工程质量评定表VIP免费

橡胶坝安装单元工程工程质量评定表_第1页
1/11
橡胶坝安装单元工程工程质量评定表_第2页
2/11
橡胶坝安装单元工程工程质量评定表_第3页
3/11
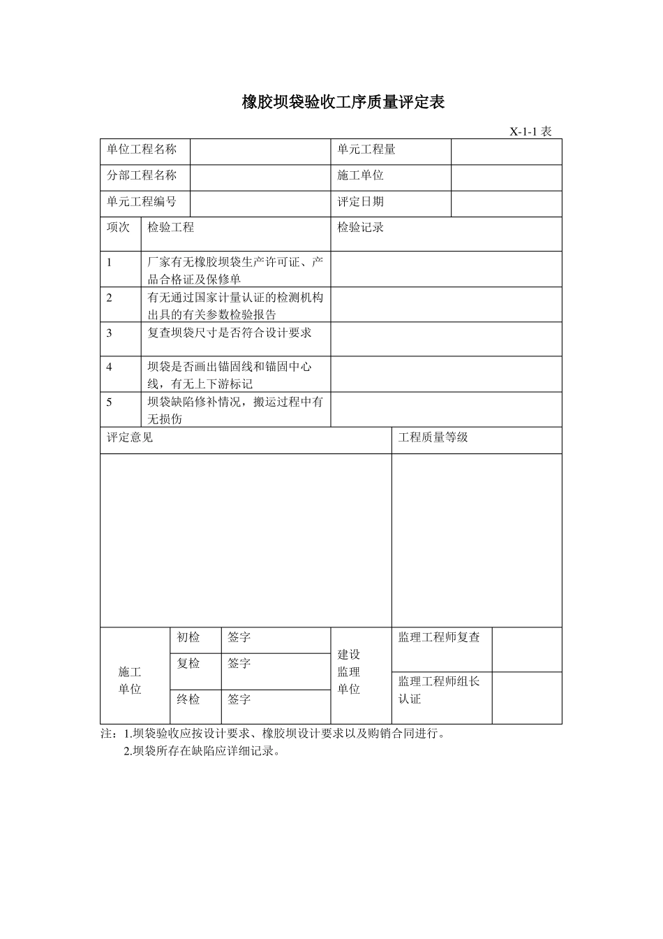
橡胶坝安装单元工程质量评定表X-1表单位工程名称分部工程名称单元工程编号项次1234单元工程量施工单位评定日期工序质量等级单元工程质量等级工序名称坝袋验收工序底板、中墩、岸墙、楔块及锚固槽检验工序管道检验工序坝袋安装及检验工序评定意见施工单位初检复检终检签字签字签字建设监理单位监理工程师复查监理工程师组长认证注:1.单元工程划分:一条坝袋安装划为一个单元工程。2.单元工程质量评定:在上述四项全部到达合格的根底上,凡坝袋验收、坝袋安装与检验两项到达优良,并其余二项有任一项到达优良,该单元工程评为优良,否那么只能评为合格。橡胶坝袋验收工序质量评定表X-1-1表单位工程名称分部工程名称单元工程编号项次12345单元工程量施工单位评定日期检验记录工程质量等级检验工程厂家有无橡胶坝袋生产许可证、产品合格证及保修单有无通过国家计量认证的检测机构出具的有关参数检验报告复查坝袋尺寸是否符合设计要求坝袋是否画出锚固线和锚固中心线,有无上下游标记坝袋缺陷修补情况,搬运过程中有无损伤评定意见施工单位初检复检终检签字签字签字建设监理单位监理工程师复查监理工程师组长认证注:1.坝袋验收应按设计要求、橡胶坝设计要求以及购销合同进行。2.坝袋所存在缺陷应详细记录。底板、中墩、岸墙、楔块及锚固槽检验工序X-1-2表单位工程名称分部工程名称单元工程编号项次1项次123质量标准符合设计要求不平整度〔2M直尺检查〕单元工程量施工单位评定日期检验记录实测值检验工程楔块、底板、中墩及岸墙砼的强度检测工程坝袋与底板接触部位与中墩、岸墙接触部位楔块尺寸尺寸误差锚固槽尺寸不平整度合格数〔点〕合格率〔%〕<3mm<4mm符合设计要求<±2mm符合设计要求<2mm4检测结果评定意见共检测点,其中合格点,合格率%工程质量等级施工单位初检复检终检签字签字签字建设监理单位监理工程师复查监理工程师组长认证注:1.检测数量:中墩、岸墙和任选三块底板,检测网格为2.0×2.0m2,每个网格测一点。2.锚固槽的上下游及内侧边缘线每三米检测一点。3.楔块尺寸抽检10﹪。管道检验工序质量评定表X-1-3表单位工程名称分部工程名称单元工程编号项次1234检验工程充排水口的位置与尺寸超压溢流孔的位置与尺寸测压管与通气孔的位置与尺寸充排管道评定意见单元工程量施工单位评定日期质量标准符合设计要求符合设计要求符合设计要求检验记录应畅通,无杂物,无渗漏工程质量等级施工单位初检复检终检签字签字签字建设监理单位监理工程师复查监理工程师组长认证注:1.充排管道有无渗漏现象,应通过压水实验来确定。坝袋安装与检验工序质量评定表X-1-4表单位工程名称分部工程名称单元工程编号项次12坝袋安装〔1〕坝袋及安装的密封性〔2〕锚固构件的状况〔3〕坝袋外观观察〔4〕坝袋变形观测〔5〕充排观测系统情况34〔1〕坝袋外观观察〔2〕挡水高度检验工程单元工程量施工单位评定日期质量标准按安装程序进行不漏水不变位坝袋应平顺,局部无凹凸形态三个断面9个点符合设计精度要求符合设计要求检验记录工程质量等级充水检查后,排除坝袋内水体,重新紧固锚固件情况评定意见施工单位初检复检终检签字签字签字建设监理单位监理工程师复查监理工程师组长认证注:1.坝袋具体安装必须在前三个工序检验合格后才能进行。2.有条件时应做挡水试验。坝袋尺寸检验表表1单位工程名称坝袋编号工程标准生产厂家检测时间上下游实际厚度合格点数合格率〔%〕坝袋总厚度mm8mm上下彩色胶厚度mm面胶厚度mm包括彩胶≥2.5mm≥1mm上下上下底胶厚度mm≥2mm上下海面胶厚度mm垫平片厚度mm堵头尺寸≥8mm≥8mmH=2500+700S1=439S=443n=323x=147坝袋尺寸L中=L上锚=L下锚=评定意见左右实际尺寸HHS1S1L中=L上=L下=质量等级SSnnxx乙方设代签字签字监理业主签字签字注:质量评定:1.检测点10个。2.长度尺寸为负误差为不合格。3.厚度误差控制在20%内为合格。4.合格率≥90%为优良,≥80%为合格。坝袋各幅缺陷统计表表2单位工程名称坝袋编号幅数设计尺寸S1+700S+7001生产厂家检测时间实测尺寸余缺情况缺陷个数单幅质评23456评定意见质量等级乙方签字监理签字设代签字业主签字注:质量评定:1.缺陷包括气穴、脱胶...

1、当您付费下载文档后,您只拥有了使用权限,并不意味着购买了版权,文档只能用于自身使用,不得用于其他商业用途(如 [转卖]进行直接盈利或[编辑后售卖]进行间接盈利)。
2、本站所有内容均由合作方或网友上传,本站不对文档的完整性、权威性及其观点立场正确性做任何保证或承诺!文档内容仅供研究参考,付费前请自行鉴别。
3、如文档内容存在违规,或者侵犯商业秘密、侵犯著作权等,请点击“违规举报”。

碎片内容

橡胶坝安装单元工程工程质量评定表

您可能关注的文档

确认删除?
VIP
微信客服
  • 扫码咨询
会员Q群
  • 会员专属群点击这里加入QQ群
客服邮箱
回到顶部