电脑桌面
添加小米粒文库到电脑桌面
安装后可以在桌面快捷访问

全断面开挖施工工艺VIP免费

全断面开挖施工工艺_第1页
1/14
全断面开挖施工工艺_第2页
2/14
全断面开挖施工工艺_第3页
3/14
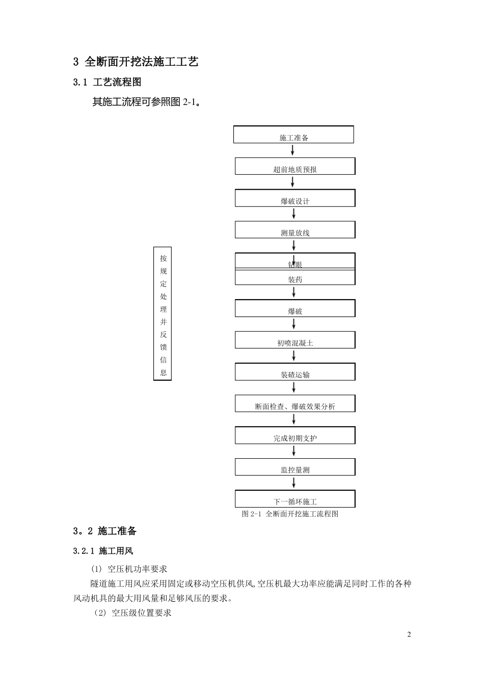
3-1-2全断面开挖施工工艺1前言1。1全断面开挖法定义全断面开挖是按照设计断面将隧道一次开挖成形,再施作衬砌的施工方法。1.2工艺特点(1)施工时应配备钻孔台车或台架及高效率机械设备以尽量缩短循环时间,各道工序应尽可能平行交叉作业,提高施工进度.(2)使用钻孔台车宜采用深孔钻爆,以提高开挖进尺。(3)初期支护应严格按照设计及时施作。1.3适应范围适用于隧道的Ⅰ~Ⅱ级围岩地段,Ⅲ级围岩开挖断面60m2以下的隧道或Ⅲ级围岩开挖断面60m2以上隧道采取了有效的预加固措施后,亦可采用全面开挖施断工工艺。全断面开挖施工工艺循环进尺必须根据隧道断面、围岩地质条件、机械设备能力、爆破振动限制、循环作业时间等情况合理确定。2质量检验标准(1)隧道开挖断面的中线和高程必须符合施工图要求。1).检查数量:每一开挖循环检查一次;2).检查方法:采用仪器测量。(2)、隧道开挖必须严格控制欠挖,当围岩完整、石质坚硬时,岩石个别突出部位(每1㎡不大于0。1㎡)侵入衬砌必须小于5cm,拱脚和墙脚以上1m内断面严禁欠挖。1)检查数量:每一开挖循环检查一次;2)检查方法:采用自动断面仪等仪器测量周边轮廓断面,绘断面图与施工图断面核对。(3)洞身开挖必须核对地质,在每一次开挖后及时观察、描述开挖面地层的层理、节理、裂隙的结构状况、岩体的软硬程度、出水量大小等,核对施工图地质情况,判断围岩稳定性。(4)光面爆破或预裂爆破钻孔眼,必须根据钻爆设计图准确标示出钻孔位置。钻孔时必须按钻爆设计要求严格控制钻孔的间距、深度和角度,掏槽眼的眼口间距和深度允许偏差为5cm。周边眼的间距允许偏差为5cm,外插角必须符合钻爆设计要求,孔底不得超出开挖断面轮廓线15cm。1)检查数量:每一开挖循环检查全部掏槽眼和10%周边眼;2)检查方法:测量。(5)光面爆破的钻孔痕迹保存率,硬岩不得小于80%,中硬岩不得小于60%,并在开挖轮廓面上均匀分布.1)检查数量:每一爆破开挖循环检查一次;2)检查方法:对照钻爆设计资料,观察、计数检验钻孔痕迹保存率。13全断面开挖法施工工艺3.1工艺流程图其施工流程可参照图2-1。下一循环施工图2-1全断面开挖施工流程图监控量测断面检查、爆破效果分析按规定处理并反馈信息装碴运输初喷混凝土爆破钻眼装药测量放线施工准备超前地质预报爆破设计完成初期支护3。2施工准备3.2.1施工用风(1)空压机功率要求隧道施工用风应采用固定或移动空压机供风,空压机最大功率应能满足同时工作的各种风动机具的最大用风量和足够风压的要求。(2)空压级位置要求2固定式空压机站应设在洞口附近,并靠近变电站,当有多个洞口须集中供风时,可选在适中位置,但应靠近用风量较大的洞口.空压机站应有具体的防水、降温和保温设施。移动式空压机可根据工作面掘进距离布置在洞口或洞内,但需要做好防护措施.(3)工作风压隧道工作面风压不应小于0。5MPa,高压凤管的直径应根据最大送风量、凤管长度、闸阀等条件计算确定。(4)凤管的安装和使用1)高压凤管及接头装置的材质必须符合相关标准规定;2)高压凤管应敷设平顺,接头严密,不漏风;3)在洞外地段,当凤管长度大于100m以内和温度变化较大时宜安装伸缩器,靠近空压机150m以内,凤管的法兰盘接头宜用石棉衬垫;4)长度大于1000m时,应在高压凤管最低处设置油水分离器,定时放出管中的积油和水;5)洞内高压凤管应敷设在电缆电线相对的一侧,凤管的前端至开挖面距离宜保持30~40m,并用分凤器(可自制)连接高压软凤管;6)各种闸阀在安装前应拆开清洗,阀门应进行水压强度试验,合格后方可使用;7)高压凤管在安装前应进行检查,当有裂纹、创伤、凹陷等现象不得使用,管内不得保留有残余物和其他赃物;8)高压凤管使用应有专人负责检查、养护。3.2.2施工用水(1)隧道施工供水方案的选择及设备的配置1)水源的水量应能满足工程和生活用水的需要。有高山自然水源时,应蓄水利用。水池高度应通过计算,并能满足洞内最大水压的要求;2)水池的容量应计算并有一定的储备量,满足洞内外集中用水的需要;3)采用机械抽水站供水时,应有备用的抽水机;4)工程和生活用水使用前必须经过水质鉴定。(2)工作面水压隧道工作面的...

1、当您付费下载文档后,您只拥有了使用权限,并不意味着购买了版权,文档只能用于自身使用,不得用于其他商业用途(如 [转卖]进行直接盈利或[编辑后售卖]进行间接盈利)。
2、本站所有内容均由合作方或网友上传,本站不对文档的完整性、权威性及其观点立场正确性做任何保证或承诺!文档内容仅供研究参考,付费前请自行鉴别。
3、如文档内容存在违规,或者侵犯商业秘密、侵犯著作权等,请点击“违规举报”。

碎片内容

全断面开挖施工工艺

您可能关注的文档

确认删除?
VIP
微信客服
  • 扫码咨询
会员Q群
  • 会员专属群点击这里加入QQ群
客服邮箱
回到顶部