电脑桌面
添加小米粒文库到电脑桌面
安装后可以在桌面快捷访问

光伏支架计算书VIP免费

光伏支架计算书_第1页
1/10
光伏支架计算书_第2页
2/10
光伏支架计算书_第3页
3/10
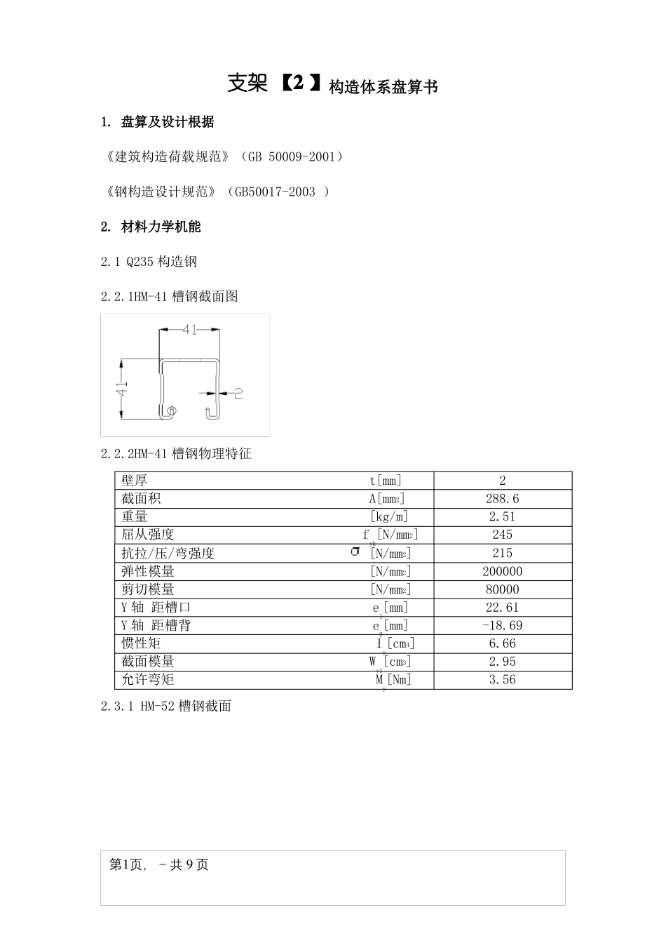
支架【2】构造体系盘算书1.盘算及设计根据《建筑构造荷载规范》(GB50009-2001)《钢构造设计规范》(GB50017-2003)2.材料力学机能2.1Q235构造钢2.2.1HM-41槽钢截面图2.2.2HM-41槽钢物理特征壁厚t[mm]截面积A[mm2]重量[kg/m]屈从强度fyk[N/mm2]抗拉/压/弯强度[N/mm2]弹性模量[N/mm2]剪切模量[N/mm2]Y轴距槽口e1[mm]Y轴距槽背e2[mm]惯性矩Iy[cm4]截面模量Wy1[cm3]允许弯矩My[Nm]2.3.1HM-52槽钢截面2288.62.512452152000008000022.61-18.696.662.953.56第1页,-共9页2.3.2HM-52物理特征壁厚t[mm]截面积A[mm2]重量[kg/m]屈从强度fyk[N/mm2]抗拉/压/弯强度[N/mm2]弹性模量[N/mm2]剪切模量[N/mm2]Y轴距槽口e1[mm]Y轴距槽背e2[mm]惯性矩Iy[cm4]截面模量Wy1[cm3]允许弯矩My[Nm]3.设计参数太阳能板支架为主次梁布置,次梁跨度2.1m,主梁跨度2.5m;柱高度0.675m,竖直度15度:次梁及柱采用表面热镀锌型材,本盘算书根据2×9(电池板)阵列进行盘算,盘算简图见图2.5405.23.532452152000008000026.00-26.0013.975.375.37第2页,-共9页根本风压值:w0=0.55KN/m根本雪压值:S0=0.3KN/m2电池板块(每块质量19.8kg,1640×990mm,)阵列2×9倾角:15°构造设计应用年限:25年4.荷载4.1恒载SGK=gk=19.8×10×cos15°/(1.640×0.99)=0.118KN/m24.2风荷载垂直于建筑物表面上的风荷载标准值,应按下述公式盘算:wk=z×s×z×w02式中:wk—风荷载标准值(KN/m2);z—高度z处的风振系数;s—风荷载体型系数;z—风压高度变化系数;w0—根本风压(KN/m2);风振系数z=1体型系数α=15°第3页,-共9页s1=-1.325s2=-0.525s3=1.325s4=0.535离地高度小于30m的C类地区,z取值1Wk(s1)=1×-1.325×1×0.55=-0.72875KN/m2Wk(s2)=1×0.525×1×0.55=-0.28875KN/m2Wk(s3)=1×1.325×1×0.55=0.72875KN/m2Wk(s4)=1×0.525×1×0.55=0.28875KN/m24.3雪荷载程度投影面上的雪荷载标准值,应按下式盘算:Sk=rSo体型系数r取值1(倾角15°)资估中给出根本雪压So取值0.3KPa得雪荷载值:Sk=1×0.3=0.3KN/m2荷载组合第4页,-共9页承载才能极限状况:1)S1=1.2恒+1.4*风(+)+0.7*1.4*雪2)S2=1.2恒+1.4*雪(+)+0.6*1.4*风3)S3=1.0恒+1.4风(-)4)S4=1.35恒正常应用极限状况5)S1=1.0恒+1.0风(+)1.0(雪)6)S2=1.0恒+1.0风(-)7)S3=1.0恒S=1.2SGK+1.4wk+1.4×0.7Sk=1.2×0.118+1.4×0.72875+1.4×0.7×0.3=1.456KN/m25.钢构造有限元剖析s3区承载力极限状况下最不利荷载为:S1=1.2恒+1.4*雪(+)+0.6*1.4*风==1.2×0.118+1.4×0.72875+1.4×0.7×0.3=1.456KN/m2第5页,-共9页梁均布线荷载1.456×1.64/2=1.19KN/ms4区承载力极限状况下最不利荷载为:S2=1.2恒+1.4*风(+)+0.6*1.4*雪=1.2×0.118+1.4×0.3+1.4×0.7×0.28875=0.84KN/m2梁均布线荷载0.84×1.64/2=0.69KN/m5.1有限元剖析采用SAP2000非线性版新建模子施加荷载运行剖析—后处理数据5.2次梁盘算采用C钢41*41进行校核5.2.1导轨截面:41*41*2*12100mm第6页,-共9页5.2.2导轨受力剖析图5.2.3受力剖析数据弯矩最大值:Mmax=0.313KN·m应力盘算第7页,-共9页max=Mmax/W=0.313×10/2.95×10=106.1MPa<知足应力强度前提.5.3主梁受力剖析5.3.1主梁截面41*52*2mm*3200mm3-6=215MPa5.3.2主梁受力剖析图第8页,-共9页5.3.3受力剖析数据弯矩最大值:Mmax=1.74KN·m应力盘算max=Mmax/W=0.761×103/5.37×10-6=141MPa<知足应力强度前提.5.4立柱受力剖析5.4.1立柱截面41*42*2*675mm=215MPa第9页,-共9页5.4.2立柱受力剖析图压应力=F2/Abeam=5.536×103/(288.6×10-6)=19.18MPa<215MPa知足应力强度前提.第10页,-共9页

1、当您付费下载文档后,您只拥有了使用权限,并不意味着购买了版权,文档只能用于自身使用,不得用于其他商业用途(如 [转卖]进行直接盈利或[编辑后售卖]进行间接盈利)。
2、本站所有内容均由合作方或网友上传,本站不对文档的完整性、权威性及其观点立场正确性做任何保证或承诺!文档内容仅供研究参考,付费前请自行鉴别。
3、如文档内容存在违规,或者侵犯商业秘密、侵犯著作权等,请点击“违规举报”。

碎片内容

光伏支架计算书

爱的疯狂+ 关注
实名认证
内容提供者

该用户很懒,什么也没介绍

确认删除?
VIP
微信客服
  • 扫码咨询
会员Q群
  • 会员专属群点击这里加入QQ群
客服邮箱
回到顶部