电脑桌面
添加小米粒文库到电脑桌面
安装后可以在桌面快捷访问

漏电火灾系统常见错误安装方式及漏电故障排查方式VIP免费

漏电火灾系统常见错误安装方式及漏电故障排查方式_第1页
1/8
漏电火灾系统常见错误安装方式及漏电故障排查方式_第2页
2/8
漏电火灾系统常见错误安装方式及漏电故障排查方式_第3页
3/8
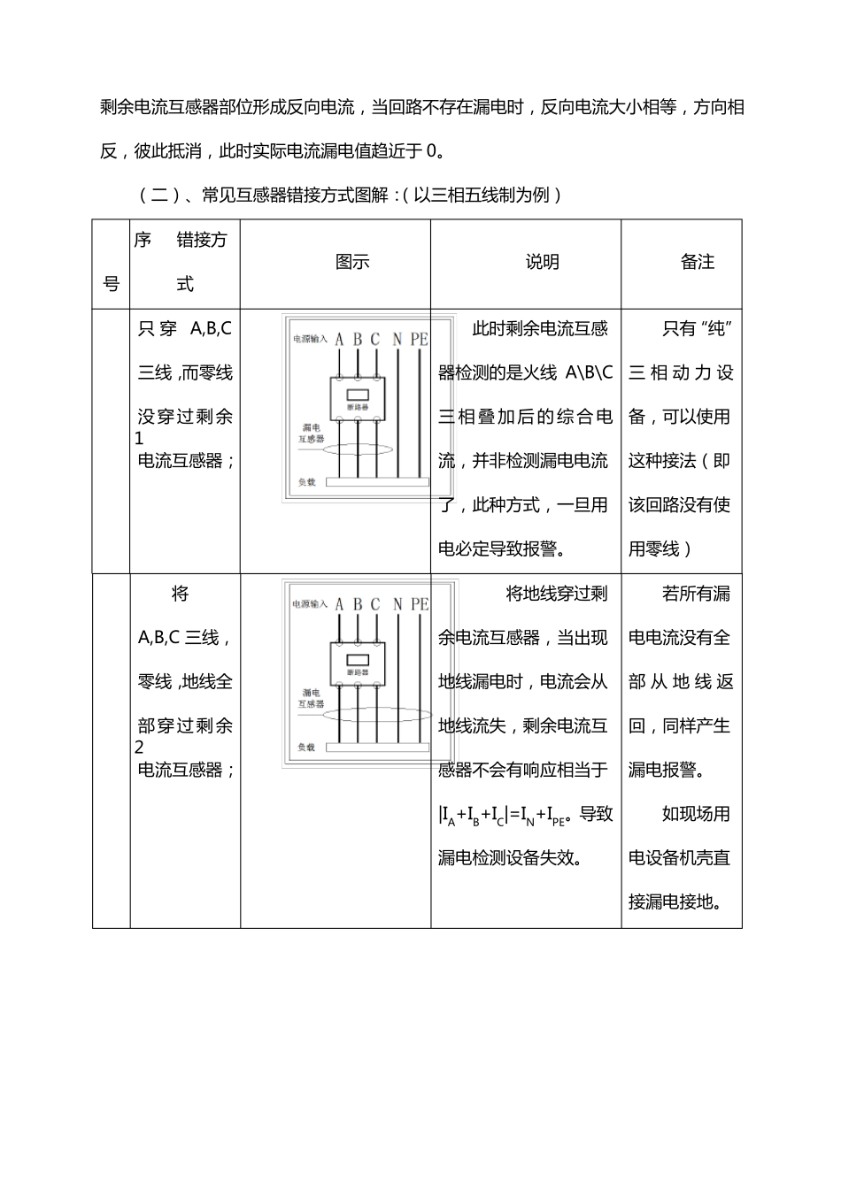
常见错误安装方式及漏电故障排查方式一、剩余电流式电气火灾监控器工作原理(一)、工作原理:由剩余电流互感器检测被测回路中的漏电电流,将信号上传至探测器,探测器发作声光报警,同时通过系统总线将传信号传送至系统主机,提示有漏电故障,主机具有自动记录,保留故障地址,时间,类型等功能,可方便工作人员操作查询。(二)、什么是漏电?漏电是用电设备外壳和市电火线间由于某种原因连通后和地之间有必然的电位差产生的。配电箱、配电柜三相五线制回路漏电:当A,B,C三相的综合电流与零线的电流叠加后为0,即平衡时不漏电;相反,叠加后不为0时为漏电。特别注意,三相火线本身不平等不会致使漏电(“纯”三相回路中,三相电流叠加值为0)。二、剩余电流互感器常见错误安装方式(一)、如何正确安装,连接互感器?一、在三相五线制回路中,三条火线和一条零线必需全数同向穿过剩余电流互感器(地线不得穿过互感器);二、在单相回路中,一条火线和一条零线必需全数同向穿过剩余电流互感器;3、在“纯”三相回路中,三条火线必需全数同向穿过剩余电流互感器;(注:零线即中性线,N线;地线即PE线,所有地线都不能穿过互感器)◆互感器正确安装方式如下图所示:注:电流形成的概念:高电动势流向低电动势,即火线通过用电设备流向零线。在剩余电流互感器部位形成反向电流,当回路不存在漏电时,反向电流大小相等,方向相反,彼此抵消,此时实际电流漏电值趋近于0。(二)、常见互感器错接方式图解:(以三相五线制为例)序号错接方式只穿A,B,C三线,而零线没穿过剩余1电流互感器;图示说明备注此时剩余电流互感只有“纯”器检测的是火线A\B\C三相动力设三相叠加后的综合电备,可以使用流,并非检测漏电电流这种接法(即了,此种方式,一旦用该回路没有使电必定导致报警。用零线)若所有漏将A,B,C三线,零线,地线全部穿过剩余2电流互感器;将地线穿过剩余电流互感器,当出现电电流没有全地线漏电时,电流会从部从地线返地线流失,剩余电流互回,同样产生感器不会有响应相当于漏电报警。|IA+IB+IC|=IN+IPE。导致漏电检测设备失效。如现场用电设备机壳直接漏电接地。三相四线中零线反向穿过剩余3电流互感器;此时,零线反向连任意接,在剩余电流互感器一线反向穿过部位形成同向电流叠都不可以,要加,实际电流值=2倍求全部同向穿|IA+IB+IC|=2倍IN。过剩余电流互感器。零线重复穿过剩余电流互感器;4零线一次穿过任意一时,形成1次电流,重线重复穿过都复穿过时,形成2次同不可以,要求向电流,两次相加后该全部一次同向零线产生的电流为2倍穿过剩余电流零线电流,计算得出:互感器。IN=2倍|IA+IB+IC|。三相四线制穿过剩余电流互感器后,再次5“重复接地”即总零线和总地线重复连接在一起;图一“错误”图二“正确”图一,重复接地,特殊场合PE地线为N零线分担要求“重复接了电流,本应从零线返地”,应在互感回的电流部分流向地器前端“重复线,导致不平衡。接地”如图二所示。设备回路中零线错6接在地线上,形成不平衡电流;用电设备跨接剩余电流互感器;设备零线错接到地线,在地线上形成回路电流,而没从零线返回。跨接后,用电设备的火线电流未流经互感器,零线电流从互感器返回。7串、篡箱接法,即非本柜的电缆、用电设备接到本柜;图一“错误”图二“正确”链路1、2、3接线必须用一方式错误,属串、篡箱级、二级接法接法。的情况,全部非本位电流被占接到剩余电流用,导致漏电。互感器的前往往这种接法在断端,如图二所掉三相火线后,零线还示。存在一定的电流。8线路破皮,搭接于布线管道,形成9对地漏电;故障点为零线搭在布线管道上,电流通过布线管道接地流失,导致漏电。零线无效接线;10剩余电流互感器并要求主零非零线穿过即可。此方线一次同向穿式做了形式上的连接,过互感器。实际该线没有任何用处。配电柜、1用电设备受1潮、淋水或电缆浸泡水中;使用一此种现象,均加大漏电电流。无21些陈旧设备,漏电系数大;此种设备,均加大无漏电电流。三、现场常见漏电故障排查方式(一)、常常利用工具:万用表或漏电钳形表(二)、肉眼排查方式:(检查被测回路二次接线方...

1、当您付费下载文档后,您只拥有了使用权限,并不意味着购买了版权,文档只能用于自身使用,不得用于其他商业用途(如 [转卖]进行直接盈利或[编辑后售卖]进行间接盈利)。
2、本站所有内容均由合作方或网友上传,本站不对文档的完整性、权威性及其观点立场正确性做任何保证或承诺!文档内容仅供研究参考,付费前请自行鉴别。
3、如文档内容存在违规,或者侵犯商业秘密、侵犯著作权等,请点击“违规举报”。

碎片内容

漏电火灾系统常见错误安装方式及漏电故障排查方式

爱的疯狂+ 关注
实名认证
内容提供者

该用户很懒,什么也没介绍

确认删除?
VIP
微信客服
  • 扫码咨询
会员Q群
  • 会员专属群点击这里加入QQ群
客服邮箱
回到顶部