电脑桌面
添加小米粒文库到电脑桌面
安装后可以在桌面快捷访问

物业管理动力量化考核操作指导书VIP免费

物业管理动力量化考核操作指导书_第1页
1/8
物业管理动力量化考核操作指导书_第2页
2/8
物业管理动力量化考核操作指导书_第3页
3/8
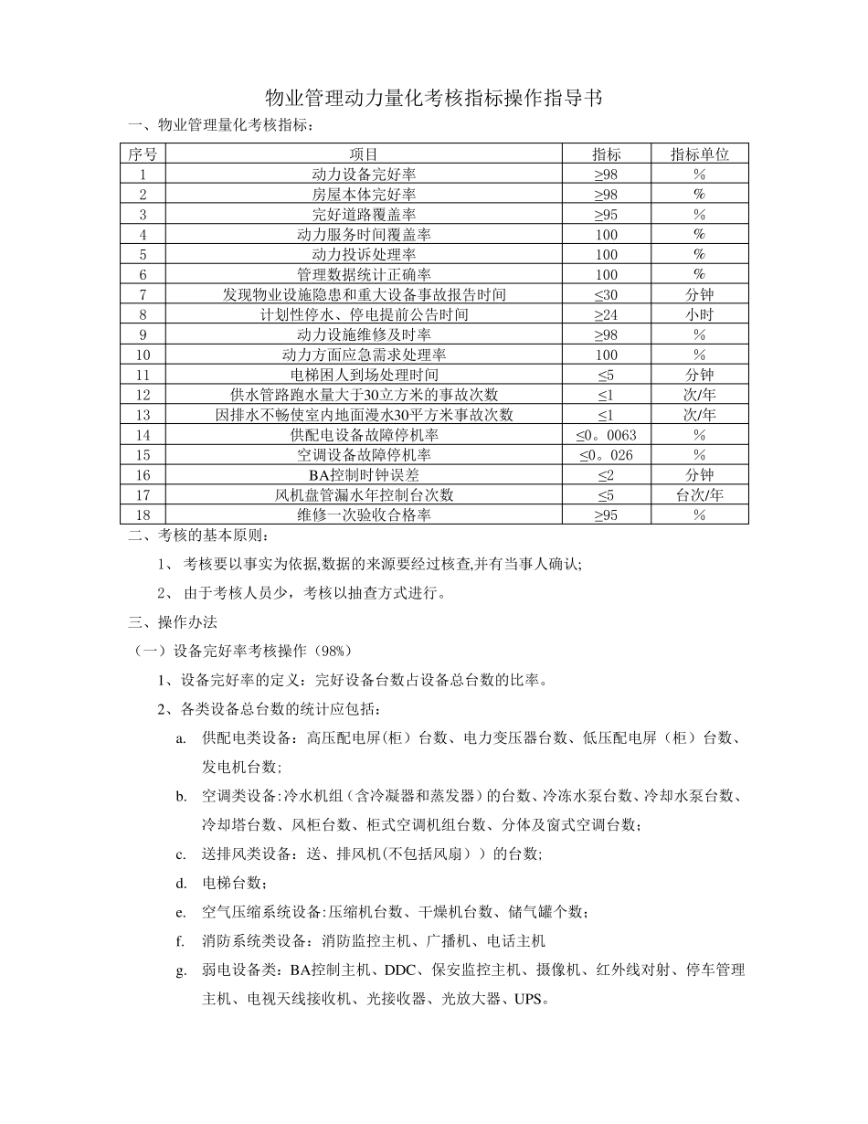
物业管理动力量化考核指标操作指导书一、物业管理量化考核指标:序号项目1动力设备完好率2房屋本体完好率3完好道路覆盖率4动力服务时间覆盖率5动力投诉处理率6管理数据统计正确率7发现物业设施隐患和重大设备事故报告时间8计划性停水、停电提前公告时间9动力设施维修及时率10动力方面应急需求处理率11电梯困人到场处理时间12供水管路跑水量大于30立方米的事故次数13因排水不畅使室内地面漫水30平方米事故次数14供配电设备故障停机率15空调设备故障停机率16BA控制时钟误差17风机盘管漏水年控制台次数18维修一次验收合格率二、考核的基本原则:指标≥98≥98≥95100100100≤30≥24≥98100≤5≤1≤1≤0。0063≤0。026≤2≤5≥95指标单位%%%%%%分钟小时%%分钟次/年次/年%%分钟台次/年%1、考核要以事实为依据,数据的来源要经过核查,并有当事人确认;2、由于考核人员少,考核以抽查方式进行。三、操作办法(一)设备完好率考核操作(98%)1、设备完好率的定义:完好设备台数占设备总台数的比率。2、各类设备总台数的统计应包括:a.供配电类设备:高压配电屏(柜)台数、电力变压器台数、低压配电屏(柜)台数、发电机台数;b.空调类设备:冷水机组(含冷凝器和蒸发器)的台数、冷冻水泵台数、冷却水泵台数、冷却塔台数、风柜台数、柜式空调机组台数、分体及窗式空调台数;c.送排风类设备:送、排风机(不包括风扇))的台数;d.电梯台数;e.空气压缩系统设备:压缩机台数、干燥机台数、储气罐个数;f.消防系统类设备:消防监控主机、广播机、电话主机g.弱电设备类:BA控制主机、DDC、保安监控主机、摄像机、红外线对射、停车管理主机、电视天线接收机、光接收器、光放大器、UPS。h.给排水系统设备:消防供水泵、生活用水供水泵、污水处理系统水泵3、设备完好的检查标准:不缺件,无异常运行噪音,不泄漏,设备性能不低于出厂标准的90%(使用5年以上的设备性能不低于出厂标准的80%)。4、操作方法:(1)由各物业管理处对自己辖区内现有的上述各类设备进行统计并列出分类清单,交片区监管人审核。(2)片区监管人与动力专业监管人共同审核确认基本数据.(3)专业监管人不定期对管理范围的设备(设施)进行抽查,每月对各区域不少于2次,发现设备(设施)不完好的情况,找物业管理处工程部沟通核实,并要求整改和记录情况,如果立即整改达到完好状态,不计入不完好指标,如果在要求的修复期内不能完成整改,计入考核期内不完好台次。(4)每月最后一天各专业人员统计当月不完好台次,报片区监管责任人和动力监管责任人,并抄报物业管理处工程部。(5)区域季度考核设备不完好台次为各专业统计各月的平均数总和。(6)区域季度设备完好率的计算:季度不完好设备月均总台次与区域设备的总数之比。(7)设备正在计划检修期内的不能列入不完好设备,但计划检修期外检查的,满足(3)条时应列入考核数据。(二)房屋本体完好率考核操作(98%)1、房屋本体完好率是指房屋建筑的梁、柱、墙、楼面(顶面和室内地面)、天花、门窗、各种建筑平台、通廊等日常需要维修保养部分的完好率,按表面积计算。即完好表面积占总表面积的比率.2、完好标准:表面完整、色彩一致符合设计要求、迎水面无泄露.外墙清洁问题不列入此项考核。3、操作方法:(1)由各物业管理处对自己辖区内现有的上述各房屋建筑按建筑材料分类进行统计并列出分类清单,交片区监管责任人审核。(2)片区监管责任人与动力专业监管人共同审核确认基本数据.(3)专业监管人不定期对管理范围的房屋建筑进行抽查,每月对各区域不少于2次,发现房屋建筑不完好的情况,找物业管理处工程部沟通核实,并要求整改和记录情况,如果立即整改达到完好状态,不计入不完好指标,如果在要求的修复期内不能完成整改,计入考核期内不完好面积.(4)每月最后一天专业人员统计当月不完好面积,报片区监管责任人和动力监管责任人,并抄报物业管理处工程部.(5)区域季度考核房屋建筑不完好面积为各分类统计各月的平均数总和。(6)区域季度设备完好率的计算:季度房屋建筑完好面积(总面积减去不完好面积)与区域房屋建筑的总数之比。(7)正在计划检修期内的不能列入不完...

1、当您付费下载文档后,您只拥有了使用权限,并不意味着购买了版权,文档只能用于自身使用,不得用于其他商业用途(如 [转卖]进行直接盈利或[编辑后售卖]进行间接盈利)。
2、本站所有内容均由合作方或网友上传,本站不对文档的完整性、权威性及其观点立场正确性做任何保证或承诺!文档内容仅供研究参考,付费前请自行鉴别。
3、如文档内容存在违规,或者侵犯商业秘密、侵犯著作权等,请点击“违规举报”。

碎片内容

物业管理动力量化考核操作指导书

您可能关注的文档

确认删除?
VIP
微信客服
  • 扫码咨询
会员Q群
  • 会员专属群点击这里加入QQ群
客服邮箱
回到顶部