电脑桌面
添加小米粒文库到电脑桌面
安装后可以在桌面快捷访问

运行部精细化配煤掺烧推进方案初稿VIP免费

运行部精细化配煤掺烧推进方案初稿_第1页
1/9
运行部精细化配煤掺烧推进方案初稿_第2页
2/9
运行部精细化配煤掺烧推进方案初稿_第3页
3/9
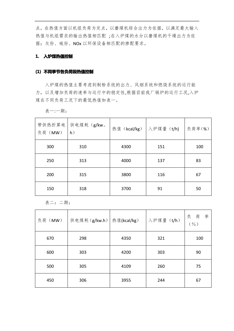
运行部精细化配煤掺烧推进方案按照集团公司大力推进燃料控价能力建设要求,省公司精细化掺烧原则,为实现公司管理“双提升”,按照公司降本增效管理办法要求,泉州公司紧紧围绕“12345"为核心思路,借鉴“三单六化”配煤掺烧经验,积极推动“主动点菜”模式,扎实做好“精准采购,科学掺配,精细化掺烧,协同管理”的科学掺烧工作.在掺烧掺配过程中以确保机组安全经济运行,保供热、保发电、保安全,为圆满完成全年机组运行经济指标基础上,制定出合理的掺烧掺配方案。一、配煤掺烧总体原则运行部配煤掺烧以配煤掺烧小组为工作单元,将配煤掺烧工作起点推进到原煤采购计划制定层面上,由于我厂#3、4机组进行超低改造,因此,根据不同机组、不同季节的发电情况和发电量月度计划,拟定出不同煤种采购的数量和批次,满足生产用煤的可掺、可配。按市场优质煤种和劣质煤种的价格差制定不同的掺烧比例,在性价比较高的前提下,增加掺烧经济煤的比例。将市场煤碳价格参与到月度发电量计划制定过程中,真正将燃料价值链全要素无缝融合于公司生产经营活动中。二、精细化配煤掺烧具体实施办法(一)制定煤场定制化堆放管理制度不同煤种按照硫份、灰分、热值、可磨性等四大类,分区、分块、分层进行堆放,并按照不同时间、机组负荷要求和公司计划掺烧比例,制定出掺配预案,保证掺配后环保排放合格.(二)构建配煤掺烧优化配置平台(平台构建中)将配煤掺烧菜单构建到公司SIS系统(价值创造系统)中,配煤掺烧小组根据季节、负荷、电量计划以及设备检修情况下发配煤掺烧方式,通过SIS下发到值长和燃料运行,值长根据根据机组特点,负荷及制粉系统检修情况实时对加仓进行优化调整,确保机组安全、经济、环保稳定运行.(三)设定经济煤种掺配边界条件应根据煤种的各工业分析数据综合考虑掺配方案,主要原则是:根据机组特点,在热值方面以机组负荷为定点,以磨煤机综合出力为依据,以满足最大输入热值与机组需求的输出热值相匹配;在入炉煤的水分以磨煤机的干燥出力为依据;灰份、硫份、NOx以环保设备相匹配的掺配要求。1.入炉煤热值控制(1)不同季节各负荷段热值控制入炉煤的热值主要考虑到制粉系统的出力、风烟系统和燃烧系统的运行能力,以及增加负荷的速率与运行中的稳定性,根据目前我厂锅炉的运行工况,入炉煤在不同负荷工况下的最低热值如表一。表一:一期:带供热折算电供电煤耗(g/kw。负荷(MW)h)300250200150表二:二期:负荷率(%)100907567310313315318热值(kcal/kg)入炉煤量(t/h)负荷率(%)430040003800370015113711691100836750负荷(MW)供电煤耗(g/kw.h)热值(kcal/kg)入炉煤量(t/h)6706005004502983033053064350420041093955321303260244400350300308310312385638703640224196180605245(2)不同季节各负荷段热值控制考虑到机组在不同季节时的效率,对月平均负荷对应的入炉煤热值如表三:一期90%月份供电煤耗负荷单位1月2月3月4月5月6月7月8月9月10月(g/kw.h)31131131231331431631932232231985%负80%负75%负70%负65%负荷荷荷荷荷(kcal/kg)41784178419242064220424842904346434642904098409841124126413941674208426342634208393339333947396039733999403940924092403939183918393139443958398440234063406340233816381638293842385538803919395739573919379137913804381738293855389339313931389311月12月平均315表四:二期.231223140422941924141413734114741694398391396395553932939789382938043722383837月份供电煤耗90%负荷85%负荷80%负荷75%负荷70%负65%负荷荷单位(g/kw.h)(kcal/kg)425417842541784274192428420643042194324247437428819794135340441099404084066039732740440335393539134014022239093913408401093997394083999639843839996387138387138381月29782月29783月29824月29965月30006月30287月30508月442308644230864473050430300042729824223012129833434724347242819421534192742474413413413408401406414374143741099403354010940569401140113973390939843802409月4010月3911月3912月38平均38(3)不同磨煤机的热值控制(缺磨投退运行方式对应热值)在锅炉运行...

1、当您付费下载文档后,您只拥有了使用权限,并不意味着购买了版权,文档只能用于自身使用,不得用于其他商业用途(如 [转卖]进行直接盈利或[编辑后售卖]进行间接盈利)。
2、本站所有内容均由合作方或网友上传,本站不对文档的完整性、权威性及其观点立场正确性做任何保证或承诺!文档内容仅供研究参考,付费前请自行鉴别。
3、如文档内容存在违规,或者侵犯商业秘密、侵犯著作权等,请点击“违规举报”。

碎片内容

运行部精细化配煤掺烧推进方案初稿

您可能关注的文档

确认删除?
VIP
微信客服
  • 扫码咨询
会员Q群
  • 会员专属群点击这里加入QQ群
客服邮箱
回到顶部