电脑桌面
添加小米粒文库到电脑桌面
安装后可以在桌面快捷访问

成本会计案例与实训(第四版)参考答案VIP免费

成本会计案例与实训(第四版)参考答案_第1页
1/62
成本会计案例与实训(第四版)参考答案_第2页
2/62
成本会计案例与实训(第四版)参考答案_第3页
3/62
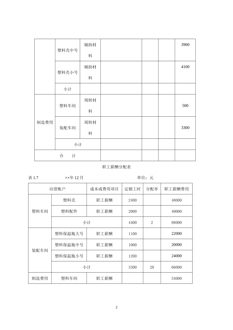
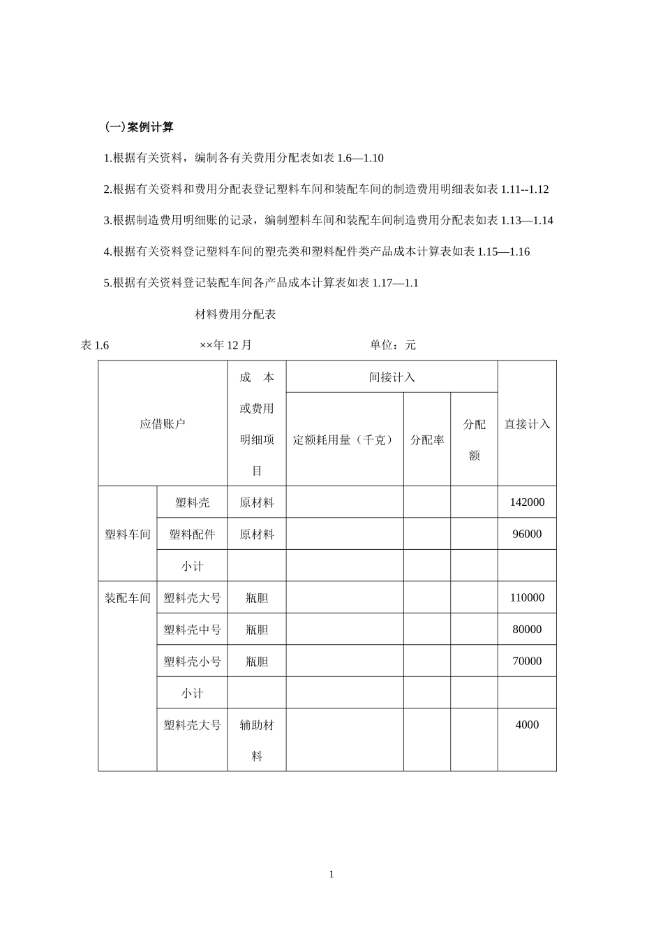
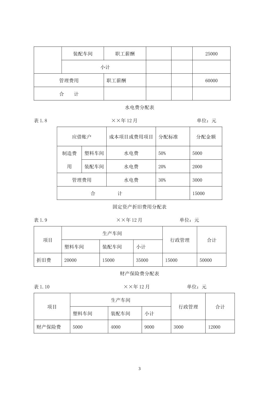
(一)案例计算1.根据有关资料,编制各有关费用分配表如表1.6—1.102.根据有关资料和费用分配表登记塑料车间和装配车间的制造费用明细表如表1.11--1.123.根据制造费用明细账的记录,编制塑料车间和装配车间制造费用分配表如表1.13—1.144.根据有关资料登记塑料车间的塑壳类和塑料配件类产品成本计算表如表1.15—1.165.根据有关资料登记装配车间各产品成本计算表如表1.17—1.1材料费用分配表表1.6××年12月单位:元应借账户成本或费用明细项目间接计入直接计入定额耗用量(千克)分配率分配额塑料车间塑料壳原材料142000塑料配件原材料96000小计装配车间塑料壳大号瓶胆110000塑料壳中号瓶胆80000塑料壳小号瓶胆70000小计塑料壳大号辅助材料40001塑料壳中号辅助材料3900塑料壳小号辅助材料4100小计制造费用塑料车间周转材料500装配车间周转材料3300小计合计职工薪酬分配表表1.7××年12月单位:元应借账户成本或费用项目定额工时分配率职工薪酬费用塑料车间塑料壳职工薪酬240048000塑料配件职工薪酬200040000小计4400288000装配车间塑料保温瓶大号职工薪酬110022000塑料保温瓶中号职工薪酬100020000塑料保温瓶小号职工薪酬120024000小计33002066000制造费用塑料车间职工薪酬540002装配车间职工薪酬25000小计管理费用职工薪酬60000合计水电费分配表表1.8××年12月单位:元应借账户成本项目或费用项目分配标准分配金额制造费用塑料车间水电费50%5000装配车间水电费20%2000管理费用水电费30%3000合计15000固定资产折旧费用分配表表1.9××年12月单位:元项目生产车间行政管理合计塑料车间装配车间小计折旧费2000015000350001500050000财产保险费分配表表1.10××年12月单位:元项目生产车间行政管理合计塑料车间装配车间小计财产保险费5000400090003000120003塑料车间制造费用明细账表1.11××年12月单位:元月日摘要周转材料职工薪酬水电费折旧费保险费其他合计1031据材料分配表50050031职工薪酬分配表540005400031据水电费分配表5000500031据折旧费用分配表200002000031据财产保险费分配表5000500031据制造费用分配表5005400050002000050008450031合计0装配车间制造费用明细账表1.12××年12月单位:元4月日摘要周转材料职工薪酬水电费折旧费保险费其他合计1031据材料分配表3300330031职工薪酬分配表250002500031据水电费分配表2000200031据折旧费用分配表150001500031据财产保险费分配表4000400031据制造费用分配表33002500020001500040004930031合计0表1.13塑料车间制造费用分配表××年12月项目定额工时制造费用分配率金额(元)塑料壳2400460805塑料配件200038420440019.284500表1.14装配车间制造费用分配表××年12月项目定额工时制造费用分配率金额(元)塑料壳保温瓶(大号)110016434塑料壳保温瓶(中号)100014940塑料壳保温瓶(小号)120017926330014.9449300表1.15塑料壳类产品成本计算表××年12月车间:塑料项目产量系数标准产量原材料职工薪酬制造费用单位成本月初在产品1048017501000本月生产费用1420004800046080累计71890719621524804975047080分配率2.120.690.653..46完工产品6665067794143723.2845988.543322.56其中:大号249501.162894261357.0417215.516217.53.7992中号239001239005066816491155353.4600小号178000.841495231698.2412282115703.1208月末在产品51688756.723761.53757.5表1.16塑料配件类产品成本计算表××年12月车间:塑料项目产量系数标准产量原材料职工薪酬制造费用单位成本月初在产品50001000500本月生产费用960004000038420累计69900705881010004100038920分配率1.430.590.562.58完工产品665006717296055.963923537240其中:大号239001.162772439645.3214101133842.8088中号229001229003274713511128242.5800小号197000.841654823663.6411623110322.35127月末在产品34164944.0417651680表1.17产品成本计算表单位:元产品:塑料壳保温瓶(大号)××年12月车间:装配项目自制半成品瓶胆辅助材料职工薪酬制造费用总成本单位成本月初在产品50030040本月生产费用14506811000040002200016434累计14556811030040402200016434分配率完工产品1451881099554012...

1、当您付费下载文档后,您只拥有了使用权限,并不意味着购买了版权,文档只能用于自身使用,不得用于其他商业用途(如 [转卖]进行直接盈利或[编辑后售卖]进行间接盈利)。
2、本站所有内容均由合作方或网友上传,本站不对文档的完整性、权威性及其观点立场正确性做任何保证或承诺!文档内容仅供研究参考,付费前请自行鉴别。
3、如文档内容存在违规,或者侵犯商业秘密、侵犯著作权等,请点击“违规举报”。

碎片内容

成本会计案例与实训(第四版)参考答案

中小学资料+ 关注
实名认证
内容提供者

精美课件,值得下载

确认删除?
VIP
微信客服
  • 扫码咨询
会员Q群
  • 会员专属群点击这里加入QQ群
客服邮箱
回到顶部