电脑桌面
添加小米粒文库到电脑桌面
安装后可以在桌面快捷访问

螺纹的技术标准VIP免费

螺纹的技术标准_第1页
1/17
螺纹的技术标准_第2页
2/17
螺纹的技术标准_第3页
3/17
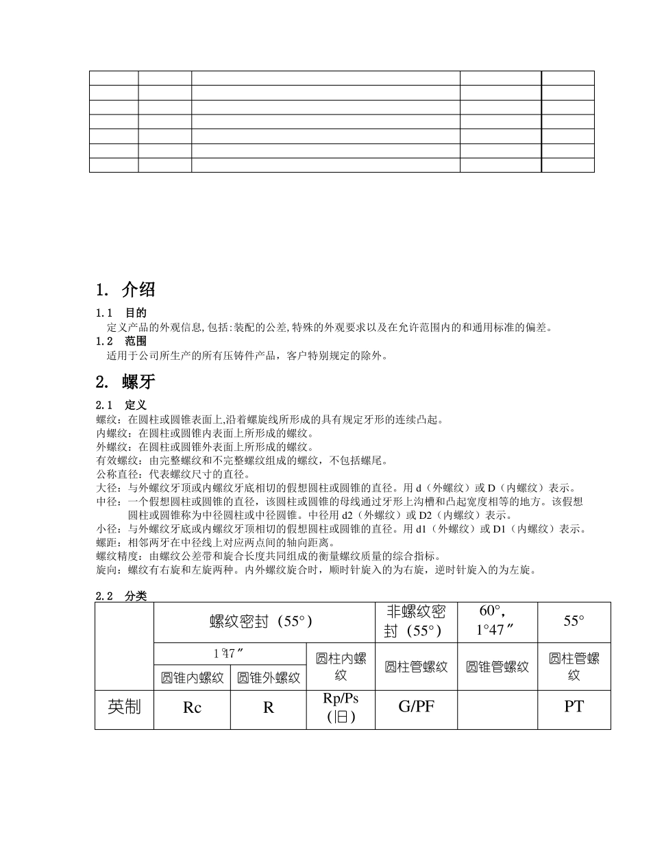
目录修订履历...........................................................................................................................................................31.介紹....................................................................................................................................................................41.1目的....................................................................................................................................................................41.2範圍....................................................................................................................................................................42.螺牙.....................................................................................................................................................................82.1定义....................................................................................................................................................................62.2分类....................................................................................................................................................................82.3精度等级..............................................................................................................................................................82.4螺纹标注.............................................................................................................................................................92.5基本尺寸..........................................................................................................................................................103.铝合金...............................................................................................................................................................103.1铝合金成分.......................................................................................................................................................104.公差.................................................................................................................................................................124.1ISO..................................................................................................................................................................124.2JIS....................................................................................................................................................................124.3DIN..................................................................................................................................................................124.4GB....................................................................................................................................................................145参考文件..........................................................................................................................................................15修订履历1.介绍1.1目的定义产品的外观信息,包括:装配的公差,特殊的外观要求以及在允许范围内的和通用标准的偏差。1.2范围适用于公司所生产的所有压铸件产品,客户特别规定的除外。2.螺牙2.1定义螺纹:在圆柱或圆锥表面上,沿着螺旋线所形成的具有规定牙形的连续凸起。内螺纹:在圆柱或圆锥内表面...

1、当您付费下载文档后,您只拥有了使用权限,并不意味着购买了版权,文档只能用于自身使用,不得用于其他商业用途(如 [转卖]进行直接盈利或[编辑后售卖]进行间接盈利)。
2、本站所有内容均由合作方或网友上传,本站不对文档的完整性、权威性及其观点立场正确性做任何保证或承诺!文档内容仅供研究参考,付费前请自行鉴别。
3、如文档内容存在违规,或者侵犯商业秘密、侵犯著作权等,请点击“违规举报”。

碎片内容

螺纹的技术标准

您可能关注的文档

确认删除?
VIP
微信客服
  • 扫码咨询
会员Q群
  • 会员专属群点击这里加入QQ群
客服邮箱
回到顶部