电脑桌面
添加小米粒文库到电脑桌面
安装后可以在桌面快捷访问

水泥混凝土面层施工方法VIP免费

水泥混凝土面层施工方法_第1页
1/7
水泥混凝土面层施工方法_第2页
2/7
水泥混凝土面层施工方法_第3页
3/7
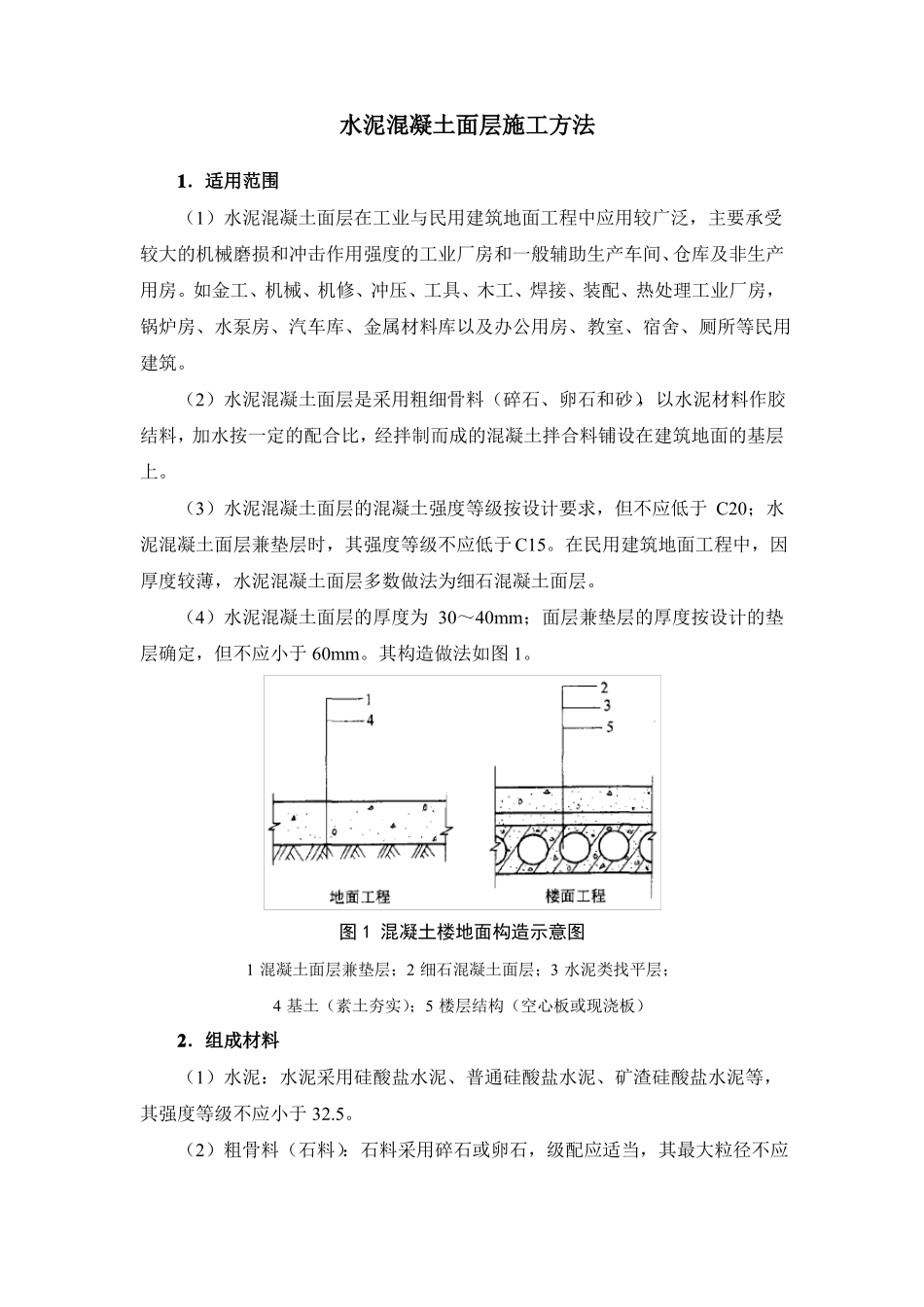
水泥混凝土面层施工方法1.适用范围(1)水泥混凝土面层在工业与民用建筑地面工程中应用较广泛,主要承受较大的机械磨损和冲击作用强度的工业厂房和一般辅助生产车间、仓库及非生产用房。如金工、机械、机修、冲压、工具、木工、焊接、装配、热处理工业厂房,锅炉房、水泵房、汽车库、金属材料库以及办公用房、教室、宿舍、厕所等民用建筑。(2)水泥混凝土面层是采用粗细骨料(碎石、卵石和砂),以水泥材料作胶结料,加水按一定的配合比,经拌制而成的混凝土拌合料铺设在建筑地面的基层上。(3)水泥混凝土面层的混凝土强度等级按设计要求,但不应低于C20;水泥混凝土面层兼垫层时,其强度等级不应低于C15。在民用建筑地面工程中,因厚度较薄,水泥混凝土面层多数做法为细石混凝土面层。(4)水泥混凝土面层的厚度为30~40mm;面层兼垫层的厚度按设计的垫层确定,但不应小于60mm。其构造做法如图1。图1混凝土楼地面构造示意图1混凝土面层兼垫层;2细石混凝土面层;3水泥类找平层;4基土(素土夯实);5楼层结构(空心板或现浇板)2.组成材料(1)水泥:水泥采用硅酸盐水泥、普通硅酸盐水泥、矿渣硅酸盐水泥等,其强度等级不应小于32.5。(2)粗骨料(石料):石料采用碎石或卵石,级配应适当,其最大粒径不应大于面层厚度的2/3;当采用细石混凝土面层时,石子粒径不应大于15mm。含泥量不应大于2%。(3)细骨料(砂子):砂应采用粗砂或中粗砂,含泥量不应大于3%。(4)水:采用饮用水。3.过程控制水泥混凝土面层应在工艺流程和施工操作过程中进行施工质量过程控制,见图2。图2混凝土面层施工质量过程控制简图4.施工要点(1)基层表面应坚固密实、平整、洁净,不允许有凸凹不平和起砂等现象,表面还应粗糙。水泥混凝土拌合料铺设前,应保持基层表面有一定的湿润,但不得有积水,以利面层与基层结合牢固,防止空鼓。(2)面层下基层的水泥混凝土抗压强度达到1.2MPa以上时,方可进行面层混凝土拌合料的铺设。(3)水泥混凝土的搅拌、运输、浇筑、振捣、养护等一系列的施工要求、质量检查和操作工艺等均应符合现行国家标准《混凝土结构工程施工质量验收规范》(GB50204)和当地建筑主管部门制定、颁发的建筑安装工程施工技术操作规程的规定。(4)混凝土拌制时,应采用机械搅拌。按混凝土配合比投料,顺序是:先石料、再水泥、后砂子,各种材料计量要正确,严格控制加水量和混凝土坍落度,搅拌必须均匀,时间一般不得少于1min。(5)混凝土铺设前应按标准水平线用木板隔成按需要的区段,以控制面层厚度。(6)铺设时,在基层表面上涂一层水灰比为0.4~0.5的水泥浆,并随刷随铺设混凝土拌合料,刮平找平。(7)混凝土浇筑时的坍落度不宜大于30mm。摊铺刮平亦采用平板振动器振捣密实或用滚筒压实,以不冒气泡为度,保证面层水泥混凝土密实度和达到混凝土强度等级。(8)水泥混凝土面层应连续浇筑,不应留置施工缝。如停歇时间超过允许规定时,在继续浇筑前应对已凝结的混凝土接搓处进行清理和处理,剔除松散石子、砂浆部分,润湿并铺设与混凝土同级配合比的水泥砂浆后再进行混凝土浇筑,应重视接缝处的捣实、压平工作,不应显出接搓。(9)水泥混凝土振实后,必须做好面层的抹平和压光工作。水泥混凝土初凝前,应完成面层抹平、搓打均匀,待混凝土开始凝结即用铁抹子分遍抹压面层,注意不得漏压,并将面层的凹坑、砂眼和脚印压平,在混凝土终凝前需将抹子纹痕抹平压光。在抹平压光过程中,确因水灰比控制不严,用水量过大而出现表面泌水,或需赶抢时间完成难以抹光时,宜采用干拌合均匀的水泥和砂,一般用1:2~1:2.5水泥:砂体积比,均匀撒布面层上,待被水吸收后即可抹平压光,但应防止面层起砂、起灰和龟裂等缺陷的发生。(10)浇筑钢筋混凝土楼板或水泥混凝土垫层兼面层时,可采用随捣随抹的施工方法,这样做一次性完成面层不仅能节约水泥用量,而且可提高施工质量,加快进度,防止面层可能出现的空鼓、起壳等施工缺陷。(11)水泥混凝土面层浇筑完成后,应在24h内加以覆盖并浇水养护,在常温下连续养护不少于7d,使其在湿润的条件下硬化。养护亦可采用分间(分块)蓄水养护。...

1、当您付费下载文档后,您只拥有了使用权限,并不意味着购买了版权,文档只能用于自身使用,不得用于其他商业用途(如 [转卖]进行直接盈利或[编辑后售卖]进行间接盈利)。
2、本站所有内容均由合作方或网友上传,本站不对文档的完整性、权威性及其观点立场正确性做任何保证或承诺!文档内容仅供研究参考,付费前请自行鉴别。
3、如文档内容存在违规,或者侵犯商业秘密、侵犯著作权等,请点击“违规举报”。

碎片内容

水泥混凝土面层施工方法

您可能关注的文档

确认删除?
VIP
微信客服
  • 扫码咨询
会员Q群
  • 会员专属群点击这里加入QQ群
客服邮箱
回到顶部