电脑桌面
添加小米粒文库到电脑桌面
安装后可以在桌面快捷访问

我国上市公司财务造假案例研究[1]78325VIP免费

我国上市公司财务造假案例研究[1]78325_第1页
1/9
我国上市公司财务造假案例研究[1]78325_第2页
2/9
我国上市公司财务造假案例研究[1]78325_第3页
3/9
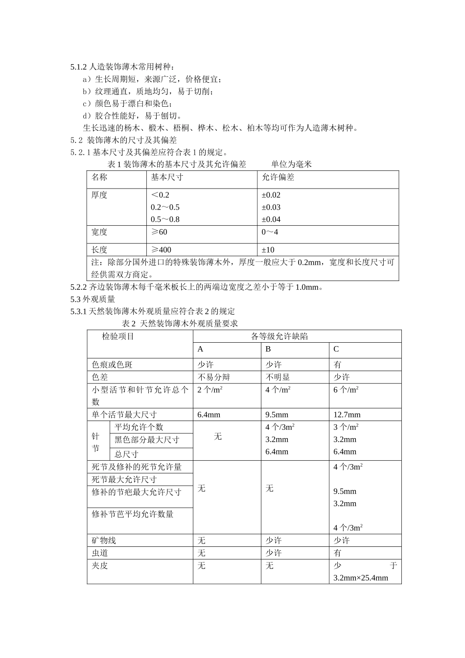
装饰薄木1范围本标准规定了装饰薄木的术语和定义、分类、要求、检验和试验方法、检验规则以及标志、包装、运输和贮存的要求。本标准适用于贴面板、橱柜、家具和木门表面装饰用薄木。本标准不适用于地板表面装饰用薄木。2规范性引用文件下列文件对于本文件的应用是必不可少的,凡是注日期的引用文件,仅注日期的版本适用于文件。凡是不注日期的引用文件,其最新版本(包括所有的修改单)适用于本文件。GB/T2828.1-2003技术抽样检验程序第1部分:按接收质量限(AQL)检索的逐批检验抽样计划(ISO2859-1:1999,IDT)GB/T13010-2006刨切单板GB/T17657-1999人造板及饰面人造板理化性能试验方法GB/T18259-2000人造板及其表面装饰术语GB/T18580-2001室内装饰装修材料人造板及其制品中甲醛释放限量LY/T1654-2006重组装饰单板3术语和定义GB/T18259界定的以及下列术语和定义适用于本文件。3.1装饰薄木decorativewoodveneer木材经一定处理或加工后再经精密刨切或旋切制成的,具有珍贵树种特色的木质片状薄型饰面或贴面材料。俗称“木皮”。3.2天然装饰薄木naturaldecorativeveneer由天然珍贵树种的木方直接刨切或旋切制得的薄木。3.3集成装饰薄木integrateddecorativeveneer将具有一定花纹要求的木材先加工成规格几何体,然后按薄木要求的纹理图案胶结成集成木方后,再经刨切或旋切成整张拼花薄木。3.4人造装饰薄木artificialdecorativeveneer由一般树种的木材单板仿照珍贵树种的色调染色后,经层压和模压后制成木方,再经刨切或旋切而成。也称“科技薄木”。3.5普通装饰薄木generaldecorativeveneer厚度为0.5~0.8mm的薄木。3.6微装饰薄木thindecorativeveneer厚度为0.2~0.5mm的薄木。3.7色差colorvariation颜色与预先设计或样板的颜色有差异,或整体颜色不均匀。3.8色痕或色斑colorstreaksorspots在薄木加工过程中造成的表面局部变色或在运输、贮存过程中发生的局部霉变。3.9染色薄木dyedveneer由天然原木直接刨切或旋切的薄木通过漂白或染色等工艺直接生产成具有装饰效果的薄木。4分类4.1按厚度分a)普通装饰薄木b)微装饰薄木4.2按制造方法分a)旋切装饰薄木;b)半圆旋切装饰薄木;c)刨切装饰薄木。4.3按花纹分a)径切纹装饰薄木;b)弦切纹装饰薄木;c)波状纹装饰薄木;d)鸟眼纹装饰薄木;e)树瘤纹装饰薄木;f)虎皮纹装饰薄木。4.4按外观结构形式分a)天然装饰薄木;b)集成装饰薄木;c)人造装饰薄木;d)染色装饰薄木。4.5按树种分a)阔叶材装饰薄木;b)针叶材装饰薄木。5要求5.1装饰薄木用材树种宜选用木射线粗大或密集、早晚材比较明显,能在径切面或弦切面形成美丽木纹的树种。木材要易于进行切削、胶合和涂饰等加工,阔叶材的导管直径不宜太大。5.1.1天然装饰薄木常用树种:a)东北材:水曲柳,楸木,榆木,黄波萝,桦木,椴木等;b)东南亚材:年枣,西南桦,黄云条,金丝柚,白莲木,柚木等;c)非洲材:黑檀,紫檀,花梨木,酸枝,桃花芯,紫杉,安利格,麦哥利,沙比利,斑马,铁刀,苹果木等;d)北美材:樱桃木,红橡木,白橡木,枫木,山核桃,赤扬,黑胡桃木,黄杨,白杨,白蜡木,黄松等。5.1.2人造装饰薄木常用树种:a)生长周期短,来源广泛,价格便宜;b)纹理通直,质地均匀,易于切削;c)颜色易于漂白和染色;d)胶合性能好,易于刨切。生长迅速的杨木、椴木、梧桐、桦木、松木、柏木等均可作为人造薄木树种。5.2装饰薄木的尺寸及其偏差5.2.1基本尺寸及其偏差应符合表1的规定。表1装饰薄木的基本尺寸及其允许偏差单位为毫米名称基本尺寸允许偏差厚度<0.20.2~0.50.5~0.8±0.02±0.03±0.04宽度≥600~4长度≥400±10注:除部分国外进口的特殊装饰薄木外,厚度一般应大于0.2mm,宽度和长度尺寸可经供需双方商定。5.2.2齐边装饰薄木每千毫米板长上的两端边宽度之差小于等于1.0mm。5.3外观质量5.3.1天然装饰薄木外观质量应符合表2的规定表2天然装饰薄木外观质量要求检验项目各等级允许缺陷ABC色痕或色斑少许少许有色差不易分辩不明显少许小型活节和针节允许总个数2个/m24个/m26个/m2单个活节最大尺寸6.4mm9.5mm12.7mm针节平均允许个数无4个/3m23.2mm6...

1、当您付费下载文档后,您只拥有了使用权限,并不意味着购买了版权,文档只能用于自身使用,不得用于其他商业用途(如 [转卖]进行直接盈利或[编辑后售卖]进行间接盈利)。
2、本站所有内容均由合作方或网友上传,本站不对文档的完整性、权威性及其观点立场正确性做任何保证或承诺!文档内容仅供研究参考,付费前请自行鉴别。
3、如文档内容存在违规,或者侵犯商业秘密、侵犯著作权等,请点击“违规举报”。

碎片内容

我国上市公司财务造假案例研究[1]78325

您可能关注的文档

确认删除?
VIP
微信客服
  • 扫码咨询
会员Q群
  • 会员专属群点击这里加入QQ群
客服邮箱
回到顶部