电脑桌面
添加小米粒文库到电脑桌面
安装后可以在桌面快捷访问

冶金安装工程质量检验评定表(新区)VIP免费

冶金安装工程质量检验评定表(新区)_第1页
1/7
冶金安装工程质量检验评定表(新区)_第2页
2/7
冶金安装工程质量检验评定表(新区)_第3页
3/7
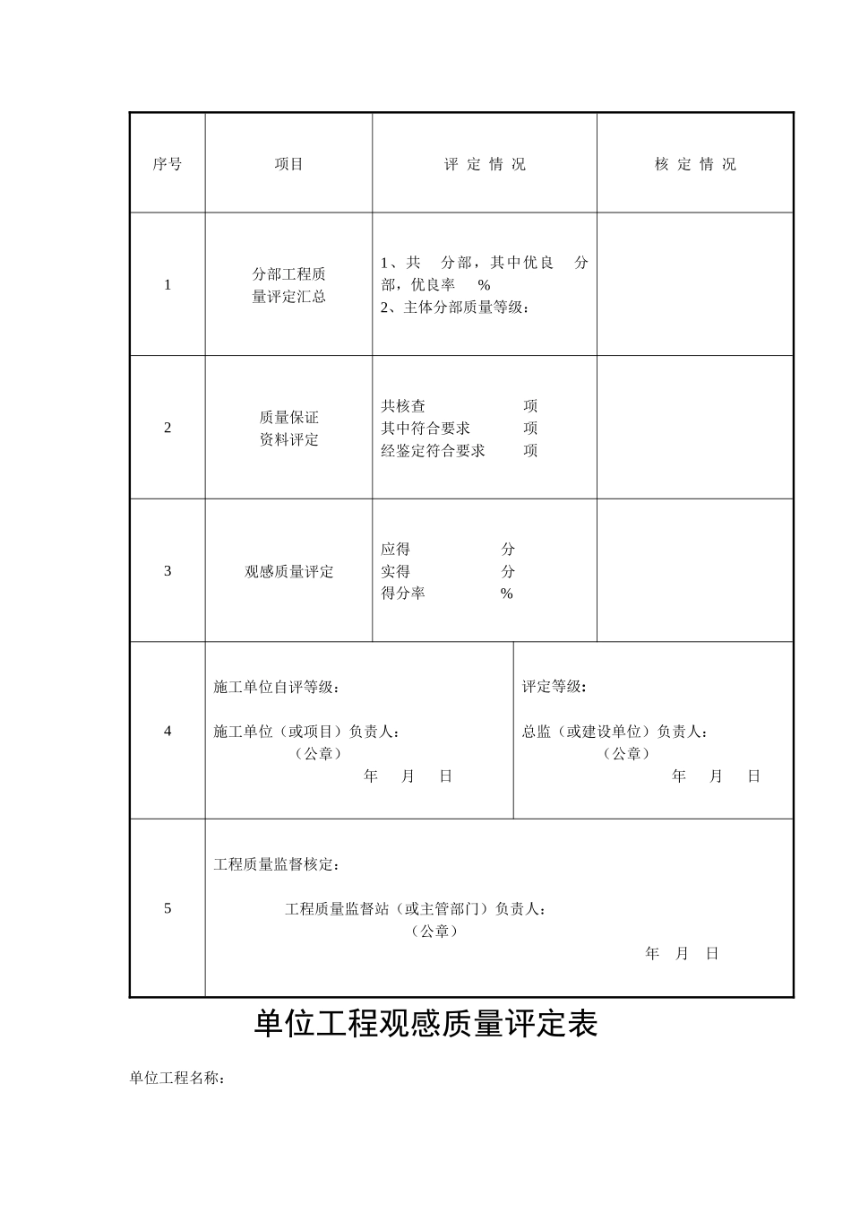
冶金机、电、管安装工程质量检验评定表冶金质量监督总站马钢分站马钢档案处二OO六年编制单位工程质量综合评定表工程名称:开工日期:年月日施工单位:竣工日期:年月日序号项目评定情况核定情况1分部工程质量评定汇总1、共分部,其中优良分部,优良率%2、主体分部质量等级:2质量保证资料评定共核查项其中符合要求项经鉴定符合要求项3观感质量评定应得分实得分得分率%4施工单位自评等级:施工单位(或项目)负责人:(公章)年月日评定等级:总监(或建设单位)负责人:(公章)年月日5工程质量监督核定:工程质量监督站(或主管部门)负责人:(公章)年月日单位工程观感质量评定表单位工程名称:序号项目名称标准分评定等级备注一级100%二级90%三级80%四级70%五级01102103104105106107108109101010合计应得:分,实得:分,得分率:%检查单位检查人员年月日质量保证资料核查表单位工程名称:序号项目名称份数检查情况12345678910核查结果结果:核查人:企业技术或质量部门负责人:(签章)年月日评定结果:监理(或建设)单位检查人:(签章)年月日分部工程质量评定汇总表单位工程名称:序号分部工程名称质量等级备注审核人:制表人:年月日分部工程质量评定表单位工程名称:分部工程名称:施工单位:年月日序号分项工程名称项数其中优良项数备注1234567891011合计优良率%自评等级技术负责人:工程负责人:专职质量检查员:年月日评定等级总监:年月日分项工程质量检验评定表单位工程名称:施工单位:分部工程名称:施工日期:年月日保证项项目质量情况12目34基本项目项目质量情况12345678910等级1234极限偏差和公差项目项目极限偏差公差mm实测值1234567891012345678检查结果保证项目基本项目检查项,其中优良项,优良率%极限偏差和公差项目实测项,其中合格点,合格率%自评等级工程负责人:班组长:专职质量检查员:评定等级监理:年月日

1、当您付费下载文档后,您只拥有了使用权限,并不意味着购买了版权,文档只能用于自身使用,不得用于其他商业用途(如 [转卖]进行直接盈利或[编辑后售卖]进行间接盈利)。
2、本站所有内容均由合作方或网友上传,本站不对文档的完整性、权威性及其观点立场正确性做任何保证或承诺!文档内容仅供研究参考,付费前请自行鉴别。
3、如文档内容存在违规,或者侵犯商业秘密、侵犯著作权等,请点击“违规举报”。

碎片内容

冶金安装工程质量检验评定表(新区)

文泉书屋+ 关注
实名认证
内容提供者

热爱教学事业,对互联网知识分享很感兴趣

确认删除?
VIP
微信客服
  • 扫码咨询
会员Q群
  • 会员专属群点击这里加入QQ群
客服邮箱
回到顶部