电脑桌面
添加小米粒文库到电脑桌面
安装后可以在桌面快捷访问

回填土施工控制要点VIP免费

回填土施工控制要点_第1页
1/6
回填土施工控制要点_第2页
2/6
回填土施工控制要点_第3页
3/6
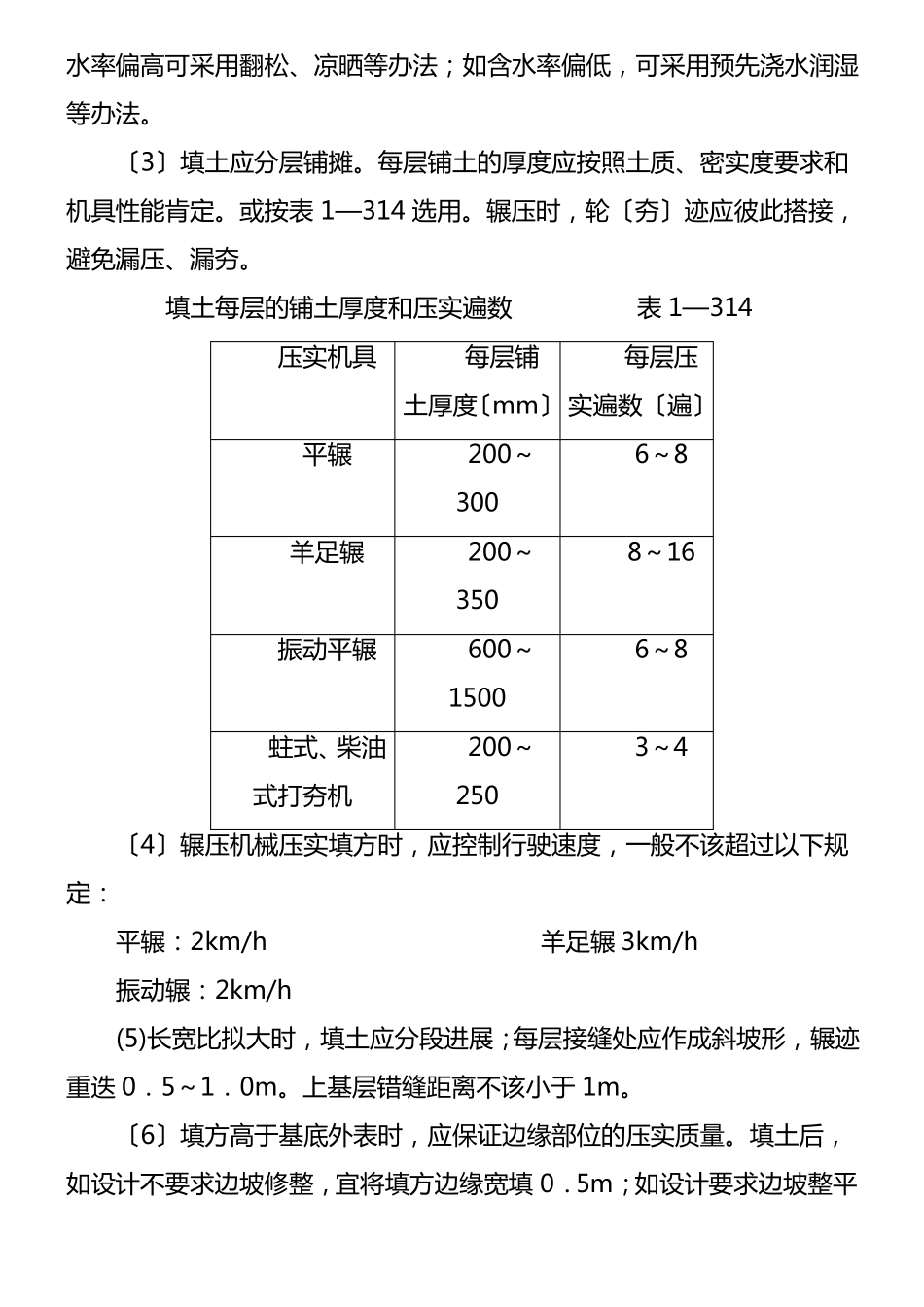
回填土质量控制要点1.材料要求〔1〕回填用土采用孔径为15mm筛网进展过筛,将杂物、大土块〔50mm及以上〕等捡除。灰土用生石灰粉,最大粒径不该大于5mm,冬期回填土每层铺土厚度是不是应比常温施工时减少20%~50%;其中冻土块体积不得超过填土整体积的15%;其粒径不得大于150mm。〔2〕粘性土应查验其含水率,必需抵达设计及施工标准规定要求方可利用。2.作业条件〔1〕施工前应按照工程特点、填方土料种类、密实度要求、施工条件等合理肯定填方土料含水率控制范围、虚铺厚度和压实遍数等参数;重要回填土方工程,其参数应通过压实实验来肯定。〔2〕填土前,应对填方基底和已完工程进展检查和中间验收,合格后要作好记录及验收手续。〔3〕施工前,应做好水平高程标志的布置。如在防水保护层上做分层回填土厚度控制标记,标记采用红三角漆每5M及拐角处设置,每层30cm,并弹墨线辅助控制;4.操作工艺工艺流程;基底清理→查验土质→分层铺土→辗压密实→找平验收〔1〕填土前,应将基底外表上的垃圾或树根等杂物、洞窟都处置完,清理干净。〔2〕查验土质:查验各类土料的含水率是不是在控制范围内。如含水率偏高可采用翻松、凉晒等办法;如含水率偏低,可采用预先浇水润湿等办法。〔3〕填土应分层铺摊。每层铺土的厚度应按照土质、密实度要求和机具性能肯定。或按表1—314选用。辗压时,轮〔夯〕迹应彼此搭接,避免漏压、漏夯。填土每层的铺土厚度和压实遍数表1—314压实机具每层铺每层压土厚度〔mm〕实遍数〔遍〕平辗200~300羊足辗200~350振动平辗600~1500蛀式、柴油式打夯机200~2503~46~88~166~8〔4〕辗压机械压实填方时,应控制行驶速度,一般不该超过以下规定:平辗:2km/h羊足辗3km/h振动辗:2km/h(5)长宽比拟大时,填土应分段进展;每层接缝处应作成斜坡形,辗迹重迭0.5~1.0m。上基层错缝距离不该小于1m。〔6〕填方高于基底外表时,应保证边缘部位的压实质量。填土后,如设计不要求边坡修整,宜将填方边缘宽填0.5m;如设计要求边坡整平拍实,宽填可为0.2m。〔7〕夯实基槽及地坪时,行夯线路应从双侧或四边开场,然后再夯向中间。严禁用水浇使水下沉的所谓“水夯法〞。对于无法利用蛙式打夯机时应人工夯填,人力打夯前应依照必然方向进展,用60~80kg的木夯或铁、石夯,举高不小于0.5m,一夯压半夯,夯夯相接,行行相连,每遍纵横穿插,分层夯打密实;〔8〕灰土的配比采用同一种量具预先拌合后再铺摊回填。入槽的灰土不得隔日夯实,刚夯打完毕或尚未夯实的灰土如蒙受雨淋水浸那么是不是将积水和松软土除去并补填夯实;〔9〕回填土每层压实后,应按标准规定进展环刀取样,〔对每层回填土每50-100㎡很多于1各取样点〕测出干土的质量密度,抵达要求后,再进展上一层的铺土。〔10〕填方全数完成后,外表应进展拉线找平,凡高于标准高程的地方,及时依线铲平;凡低于标准高程的地方应补土夯实。〔11〕雨、冬期施工1〕雨期施工的工作面不宜过大,应逐段、逐片的分期完成。重要或特殊的土方工程,应尽可能在雨期前完成。2〕基坑〔槽〕或管沟的回填土应持续进展。尽快完成。施工时应避免地面水流入基坑〔槽〕内,以避免边坡塌方或基土受到破坏。现场应有防雨及排水办法。3〕填方工程不宜在冬期施工,如必需在冬期施工时,其施工方案经技术经济比拟后肯定。4〕冬期填方前,应去除基底上的冰雪和保温材料;填方边坡表层1米之内不得用冻土填筑;填方上层应用未冻的、不冻胀的或透水性好的土料填筑,其厚度应符合设计要求。5〕冬期施工室外平均气温在-5℃以上时,填方高度不受限制;平均气温在-5℃以下时,填方高度不宜超过表1—315的规定;冬期填方高度限制表1—315平均气温〔℃〕-5~-10-11~-15-16~-20填方高度〔m〕4.53.52.5注:用石块和不含冰块的砂土〔不包括粉砂〕、碎石类土填筑时,填方高度不受本表限制。6〕冬期回填土方,每层铺土厚度应比常温施工时减少20~25%,其中冻土块体积不超过填土整体积的15%;其粒径不得大于150mm。铺冻土块要均匀散布,逐层压〔夯〕实。回填土工作应持续进展,避免基土或已填土层受冻,并应及时采取防冻办法。5.质量标准〔1...

1、当您付费下载文档后,您只拥有了使用权限,并不意味着购买了版权,文档只能用于自身使用,不得用于其他商业用途(如 [转卖]进行直接盈利或[编辑后售卖]进行间接盈利)。
2、本站所有内容均由合作方或网友上传,本站不对文档的完整性、权威性及其观点立场正确性做任何保证或承诺!文档内容仅供研究参考,付费前请自行鉴别。
3、如文档内容存在违规,或者侵犯商业秘密、侵犯著作权等,请点击“违规举报”。

碎片内容

回填土施工控制要点

爱的疯狂+ 关注
实名认证
内容提供者

该用户很懒,什么也没介绍

确认删除?
VIP
微信客服
  • 扫码咨询
会员Q群
  • 会员专属群点击这里加入QQ群
客服邮箱
回到顶部