电脑桌面
添加小米粒文库到电脑桌面
安装后可以在桌面快捷访问

品质管理部各岗位绩效考核KPI指标VIP免费

品质管理部各岗位绩效考核KPI指标_第1页
1/8
品质管理部各岗位绩效考核KPI指标_第2页
2/8
品质管理部各岗位绩效考核KPI指标_第3页
3/8
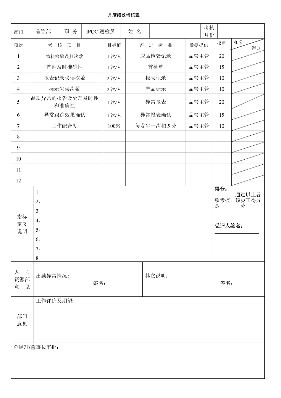
品质管理部各岗位绩效考核KPI指标月度绩效考核表部门项次品管部职务文员目标值1次1次1次0次1次姓名评定标准考核月份数据提供权重扣分得分考核项目报表统计准确及时率1234567891011121、2、3、指标定义说明4、5、6、7、8、不准确不及时次数不准确不及时次数不完整次数遗失和外泄次数不完整次数每发生一次扣5分每发生一次扣5分品管主管品管主管品管主管品管主管品管主管品管主管品管主管20201020101010得分:文件收发及时准确率文件管理完整性重要文件无遗失和外泄办公用品的管理完整工作责任心工作协调性100%100%通过以上各项考核,该员工得分是分受评人签名:人力出勤异常情况:资源部意见工作评价及期望:部门意见其它说明:签名:签名:总经理/董事长审批:月度绩效考核表部门项次品管部职务IQC巡检员目标值1次/人1次/人2次/人2次/人1次/人姓名评定标准考核月份数据提供权重扣分得分考核项目123456789101112物料检验训判次数首件及时准确性报表记录失误次数标示失误次数品质异常的报告及处理及时和准确性异常,确认工作配合度1、2、3、后续生产误判记录首检单报表记录产品标示异常报表异常报表确认每发生一次扣5分品管主管品管主管品管主管品管主管品管主管品管主管品管主管20151010201510得分:1次/人100%通过以上各项考核,该员工得分是分指标定义说明4、5、6、7、8、受评人签名:人力出勤异常情况:资源部意见工作评价及期望:部门意见其它说明:签名:签名:总经理/董事长审批:月度绩效考核表部门项次品管部职务IPQC巡检员目标值1次/人1次/人2次/人2次/人1次/人1次/人姓名评定标准考核月份数据提供权重扣分得分考核项目物料检验误判次数1234567891011121、2、3、指标定义说明4、5、6、7、8、成品检验记录首检单报表记录产品标示异常报表异常报表确认每发生一次扣5分品管主管品管主管品管主管品管主管品管主管品管主管品管主管20151010201510得分:首件及时准确性报表记录失误次数标示失误次数品质异常的报告及处理及时性和准确性异常跟踪效果确认工作配合度100%通过以上各项考核,该员工得分是分受评人签名:人力出勤异常情况:资源部意见工作评价及期望:部门意见其它说明:签名:签名:总经理/董事长审批:月度绩效考核表部门项次品管部职务IQC检验员目标值1次/人2次/人2次/人1次/人1次/人姓名评定标准考核月份数据提供权重扣分得分考核项目物产检验误判次数1234567891011121、2、3、指标定义说明4、5、6、7、8、生产误判记录报表记录产品标示异常报表异常报表确认每发生一次扣5分品管主管品管主管品管主管品管主管品管主管品管主管201515202010得分:报表记录失误次数标示失误次数品质异常的报告及处理及时性和准确性异常跟踪效果确认失误工作配合度100%通过以上各项考核,该员工得分是分受评人签名:人力出勤异常情况:资源部意见工作评价及期望:部门意见其它说明:签名:签名:总经理/董事长审批:月度绩效考核表部门项次品管部职务IQC组长目标值95%以上姓名评定标准考核月份数据提供权重扣分得分考核项目供应商来料合格率1234567891011121、2、3、指标定义说明4、5、6、7、8、供应商来料报表统计根据生产误判记录处理不及时无效次数样板不符合件数仪器保养不完整次数物料检验标准新产品或新要求时进行品管主管品管主管品管主管品管主管品管主管品管主管品管主管品管主管品管主管品管主管品管主管101510551510281010得分:IQC检验员误判次数异常处理及时性和有效性样板管理准确性检测仪器工具管理保养完整性物料检验标准制定准确及时率检验员岗位培训达成率品检报表审核误批次数样板确认准确率工作责任心工作协调性1次/人1次/人100%100%100%100%1次100%100%100%根据报表记录根据样板确认报告每发生一次扣5分每发生一次扣5分通过以上各项考核,该员工得分是分受评人签名:人力出勤异常情况:资源部意见工作评价及期望:部门意见其它说明:签名:签名:总经理/董事长审批:月度绩效考核表部门项次品管部职务QA组长目标值3次以下98%以上姓名评定标准考核月份数据提供权重扣分得分考核项目客户投诉次数1234567891011121、2、3、指标定义说明4、5、6、7、8、每月客户实际投诉...

1、当您付费下载文档后,您只拥有了使用权限,并不意味着购买了版权,文档只能用于自身使用,不得用于其他商业用途(如 [转卖]进行直接盈利或[编辑后售卖]进行间接盈利)。
2、本站所有内容均由合作方或网友上传,本站不对文档的完整性、权威性及其观点立场正确性做任何保证或承诺!文档内容仅供研究参考,付费前请自行鉴别。
3、如文档内容存在违规,或者侵犯商业秘密、侵犯著作权等,请点击“违规举报”。

碎片内容

品质管理部各岗位绩效考核KPI指标

您可能关注的文档

确认删除?
VIP
微信客服
  • 扫码咨询
会员Q群
  • 会员专属群点击这里加入QQ群
客服邮箱
回到顶部