电脑桌面
添加小米粒文库到电脑桌面
安装后可以在桌面快捷访问

拆除工程工程量计算VIP免费

拆除工程工程量计算_第1页
1/6
拆除工程工程量计算_第2页
2/6
拆除工程工程量计算_第3页
3/6
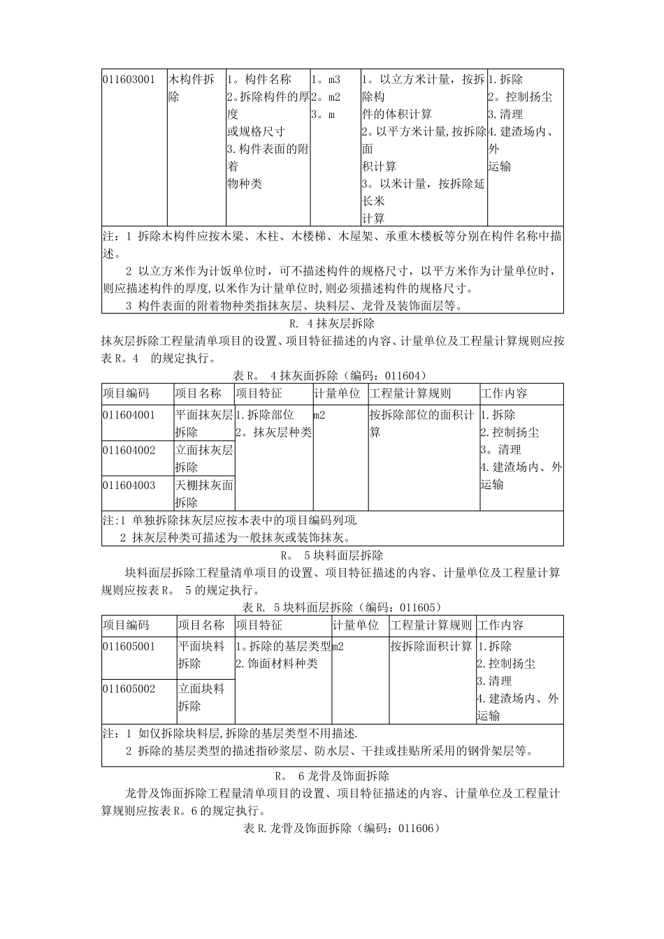
附录R拆除工程R。1砖砌体拆除砖砌体拆除工程量清单项目的设置、项目特征描述的内容、计量单位及工程量计算规则应按表R。1的规定执行。表R.1砖砌体拆除(编码:011601)项目编码项目名称项目特征计量单位工程量计算规则工作内容1.砌体名称1。m31。以立方米计量,按拆除1.拆除2。砌体材质2。m的2.控制扬尘3.拆除高度体积计算3。清理4。拆除砌体的截2。以米计量,按拆除的4。建渣场内、面延长外尺寸米计算运输5。砌体表面的附着物种类注:1砌体名称指墙、柱、水池等。2砌体表面的附着物种类指抹灰层、块料层、龙骨及装饰面层等.3以米计量,如砖地沟、砖明沟等必须描述拆除部位的截面尺寸;以立方米计量,截面尺寸则不必描述。R.2混凝土及钢筋混凝土构件拆除混凝土及钢筋混凝土构件拆除工程量清单项目的设置、项目特征描述的内容、计量单位及工程量计算规则应按表R.2的规定执行。表R。2混凝土及钢筋混凝土构件拆除(编码:011602)项目编码项目名称项目特征计量单位工程量计算规则工作内容011602001混凝土构件拆除011602002钢筋混凝土构件拆除1。以立方米计量,按拆除1。拆除构2。控制扬尘件的混凝土体积计算3。清理2。以平方米计量,按拆4。建渣场内、除部外位的面积计算运输3。以米计量,按拆除部位的延长米计算注:1以立方米作为计量单位时,可不描述构件的规格尺寸;以平方米作为计量单位时,则应描述构件的厚度;以米作为计量单位时,则必须描述构件的规格尺寸。2构件表面的附着物种类指抹灰层、块料层、龙骨及装饰面层等。R。3木构件拆除木构件拆除工程量清单项目的设置、项目特征描述的内容、计量。单位及工程量计算规则应按表R。3的规定执行。表R.3木构件拆除(编码:011603)项目编码项目名称项目特征计量单位工程量计算规则工作内容1。构件名称1。m32。拆除构件的厚2。m2度3.m或规格尺寸3.构件表面的附着物种类011601001砖砌体拆除011603001木构件拆除1。构件名称1。m32。拆除构件的厚2。m2度3。m或规格尺寸3.构件表面的附着物种类1。以立方米计量,按拆1.拆除除构2。控制扬尘件的体积计算3.清理2。以平方米计量,按拆除4.建渣场内、面外积计算运输3。以米计量,按拆除延长米计算注:1拆除木构件应按木梁、木柱、木楼梯、木屋架、承重木楼板等分别在构件名称中描述。2以立方米作为计饭单位时,可不描述构件的规格尺寸,以平方米作为计量单位时,则应描述构件的厚度,以米作为计量单位时,则必须描述构件的规格尺寸。3构件表面的附着物种类指抹灰层、块料层、龙骨及装饰面层等。R.4抹灰层拆除抹灰层拆除工程量清单项目的设置、项目特征描述的内容、计量单位及工程量计算规则应按表R。4的规定执行。表R。4抹灰面拆除(编码:011604)项目编码项目名称项目特征计量单位工程量计算规则工作内容011604001平面抹灰层1.拆除部位m2拆除2。抹灰层种类011604002立面抹灰层拆除按拆除部位的面积计1.拆除算2.控制扬尘3。清理4.建渣场内、外运输011604003天棚抹灰面拆除注:1单独拆除抹灰层应按本表中的项目编码列项.2抹灰层种类可描述为一般抹灰或装饰抹灰。R。5块料面层拆除块料面层拆除工程量清单项目的设置、项目特征描述的内容、计量单位及工程量计算规则应按表R。5的规定执行。表R.5块料面层拆除(编码:011605)项目编码项目名称项目特征计量单位工程量计算规则工作内容011605001平面块料1。拆除的基层类型m2拆除2.饰面材料种类011605002立面块料拆除按拆除面积计算1.拆除2.控制扬尘3.清理4.建渣场内、外运输注:1如仅拆除块料层,拆除的基层类型不用描述.2拆除的基层类型的描述指砂浆层、防水层、干挂或挂贴所采用的钢骨架层等。R。6龙骨及饰面拆除龙骨及饰面拆除工程量清单项目的设置、项目特征描述的内容、计量单位及工程量计算规则应按表R。6的规定执行。表R.龙骨及饰面拆除(编码:011606)项目编码项目名称项目特征计量单位工程址计算规则工作内容011606001楼地面龙骨1.拆除的基m2及饰面拆除层类型011606002墙柱面龙骨2.龙骨及饰及饰面拆除面种类011606003天棚面龙骨及饰面拆除注:l基层类型的描述指砂浆层、防水层等。2如仅拆除龙骨及饰面,拆除的基层类型不用描述.3如只拆除饰而,不用描述...

1、当您付费下载文档后,您只拥有了使用权限,并不意味着购买了版权,文档只能用于自身使用,不得用于其他商业用途(如 [转卖]进行直接盈利或[编辑后售卖]进行间接盈利)。
2、本站所有内容均由合作方或网友上传,本站不对文档的完整性、权威性及其观点立场正确性做任何保证或承诺!文档内容仅供研究参考,付费前请自行鉴别。
3、如文档内容存在违规,或者侵犯商业秘密、侵犯著作权等,请点击“违规举报”。

碎片内容

拆除工程工程量计算

确认删除?
VIP
微信客服
  • 扫码咨询
会员Q群
  • 会员专属群点击这里加入QQ群
客服邮箱
回到顶部