电脑桌面
添加小米粒文库到电脑桌面
安装后可以在桌面快捷访问

临时用电漏电保护器检测记录表VIP免费

临时用电漏电保护器检测记录表_第1页
1/29
临时用电漏电保护器检测记录表_第2页
2/29
临时用电漏电保护器检测记录表_第3页
3/29
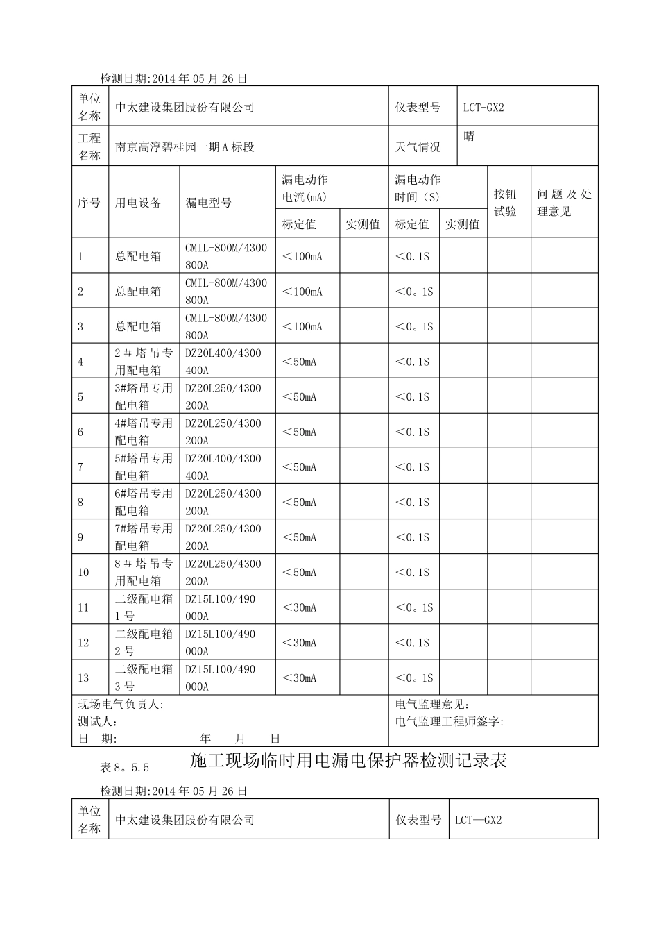
表8.5.4建筑施工现场临时用电验收表工程名称:南京高淳碧桂园一期A标段43#-48#现场序号1234验收项目临时用电施工组织设计配电系统外电防护接零接地验收内容是否按临时施工用电组织设计要求实施总体布设施工现场采用三级配电、二级漏电保护系统外电防护要有可靠的防护措施,防护要严密,达到安全要求施工现场应按实际情况采用接零或接地保护,严禁接地、接零混用,接地装置应符合规范要求不准采用竹质电杆,架空线路不得架设在脚手架或树上等处电杆应设横担和绝缘子,电杆、横担应符合要求,线路应采用绝缘子固定架空线离地按规定有足够的安全距离配电箱引入引出线应加绝缘护套,出电线要排列整齐,匹配合理严禁使用绝缘差、老化、破皮电线,防止漏电电缆线路直接埋地,敷设深度不小于0.7m,引出地面从2m高度至地下0.2m处,必须架设防护套管电缆敷设应使用五芯电缆,线路过道要有可靠的保护露天变压器设置符合规范要求,配电间安全防护措施和安全用具、警告标志齐全,配电间门要外开,室内装置符合规范要求配电箱制作要符合规范要求,有防雨措施,门锁齐全,严禁使用木质电箱动力、照明配电箱宜分别设置,合并设置时应分路配电配电箱内的电器安装要符合规范要求配电箱与开关箱之间距离应控制在30m以内,固定式配电箱的中心点与地面的垂直距离应为1。4~1。6m,移动式配电箱的中心点与地面的垂直距离应为0。8~1。6m开关箱要符合一机一闸一漏一箱,箱内无杂物,不积灰用电设备与开关箱水平距离不宜超过3m,固定式开关箱的中心点与地面的垂直距离应为1。4~1。6m,移动式开关箱的中心点与地面的垂直距离应为0。8~1。6m,严禁动力、照明混用照明专用回路应有漏电保护,灯具金属外壳应作接零保护灯具安装高度室内不低于2。5m、室外不低于3m特殊场所应使用与其危险程度相匹配的安全电压,线路不乱接乱拉手持照明灯使用36V以下电源供电严禁使用淘汰的电器产品电器应按其规定位置紧固在电器安装板上,不得外斜和松动总配电箱中漏电保护器的额定漏电动作电流与额定漏电动作时间的乘积不应大于30mA·s;开关箱中漏电保护器的额定漏电动作电流不应大于30mA,额定漏电动作时间不应大于0。1s验收意见:使用单位(盖章)年月日年月日验收结果安施工组织设计要求布置三级用电二级保护系统符合规范要求符合规范要求电缆采用五芯电缆,线路应采用绝缘子固定,架空线离地按规定有足够的安全距离线,路过道有可靠的保护设防护套管,符合要求。安规范要求施工配电箱与开关箱之间距离在30m以内,分配电箱与为10m,三级电箱离机械不小于3m5线路架设6变配电装置7配电箱8开关箱符合规范要求9现场照明符合规范要求10电气元件符合规范要求验收意见:监理单位(盖章)注:验收栏目内有数据的,在验收栏目内填写实测数据或文字说明。表8。5.5施工现场临时用电漏电保护器检测记录表检测日期:2014年05月26日单位中太建设集团股份有限公司名称工程南京高淳碧桂园一期A标段名称漏电动作电流(mA)标定值12345678910111213总配电箱总配电箱总配电箱2#塔吊专用配电箱3#塔吊专用配电箱4#塔吊专用配电箱5#塔吊专用配电箱6#塔吊专用配电箱7#塔吊专用配电箱8#塔吊专用配电箱二级配电箱1号二级配电箱2号二级配电箱3号CMIL-800M/4300<100mA800ACMIL-800M/4300<100mA800ACMIL-800M/4300<100mA800ADZ20L400/4300<50mA400ADZ20L250/4300<50mA200ADZ20L250/4300<50mA200ADZ20L400/4300<50mA400ADZ20L250/4300<50mA200ADZ20L250/4300<50mA200ADZ20L250/4300<50mA200ADZ15L100/490000ADZ15L100/490000ADZ15L100/490000A<30mA<30mA<30mA仪表型号天气情况漏电动作时间(S)实测值标定值实测值<0.1S<0。1S<0。1S<0.1S<0.1S<0.1S<0.1S<0.1S<0.1S<0.1S<0。1S<0.1S<0。1SLCT-GX2晴序号用电设备漏电型号按钮试验问题及处理意见现场电气负责人:测试人:日期:年月日电气监理意见:电气监理工程师签字:表8。5.5施工现场临时用电漏电保护器检测记录表检测日期:2014年05月26日单位中太建设集团股份有限公司名称仪表型号LCT—GX2工程南京高淳碧桂园一期A标段名称漏电动作电流(mA)标定值141516171819202122232425二级配电箱4号二级...

1、当您付费下载文档后,您只拥有了使用权限,并不意味着购买了版权,文档只能用于自身使用,不得用于其他商业用途(如 [转卖]进行直接盈利或[编辑后售卖]进行间接盈利)。
2、本站所有内容均由合作方或网友上传,本站不对文档的完整性、权威性及其观点立场正确性做任何保证或承诺!文档内容仅供研究参考,付费前请自行鉴别。
3、如文档内容存在违规,或者侵犯商业秘密、侵犯著作权等,请点击“违规举报”。

碎片内容

临时用电漏电保护器检测记录表

您可能关注的文档

爱的疯狂+ 关注
实名认证
内容提供者

该用户很懒,什么也没介绍

确认删除?
VIP
微信客服
  • 扫码咨询
会员Q群
  • 会员专属群点击这里加入QQ群
客服邮箱
回到顶部