电脑桌面
添加小米粒文库到电脑桌面
安装后可以在桌面快捷访问

普通混凝土用砂石质量标准及检验方法VIP免费

普通混凝土用砂石质量标准及检验方法_第1页
1/6
普通混凝土用砂石质量标准及检验方法_第2页
2/6
普通混凝土用砂石质量标准及检验方法_第3页
3/6
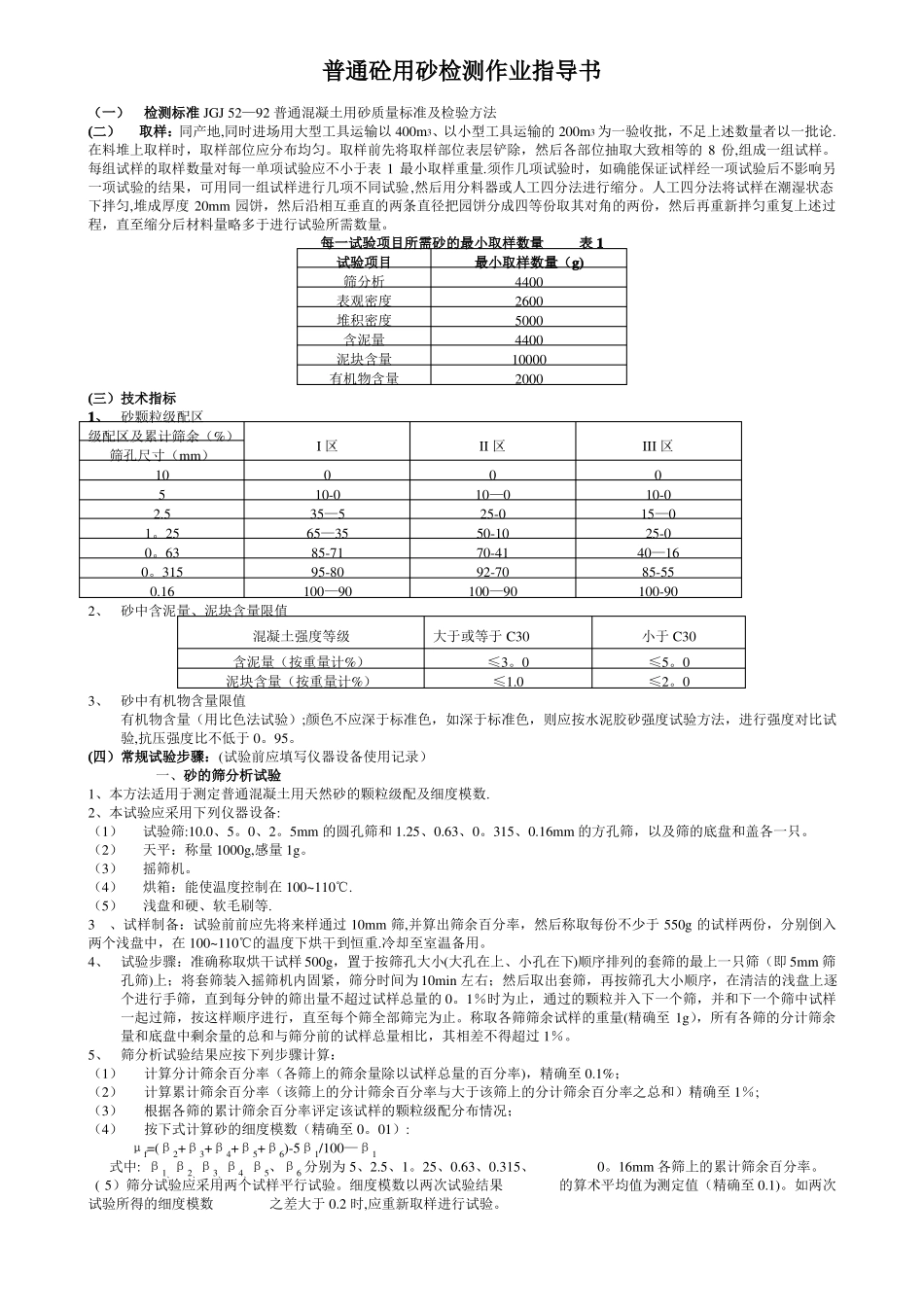
普通砼用砂检测作业指导书(一)检测标准JGJ52—92普通混凝土用砂质量标准及检验方法(二)取样:同产地,同时进场用大型工具运输以400m3、以小型工具运输的200m3为一验收批,不足上述数量者以一批论.在料堆上取样时,取样部位应分布均匀。取样前先将取样部位表层铲除,然后各部位抽取大致相等的8份,组成一组试样。每组试样的取样数量对每一单项试验应不小于表1最小取样重量.须作几项试验时,如确能保证试样经一项试验后不影响另一项试验的结果,可用同一组试样进行几项不同试验,然后用分料器或人工四分法进行缩分。人工四分法将试样在潮湿状态下拌匀,堆成厚度20mm园饼,然后沿相互垂直的两条直径把园饼分成四等份取其对角的两份,然后再重新拌匀重复上述过程,直至缩分后材料量略多于进行试验所需数量。每一试验项目所需砂的最小取样数量表1试验项目最小取样数量(g)筛分析4400表观密度2600堆积密度5000含泥量4400泥块含量10000有机物含量2000(三)技术指标1、砂颗粒级配区级配区及累计筛余(%)I区II区III区筛孔尺寸(mm)10000510-010—010-02.535—525-015—01。2565—3550-1025-00。6385-7170-4140—160。31595-8092-7085-550.16100—90100—90100-902、砂中含泥量、泥块含量限值混凝土强度等级大于或等于C30小于C30含泥量(按重量计%)≤3。0≤5。0泥块含量(按重量计%)≤1.0≤2。03、砂中有机物含量限值有机物含量(用比色法试验);颜色不应深于标准色,如深于标准色,则应按水泥胶砂强度试验方法,进行强度对比试验,抗压强度比不低于0。95。(四)常规试验步骤:(试验前应填写仪器设备使用记录)一、砂的筛分析试验1、本方法适用于测定普通混凝土用天然砂的颗粒级配及细度模数.2、本试验应采用下列仪器设备:(1)试验筛:10.0、5。0、2。5mm的圆孔筛和1.25、0.63、0。315、0.16mm的方孔筛,以及筛的底盘和盖各一只。(2)天平:称量1000g,感量1g。(3)摇筛机。(4)烘箱:能使温度控制在100~110℃.(5)浅盘和硬、软毛刷等.3、试样制备:试验前前应先将来样通过10mm筛,并算出筛余百分率,然后称取每份不少于550g的试样两份,分别倒入两个浅盘中,在100~110℃的温度下烘干到恒重.冷却至室温备用。4、试验步骤:准确称取烘干试样500g,置于按筛孔大小(大孔在上、小孔在下)顺序排列的套筛的最上一只筛(即5mm筛孔筛)上;将套筛装入摇筛机内固紧,筛分时间为10min左右;然后取出套筛,再按筛孔大小顺序,在清洁的浅盘上逐个进行手筛,直到每分钟的筛出量不超过试样总量的0。1%时为止,通过的颗粒并入下一个筛,并和下一个筛中试样一起过筛,按这样顺序进行,直至每个筛全部筛完为止。称取各筛筛余试样的重量(精确至1g),所有各筛的分计筛余量和底盘中剩余量的总和与筛分前的试样总量相比,其相差不得超过1%。5、筛分析试验结果应按下列步骤计算:(1)计算分计筛余百分率(各筛上的筛余量除以试样总量的百分率),精确至0.1%;(2)计算累计筛余百分率(该筛上的分计筛余百分率与大于该筛上的分计筛余百分率之总和)精确至1%;(3)根据各筛的累计筛余百分率评定该试样的颗粒级配分布情况;(4)按下式计算砂的细度模数(精确至0。01):μf=(β2+β3+β4+β5+β6)-5β1/100—β1式中:β1、β2、β3、β4、β5、β6分别为5、2.5、1。25、0.63、0.315、0。16mm各筛上的累计筛余百分率。(5)筛分试验应采用两个试样平行试验。细度模数以两次试验结果的算术平均值为测定值(精确至0.1)。如两次试验所得的细度模数之差大于0.2时,应重新取样进行试验。(6)按0。63mm筛的累计筛余百分率及前表,确定砂所属的区域。二、砂的表观密度试验(标准方法)1、本方法适用于测定砂的表观密度.2、本试验应采用下列仪器设备;(1)天平:称量1000g,感量1g.(2)容量瓶:500ml(3)干燥器、浅盘、铝制料勺、温度计等。(4)烘箱:能使温度控制在100~110℃.(5)烧杯:500ml3、试样制备:将缩分至650g左右的试样在温度为100~110℃的烘箱中烘干至恒重,并在干燥器内冷却至室温。4、试验步骤:(1)称取烘干试样300g,装入盛有半瓶冷开水的容量瓶中;(2)摇转容量瓶,使试样在水中充分搅动以排除气泡,塞紧...

1、当您付费下载文档后,您只拥有了使用权限,并不意味着购买了版权,文档只能用于自身使用,不得用于其他商业用途(如 [转卖]进行直接盈利或[编辑后售卖]进行间接盈利)。
2、本站所有内容均由合作方或网友上传,本站不对文档的完整性、权威性及其观点立场正确性做任何保证或承诺!文档内容仅供研究参考,付费前请自行鉴别。
3、如文档内容存在违规,或者侵犯商业秘密、侵犯著作权等,请点击“违规举报”。

碎片内容

普通混凝土用砂石质量标准及检验方法

您可能关注的文档

爱的疯狂+ 关注
实名认证
内容提供者

该用户很懒,什么也没介绍

确认删除?
VIP
微信客服
  • 扫码咨询
会员Q群
  • 会员专属群点击这里加入QQ群
客服邮箱
回到顶部