电脑桌面
添加小米粒文库到电脑桌面
安装后可以在桌面快捷访问

项目风险预测与应急预案VIP免费

项目风险预测与应急预案_第1页
1/11
项目风险预测与应急预案_第2页
2/11
项目风险预测与应急预案_第3页
3/11
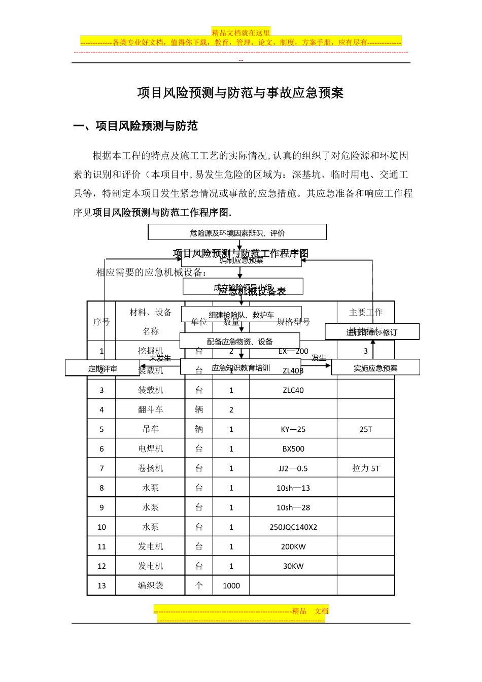
精品文档就在这里-------------各类专业好文档,值得你下载,教育,管理,论文,制度,方案手册,应有尽有----------------------------------------------------------------------------------------------------------------------------------------------------------项目风险预测与防范与事故应急预案一、项目风险预测与防范根据本工程的特点及施工工艺的实际情况,认真的组织了对危险源和环境因素的识别和评价(本项目中,易发生危险的区域为:深基坑、临时用电、交通工具等,特制定本项目发生紧急情况或事故的应急措施。其应急准备和响应工作程序见项目风险预测与防范工作程序图.危险源及环境因素辩识、评价项目风险预测与防范工作程序图编制应急预案相应需要的应急机械设备:成立抢险领导小组应急机械设备表主要工作规格型号性能指标进行评审、修订EX—200ZL40BZLC40KY—25BX500JJ2—0.510sh—1310sh—28250JQC140X2200KW30KW发生材料、设备序号名称1定期评审2单位挖掘机装载机装载机翻斗车吊车电焊机卷扬机水泵水泵水泵发电机发电机编织袋台组建抢险队、救护车数量2配备应急物资、设备未发生1台应急知识教育培训3实施应急预案345678910111213台辆辆台台台台台台台个1211111111100025T拉力5T---------------------------------------------------------精品文档---------------------------------------------------------------------精品文档就在这里-------------各类专业好文档,值得你下载,教育,管理,论文,制度,方案手册,应有尽有----------------------------------------------------------------------------------------------------------------------------------------------------------材料、设备序号名称141517推土机长城皮卡五十铃台台台121单位数量规格型号性能指标主要工作二、雨季施工保障措施及应急预案在准备项目经理部的建造过程中,需要特别注意场地内的雨水、污水的排泄畅通,在项目部进出口处设置沉淀池和冲洗池,并且在机械停靠场地加强场地的硬化,设置坡度,并做好挡雨的防护工作。在施工期间,注意气象台发布特大暴雨、风暴等紧急警报,应急预案领导小组全体人员进入紧急应急状态。小组成员应指挥各施工班组做好“防汛”准备,如准备好沙袋、加固临时建筑的窗门及各类机械设备的入库措施.同时小组领导应向公司领导报告“防汛”情况,听从统一调度指挥。2。1建立现场雨施管理组织为了确保本工程在雨季期间的施工安全及工程的顺利进行,保证工程质量,组建现场“防汛"指挥部。⑴事故现场副总指挥由项目经理部经理担任;⑵伤员营救组由项目副经理担任组长,各施工队分别抽调作业人员组成;⑶物资抢救组由各施工队分别抽调施工人员组成;⑷现场临时医疗组由现场医护人员和各施工队分别抽调人员组成.⑸保卫疏导组由公安人员、后勤人员和各施工队分别抽调施工人员组成;⑹抢险物资供应组由各施工队物资管理人员组成;⑺后勤供给组由项目部办公室人员组成;2.2生产部署根据该地区往年雨季施工来临时间及本年天气变化情况,提前布置好周密的基础结构施工进度安排,在保证施工质量、施工安全的前提下,尽快在正常雨期---------------------------------------------------------精品文档---------------------------------------------------------------------精品文档就在这里-------------各类专业好文档,值得你下载,教育,管理,论文,制度,方案手册,应有尽有----------------------------------------------------------------------------------------------------------------------------------------------------------到来前,做好施工生产部署。2。3材料部署根据雨期施工特点及生产计划安排,提前进行防雨、防汛材料设备的采购进场准备工作,做到“早预防、早准备”,避免造成施工混乱。按照工程进度,整个施工路线设立多个材料堆积点,做好防水准备,并事先做好防汛计划.在本项目中,需要重点照顾的防汛为堆载土、空心板梁、混凝土,汛期来临的时候,堆积材料地方垫高,并且在附近挖好排水沟,满足汛期的排水需求,排水直接派到附近的河...

1、当您付费下载文档后,您只拥有了使用权限,并不意味着购买了版权,文档只能用于自身使用,不得用于其他商业用途(如 [转卖]进行直接盈利或[编辑后售卖]进行间接盈利)。
2、本站所有内容均由合作方或网友上传,本站不对文档的完整性、权威性及其观点立场正确性做任何保证或承诺!文档内容仅供研究参考,付费前请自行鉴别。
3、如文档内容存在违规,或者侵犯商业秘密、侵犯著作权等,请点击“违规举报”。

碎片内容

项目风险预测与应急预案

爱的疯狂+ 关注
实名认证
内容提供者

该用户很懒,什么也没介绍

确认删除?
VIP
微信客服
  • 扫码咨询
会员Q群
  • 会员专属群点击这里加入QQ群
客服邮箱
回到顶部