电脑桌面
添加小米粒文库到电脑桌面
安装后可以在桌面快捷访问

新高考化学一轮复习 加练半小时 第六章 微考点49 电解原理,电极产物判断及物质制备(含解析)-人教高三全册化学试题VIP免费

新高考化学一轮复习 加练半小时 第六章 微考点49 电解原理,电极产物判断及物质制备(含解析)-人教高三全册化学试题_第1页
1/6
新高考化学一轮复习 加练半小时 第六章 微考点49 电解原理,电极产物判断及物质制备(含解析)-人教高三全册化学试题_第2页
2/6
新高考化学一轮复习 加练半小时 第六章 微考点49 电解原理,电极产物判断及物质制备(含解析)-人教高三全册化学试题_第3页
3/6
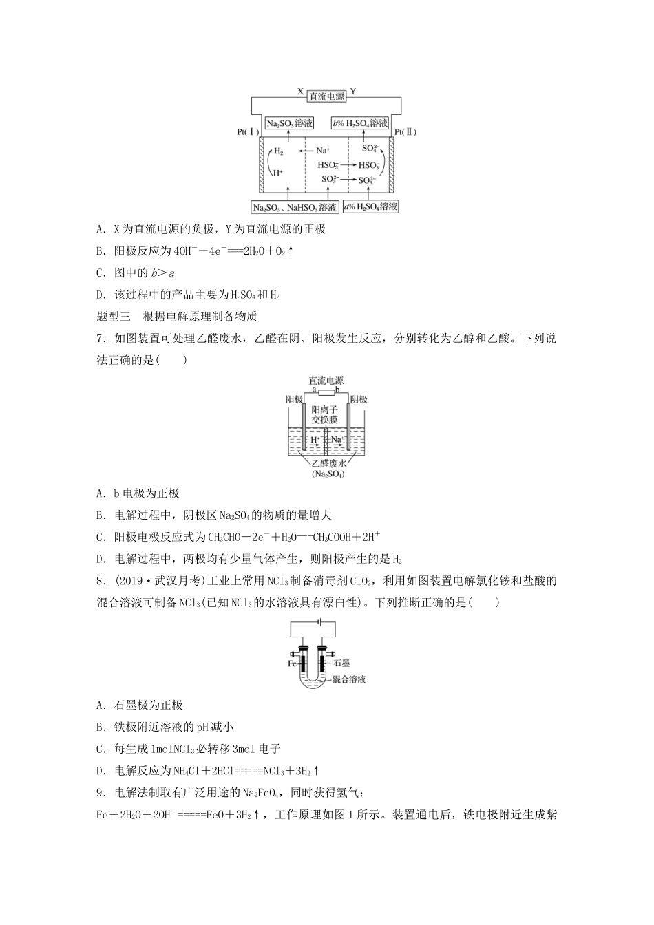
电解原理,电极产物判断及物质制备题型一电解原理1.(2018·银川重点中学质量检测)由U形管、铁棒和石墨棒、1L0.1mol·L-1CuCl2溶液等组成如图装置,下列说法不正确的是()A.K1、K2打开,铁棒上有紫红色物质析出B.只闭合K1,石墨棒上有紫红色物质析出C.只闭合K2,一段时间后,将电解质溶液搅拌均匀,溶液pH增大D.只闭合K2,电路中通过0.3NA个电子时,两电极共产生0.175mol气体2.(2018·长沙高三统一考试)研究人员研制出一种可在一分钟内完成充电的超常性能铝离子电池,该电池以金属铝和石墨为电极。用AlCl、Al2Cl和有机阳离子组成电解质溶液。其放电工作原理如图所示。下列说法正确的是()A.放电时,电子由石墨电极经用电器流向铝电极B.充电时,铝电极上发生氧化反应C.充电时,AlCl向铝电极方向移动D.放电时,负极的电极反应为Al-3e-+7AlCl===4Al2Cl3.(2018·河北两校高三年级月考)如图均为电化学装置,下列有关叙述正确的是()A.装置①中,b电极发生氧化反应B.装置②中,铁棒上析出红色固体C.装置③中,若电镀前两电极质量相等,电镀完成后二者质量差为5.12g,则电镀时待镀铁制品应与电源负极相连,外电路转移0.08mol电子D.装置④中,离子交换膜应为阴离子交换膜题型二根据电解原理判断电极产物4.电镀废水中常含有剧毒的Cr2O。该废水处理的一种方法是利用还原剂把Cr2O还原成毒性较低的Cr3+,再加碱生成沉淀;另一种方法是向废水中加入适量的NaCl,用Fe作电极进行电解。下列说法错误的是()A.电解时,阳极反应式为Fe-2e-===Fe2+B.电解过程中,阴极能产生氢气C.电解过程中,Cr2O被还原的离子方程式为Cr2O+6Fe2++14H+===2Cr3++6Fe3++7H2OD.电解过程中,阳极附近生成Fe(OH)3和Cr(OH)3沉淀5.(2018·张家口市高三期末)锂硫电池是一种新型储能电池,放电时的总反应为2Li+xS===Li2Sx。以该电池为电源制备甲烷的原理如图所示。下列说法正确的是()A.b为锂硫电池的负极B.锂硫电池的正极反应式为Li-e-===Li+C.阳极反应式为CO+3CO+2H2O-2e-===4HCOD.该装置工作时溶液中的c(CO)增大6.(2018·保定模拟)用Na2SO3溶液吸收硫酸工业尾气中的二氧化硫,将所得的混合液进行电解循环再生,这种新工艺叫再生循环脱硫法。其中阴、阳离子交换膜组合循环再生机理如图所示,下列有关说法中不正确的是()A.X为直流电源的负极,Y为直流电源的正极B.阳极反应为4OH--4e-===2H2O+O2↑C.图中的b>aD.该过程中的产品主要为H2SO4和H2题型三根据电解原理制备物质7.如图装置可处理乙醛废水,乙醛在阴、阳极发生反应,分别转化为乙醇和乙酸。下列说法正确的是()A.b电极为正极B.电解过程中,阴极区Na2SO4的物质的量增大C.阳极电极反应式为CH3CHO-2e-+H2O===CH3COOH+2H+D.电解过程中,两极均有少量气体产生,则阳极产生的是H28.(2019·武汉月考)工业上常用NCl3制备消毒剂ClO2,利用如图装置电解氯化铵和盐酸的混合溶液可制备NCl3(已知NCl3的水溶液具有漂白性)。下列推断正确的是()A.石墨极为正极B.铁极附近溶液的pH减小C.每生成1molNCl3必转移3mol电子D.电解反应为NH4Cl+2HCl=====NCl3+3H2↑9.电解法制取有广泛用途的Na2FeO4,同时获得氢气:Fe+2H2O+2OH-=====FeO+3H2↑,工作原理如图1所示。装置通电后,铁电极附近生成紫红色FeO,镍电极有气泡产生。若氢氧化钠溶液浓度过高,铁电极区会产生红褐色物质。已知:Na2FeO4只在强碱性条件下稳定,易被H2还原。(1)电解一段时间后,c(OH-)降低的区域在__________(填“阴极室”或“阳极室”)。(2)电解过程中,需将阴极产生的气体及时排出,其原因是______________________________。(3)c(Na2FeO4)随初始c(NaOH)的变化如图2,任选M、N两点中的一点,分析c(Na2FeO4)低于最高值的原因:________________________________________________________________。10.(2018·广东佛山一中月考)电化学在处理环境污染方面发挥了重要的作用。(1)据报道以二氧化碳为原料采用特殊的电极电解二氧化碳水溶液可得到多种燃料,其原理如图1所示。电解时b电极上生成乙烯的电极反应式为___________________________________...

1、当您付费下载文档后,您只拥有了使用权限,并不意味着购买了版权,文档只能用于自身使用,不得用于其他商业用途(如 [转卖]进行直接盈利或[编辑后售卖]进行间接盈利)。
2、本站所有内容均由合作方或网友上传,本站不对文档的完整性、权威性及其观点立场正确性做任何保证或承诺!文档内容仅供研究参考,付费前请自行鉴别。
3、如文档内容存在违规,或者侵犯商业秘密、侵犯著作权等,请点击“违规举报”。

碎片内容

新高考化学一轮复习 加练半小时 第六章 微考点49 电解原理,电极产物判断及物质制备(含解析)-人教高三全册化学试题

您可能关注的文档

文章天下+ 关注
实名认证
内容提供者

各种文档应有尽有

确认删除?
VIP
微信客服
  • 扫码咨询
会员Q群
  • 会员专属群点击这里加入QQ群
客服邮箱
回到顶部