电脑桌面
添加小米粒文库到电脑桌面
安装后可以在桌面快捷访问

制造工艺学课程设计VIP免费

制造工艺学课程设计_第1页
1/9
制造工艺学课程设计_第2页
2/9
制造工艺学课程设计_第3页
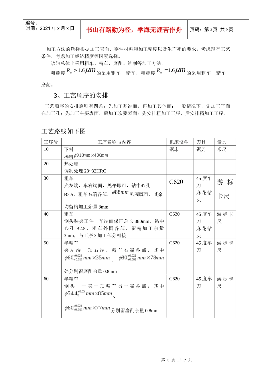
3/9
第1页共9页编号:时间:2021年x月x日书山有路勤为径,学海无涯苦作舟页码:第1页共9页设计输出轴零件的机械加工工艺规程一、初步分析1.零件图样分析1)两个的同轴度公差为2)与同轴度公差为3)与同轴度公差为4)保留两端中心孔5)调质处理28—32HRC6)材料452.输出轴机械加工工艺过程卡片3.工艺分析1)该铀的结构比较典型,代表了一般传动轴的结构形式,其加工工艺过程具有普遍性。在加工工艺流程中,也可以采用粗车加工后进行调质处理2)图样小键槽未标注对称度要求.但在实际加工小应保证的对称度。这样便于与齿轮的装配,键槽对称度的检查,可采用偏摆仪及量块配合完成,也可采用专用对称度检具进行检查。3)输出轴各部向轴度的检查,可采用偏摆仪和百分表综合进行检查。第2页共9页第1页共9页编号:时间:2021年x月x日书山有路勤为径,学海无涯苦作舟页码:第2页共9页二、工艺设计该步骤主要拟定工艺路线,并对加工设备与工艺装备进行选择,以及填写工艺过程卡片1、定位基准的选择①粗基准的选择粗基准的选择有如下四点要求,保证相互位置要求的原则,保证加工表面加工余量合理分配的原则,便于工件装夹原则,一般不得重复使用原则。该轴选取左端为粗基准,便于装夹。②精基准的选择精基准的选择有如下五条原则,基准重合原则,统一基准原则,互为基准原则,自为基准原则,便于装夹原则。该轴在精车加工中选取两端和与其对应的中心孔为精基准,采用互为基准原则,提高轴的同轴度,在磨削加工过程中,采用两顶尖为精基准,保证该轴各轴段的同轴度要求。2、加工方法的选择第3页共9页第2页共9页编号:时间:2021年x月x日书山有路勤为径,学海无涯苦作舟页码:第3页共9页加工方法的选择根据加工表面、零件材料和加工精度以及生产率的要求,考虑现有工艺条件,考虑加工经济精度等因素选择。该轴总体上采用粗车、精车、磨削、铣削等加工方法。粗糙度的采用粗车—精车,粗糙度的采用粗车—精车—磨削。3、工艺顺序的安排工艺顺序的安排原则有四条:先加工基准面,再加工其他面;一般情况下,先加工平面在加工孔;先加工主要表面,后加工次要表面;先安排粗加工工序,后安排精加工工序。工艺路线如下图工序号工序名称与内容机床设备刀具量具10下料棒料锯床锯刀米尺20热处理调制处理28~32HRC30粗车夹左端,车右端面,见平即可,钻中心孔B2.5,粗车右端各部,见圆既可,其余均留精加工余量3mmC62045度车刀麻花钻头游标卡尺40粗车倒头装夹工件,车端面保证总长380mm,钻中心孔B2.5,粗车外圆各部,留精加工余量3mm,与工序3加工部分相接C62045度车刀麻花钻头游标卡尺50半精车夹左端,顶右端,精车右端各部,其中、处分别留磨削余量0.8mmC62045度车刀游标卡尺60半精车倒头,一夹一顶精车另一端各部,其中、分别留磨削余量0.8mmC62045度车刀游标卡尺第4页共9页第3页共9页编号:时间:2021年x月x日书山有路勤为径,学海无涯苦作舟页码:第4页共9页70磨削用两顶尖装夹工件,磨削两处,至图样要求尺寸M1432砂轮千分尺80磨削倒头,用两顶尖装夹工件,磨削至图样要求尺寸M1432砂轮千分尺90划线划两处键槽线专用量具10铣削铣键槽两处X52K铣刀110检验按图扬要求检查各部尺寸精度115入库涂油入库三、工序设计该步骤主要确定加工余量,切削用量,工序尺寸,时间定额1、确定加工余量及工序尺寸加工余量的确定有三种方法,计算法,查表法,经验法。由于所设计零件为单件小批量生产,故采用经验法确定加工余量。1)轴段的工艺路线为粗车——精车——磨削,由下料及加工工艺路线可知各工序的加工余量为:磨削0.8mm,半精车3mm,粗车余量为棒料直径磨削前:54.4+0.8=55.2半精车前:55.2+3=58.2粗车前:90按照加工余量确定各工序尺寸磨削:54.4半精车:54.4+0.8=55.2粗车:55.2+3=58.2毛坯:902)轴段的工艺路线为粗车——半精车——磨削,由下料及加工工艺路线可知各工序的加工余量为:磨削0.8mm,半精车3mm,粗车余量为棒料直径磨削前:60+0.8=60.8半精车前:60.8+3=63.8粗车前:90第5页共9页第4页共9页编号:时间:2021年x月x日书山有路勤为径,学海无涯苦作舟页码:第5页共9页按照加工余量确定各工序尺寸磨削:60...

1、当您付费下载文档后,您只拥有了使用权限,并不意味着购买了版权,文档只能用于自身使用,不得用于其他商业用途(如 [转卖]进行直接盈利或[编辑后售卖]进行间接盈利)。
2、本站所有内容均由合作方或网友上传,本站不对文档的完整性、权威性及其观点立场正确性做任何保证或承诺!文档内容仅供研究参考,付费前请自行鉴别。
3、如文档内容存在违规,或者侵犯商业秘密、侵犯著作权等,请点击“违规举报”。

碎片内容

制造工艺学课程设计

您可能关注的文档

确认删除?
VIP
微信客服
  • 扫码咨询
会员Q群
  • 会员专属群点击这里加入QQ群
客服邮箱
回到顶部