电脑桌面
添加小米粒文库到电脑桌面
安装后可以在桌面快捷访问

游泳池水加热设备的选型设计VIP免费

游泳池水加热设备的选型设计_第1页
1/8
游泳池水加热设备的选型设计_第2页
2/8
游泳池水加热设备的选型设计_第3页
3/8
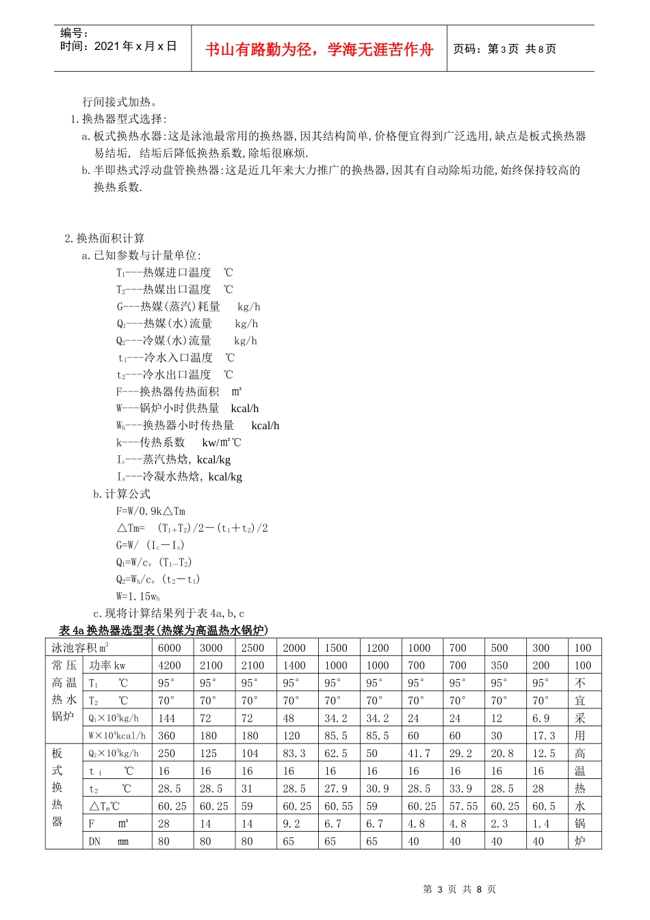
第1页共8页编号:时间:2021年x月x日书山有路勤为径,学海无涯苦作舟页码:第1页共8页游泳池水加热设备的选型设计一、池水日常热损耗量的计算:游泳池水总热损耗量Qa包括以下三项:1、池面水蒸发损失的热量Qs2、池壁、池底、管道和水处理设备传导散热量Qt3、补充新水加热量QfQa=Qs+Qt+Qf这三项热损耗的计算公式如下:Qs=r(0.0174vw+0.0229)(Pb-Pq)AsBaQt=0.2QsQf=m·Cv(Ta-Tf)/th其中r—与池水等温的饱和水蒸汽的蒸发汽化潜热,当28℃时r=582.5kcal/kgVw—池面上的风速,对室内泳池可取Vw=0.5m/sPb—与池水等温的饱和空气的水蒸气分压,当28℃时Pb=28.3mmHgrq—泳池环境空气的水蒸气分压,当27℃时rq=13.3mmHgAs—泳池池面面积(㎡)Ba—标准大气压与当地大气压之比,计算中可取Ba=1.2,相当于统一考虑了海拔高度1500米以下的情况。m—泳池在一天内补充新水的数量(㎏)Cv—水的比热,可取Cv=1kcal/kg·℃Ta—池水设计温度(26℃~28℃)Tf—补充新水水温,一般可取16℃th—加热设备一天内的运行时间(h)按以上公式和各参数单位计算出来Qs,Qt,Qf的单位是kcal/h,现将计算结果列于表1表1、泳池热损耗量Qa计算结果泳池容积m36000300025002000150012001000700500300100泳池面积㎡2个50×3050×3050×2550×2040×2025×2540×1525×1625×1220×1012×6平均深度m22221.8821.671.951.671.51.4Qs104kcal/h99.449.741.433.126.520.719.913.39.96.62.4Qt104kcal/h19.99.98.36.65.34.24.02.72.01.30.5Qf104kcal/h301512.5107.56.05.03.52.51.50.5Qa104kcal/h149.374.662.249.739.330.928.919.514.49.43.4kw173686772357845735933622716710940二、池水初次加热所需之热功率Qb:所谓“初次加热”是指泳池建成或大修灌水后的加热,也包括泳池因各种原因停运一般时间后的加热。Qb可按下式计算:Qb=MCv(Ta-Tf)/th(kcal/h)其中M—泳池总水量(kg)第2页共8页第1页共8页编号:时间:2021年x月x日书山有路勤为径,学海无涯苦作舟页码:第2页共8页式中(Ta-Tf)/th表示的是池水加热升温速度△T/h,CECS14:2002规定,升温时间24小时(快速)可取0.5℃/h,升温时间48小时(慢速)的可取0.25℃/h,相应的Qb分别记为Qb.50,Qb.25,现将计算结果列于表2。表2、池水初次加热所需之热功率泳池容积m36000300025002000150012001000700500300100Qb.50104kcal/h3001501251007560503525155kw348817441453116387269858140729117458Qb.50104kcal/h1507562.55037.5302517.512.57.52.5kw17448727275814363492912031458729三、池水加热锅炉功率的确定和锅炉的选型:1、由以上计算结果可知,2Qb.25=Qb.50>Qa因此,对于要求升温速度快的游泳池,锅炉的功率应根据1.15×Qb.50的数值来确定;对升温速度没有严格要求而只着重保持池水温度的游泳池,锅炉功率可按1.15×Qa的数值来确定。2、锅炉选型首先要考虑泳池当地的热源条件。燃煤锅炉经济性好,但对环境污染大,只有环保允许的大型游泳馆才可选用燃煤锅炉。电加热炉机动性最好,经济性最差,只有小游泳池才能选用。燃油燃气锅炉是大多数游泳池的必然选择。太阳能加热泳池是未来的发展方向。热泵技术最近日趋成熟与发展,它从环境中吸取热量,可以提供3倍以上所消耗电能的热量,尤其是我国南方地区用热泵给游泳池水加热,是明智而实惠的选择。表3列举了大小不同的泳池加热锅炉的型号选择表3泳池水加热锅炉型号选择泳池容积m36000300025002000150012001000700500300100燃煤锅炉(104kcal/h)1752台902台752台602台452台油气(MW)锅炉快速CW2.12台CW1.052台CW1.052台CL0.72台CL0.52台CL0.52台CL0.71台CL0.71台CL0.351台CL0.21台慢速CW2.11台CW1.051台CW1.051台CL0.71台CL0.51台CL0.51台CL0.351台CL0.351台CL0.21台CL0.11台CL0.0351台热(kw)泵型号HAM300HAM300HAM100热功率101×210140电功率30×23011台数2台1台1台说明:1、CW2.1表示北京特高公司生产的常压卧式燃油(气)锅炉,功率2.1MW2、CL0.7表示北京特高公司生产的常压立式燃油(气)锅炉,功率0.7MW3、HAM300,HAM100表示南京华电热泉供热技术有限公司生产的热泵热水机组型号。四、换热器的选型:容积较小的游泳池,尤其...

1、当您付费下载文档后,您只拥有了使用权限,并不意味着购买了版权,文档只能用于自身使用,不得用于其他商业用途(如 [转卖]进行直接盈利或[编辑后售卖]进行间接盈利)。
2、本站所有内容均由合作方或网友上传,本站不对文档的完整性、权威性及其观点立场正确性做任何保证或承诺!文档内容仅供研究参考,付费前请自行鉴别。
3、如文档内容存在违规,或者侵犯商业秘密、侵犯著作权等,请点击“违规举报”。

碎片内容

游泳池水加热设备的选型设计

您可能关注的文档

确认删除?
VIP
微信客服
  • 扫码咨询
会员Q群
  • 会员专属群点击这里加入QQ群
客服邮箱
回到顶部