电脑桌面
添加小米粒文库到电脑桌面
安装后可以在桌面快捷访问

《物流设施与设备》培训讲义VIP免费

《物流设施与设备》培训讲义_第1页
1/8
《物流设施与设备》培训讲义_第2页
2/8
《物流设施与设备》培训讲义_第3页
3/8
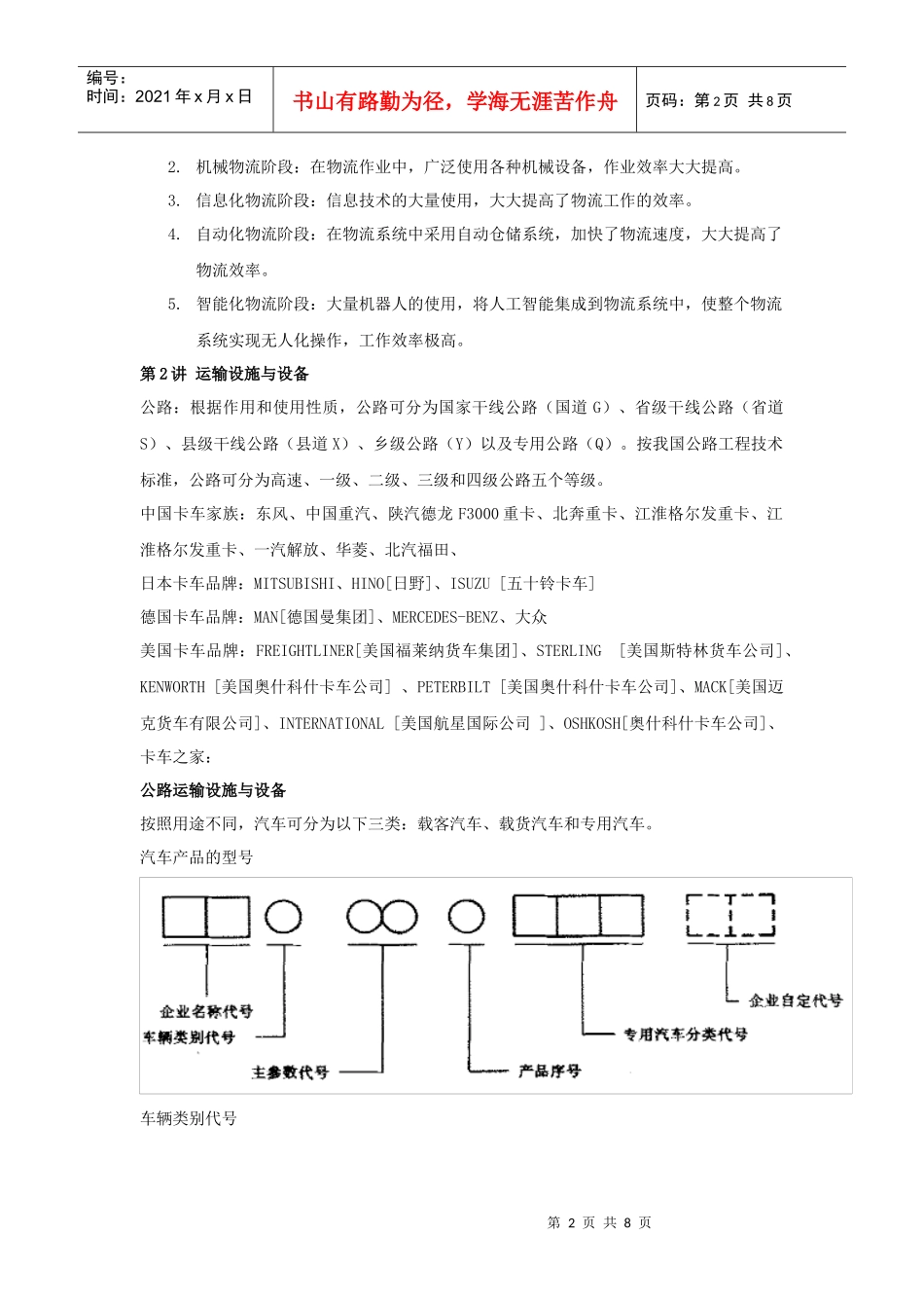
第1页共8页编号:时间:2021年x月x日书山有路勤为径,学海无涯苦作舟页码:第1页共8页《物流设施与设备》讲义第1讲物流设施与设备概述课程内容:1.物流设施与设备概述;2.运输设施与设备;3.仓储中心设施与设备;4.装卸搬运设备5.包装与流通加工设备;6.物流信息化设备专业网站:中国物流技术协会()中国仓储与物流网()中国物流与采购网()中国交通运输协会()中国仓储自动化网()物流设施与设备是指进行各项物流活动和物流作业所需要的设施与设备的总称。它贯穿于整个物流系统全过程、深入到每个作业环节,是实现物流各项作业功能的物质基础,也是物流服务水平的重要体现。物流设施与设备不仅包括各种机械设备、器具等,也包括运输通道、货运站和仓库等基础设施。1.物流发展阶段:物流作业主要依靠人工推、拉、扛、举及简单的工具来完成。这种作业方式简单,但效率低下。第2页共8页第1页共8页编号:时间:2021年x月x日书山有路勤为径,学海无涯苦作舟页码:第2页共8页2.机械物流阶段:在物流作业中,广泛使用各种机械设备,作业效率大大提高。3.信息化物流阶段:信息技术的大量使用,大大提高了物流工作的效率。4.自动化物流阶段:在物流系统中采用自动仓储系统,加快了物流速度,大大提高了物流效率。5.智能化物流阶段:大量机器人的使用,将人工智能集成到物流系统中,使整个物流系统实现无人化操作,工作效率极高。第2讲运输设施与设备公路:根据作用和使用性质,公路可分为国家干线公路(国道G)、省级干线公路(省道S)、县级干线公路(县道X)、乡级公路(Y)以及专用公路(Q)。按我国公路工程技术标准,公路可分为高速、一级、二级、三级和四级公路五个等级。中国卡车家族:东风、中国重汽、陕汽德龙F3000重卡、北奔重卡、江淮格尔发重卡、江淮格尔发重卡、一汽解放、华菱、北汽福田、日本卡车品牌:MITSUBISHI、HINO[日野]、ISUZU[五十铃卡车]德国卡车品牌:MAN[德国曼集团]、MERCEDES-BENZ、大众美国卡车品牌:FREIGHTLINER[美国福莱纳货车集团]、STERLING[美国斯特林货车公司]、KENWORTH[美国奥什科什卡车公司]、PETERBILT[美国奥什科什卡车公司]、MACK[美国迈克货车有限公司]、INTERNATIONAL[美国航星国际公司]、OSHKOSH[奥什科什卡车公司]、卡车之家:公路运输设施与设备按照用途不同,汽车可分为以下三类:载客汽车、载货汽车和专用汽车。汽车产品的型号车辆类别代号第3页共8页第2页共8页编号:时间:2021年x月x日书山有路勤为径,学海无涯苦作舟页码:第3页共8页主参数代号1、2、3、4、9用车辆满载总质量(t)表示。6以车辆长度(m)表示。7以发动机排量(l)表示,以排量值的10倍表示。产品序号0代表第1代;1代表第2代;N代表第N+1代专用汽车分类代号例:第一汽车制造厂(CA)生产的第二代载货汽车,总质量为9000kg,其型号为:CA1091专用汽车汽车列车主要分为全挂汽车列车、半挂汽车列车、双挂汽车列车和特种汽车列车等。汽车列车由牵引车和挂车组合而成。1)全挂汽车列车由一辆牵引车牵引一辆或一辆以上的全挂车组合而成的汽车列车。2)半挂汽车列车由一辆半挂牵引车和一辆半挂车组合而成的汽车列车。3)双挂汽车列车由一辆半挂牵引车与一辆半挂车和一辆全挂车组合的汽车列车。4)特种汽车列车具有特殊结构或装有专用设备的汽车列车,称为特种汽车列车。现在半挂汽车列车应用最为普遍,半挂汽车列车由半挂牵引车和半挂车两部分组成。第4页共8页第3页共8页编号:时间:2021年x月x日书山有路勤为径,学海无涯苦作舟页码:第4页共8页按照结构的不同,半挂车分为平板式半挂车和阶梯式半挂车。平板式半挂车:载货平台是一平直面。适于运输钢材、木材及大型设备等。阶梯式半挂车:适合运输对重心高度有要求的大型设备、钢材等。按照用途的不同,半挂车可分为以下几种:厢式半挂车:具有防尘、防雨、防盗、清洁卫生等特点。主要用于零担快运、电子产品、家用电器、服装布匹、医药食品、生鲜冷饮、贵重商品的运输。集装箱专用半挂车:此半挂车货台为骨架结构,专门用于运送集装箱。罐式半挂车:运输各类粉粒物料、液体等。栏板式半挂车...

1、当您付费下载文档后,您只拥有了使用权限,并不意味着购买了版权,文档只能用于自身使用,不得用于其他商业用途(如 [转卖]进行直接盈利或[编辑后售卖]进行间接盈利)。
2、本站所有内容均由合作方或网友上传,本站不对文档的完整性、权威性及其观点立场正确性做任何保证或承诺!文档内容仅供研究参考,付费前请自行鉴别。
3、如文档内容存在违规,或者侵犯商业秘密、侵犯著作权等,请点击“违规举报”。

碎片内容

《物流设施与设备》培训讲义

您可能关注的文档

确认删除?
VIP
微信客服
  • 扫码咨询
会员Q群
  • 会员专属群点击这里加入QQ群
客服邮箱
回到顶部