电脑桌面
添加小米粒文库到电脑桌面
安装后可以在桌面快捷访问

化学锚栓埋件的计算 形式三 VIP免费

化学锚栓埋件的计算 形式三 _第1页
1/2
化学锚栓埋件的计算 形式三 _第2页
2/2
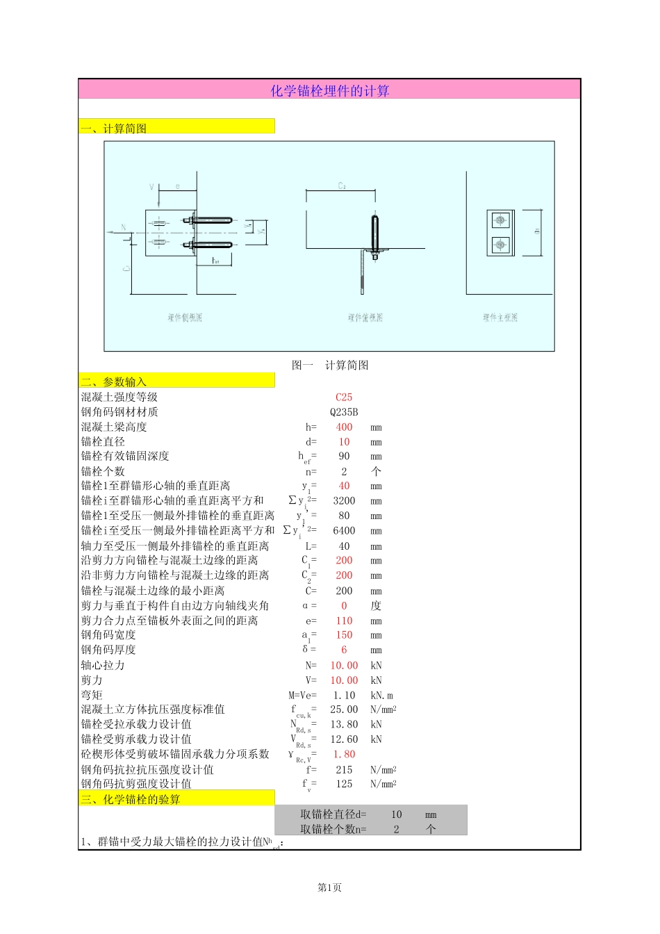
一、计算简图二、参数输入混凝土强度等级C25钢角码钢材材质Q235B混凝土梁高度h=400mm锚栓直径d=10mm锚栓有效锚固深度hef=90mm锚栓个数n=2个锚栓1至群锚形心轴的垂直距离y1=40mm锚栓i至群锚形心轴的垂直距离平方和∑yi2=3200mm锚栓1至受压一侧最外排锚栓的垂直距离y1'=80mm锚栓i至受压一侧最外排锚栓距离平方和∑yi'2=6400mm轴力至受压一侧最外排锚栓的垂直距离L=40mm沿剪力方向锚栓与混凝土边缘的距离C1=200mm沿非剪力方向锚栓与混凝土边缘的距离C2=200mm锚栓与混凝土边缘的最小距离C=200mm剪力与垂直于构件自由边方向轴线夹角α=0度剪力合力点至锚板外表面之间的距离e=110mm钢角码宽度a1=150mm钢角码厚度δ=6mm轴心拉力N=10.00kN剪力V=10.00kN弯矩M=Ve=1.10kN.m混凝土立方体抗压强度标准值fcu,k=25.00N/mm2锚栓受拉承载力设计值NRd,s=13.80kN锚栓受剪承载力设计值VRd,s=12.60kN砼楔形体受剪破坏锚固承载力分项系数γRc,V=1.80钢角码抗拉抗压强度设计值f=215N/mm2钢角码抗剪强度设计值fv=125N/mm2三、化学锚栓的验算10mm2个图一计算简图取锚栓直径d=1、群锚中受力最大锚栓的拉力设计值Nhsd:取锚栓个数n=化学锚栓埋件的计算第1页18.75kN18.75kN-8.75kN<0取Nhsd=18.75kN>10hef=900mm>C取n=1个10.00kN<3、拉剪作用下锚栓的承载力:2.48>1四、砼楔形体破坏受剪承载力的验算1、剪切荷载下锚栓的有效长度lf:8d=80mm<hef取lf=80mm30.50kN0.90<1取ψs,v=0.900.91<1取ψh,v=1.00ψα,v=1.000.73<10.73ψucr,v=1.20180000mm2150000mm220.09kN11.16kN>V五、钢角码厚度的验算6mm28.84N/mm2<f8.33N/mm2<fvVRd,sNhsd=(NL+M)y1'/Σyi'2=τ=1.5V/2a1δ=钢角码剪应力满足要求。钢角码正应力满足要求。锚栓强度不满足要求。5、剪力与垂直于构件自由边方向轴线之夹角α对受剪承载力的影响系数ψα,v:取ψec,v=(Nhsd/NRd,s)2+(Vhsd/VRd,s)2=6、荷载偏心对群锚受剪承载力的降低影响系数ψec,v:锚栓强度满足要求。锚栓强度不满足要求。σ=(N/a1δ+6M/1.05a12δ)/2=NRd,s11、群锚垂直构件边缘受剪,混凝土楔形体破坏时的受剪承载能力设计值VRd,c:VRd,c=VRk,c/γRc,V=ψec,v=1/(1+2e/3C1)=Nhsd=N/n+My1/Σyi2=2、群锚中受力最大锚栓的剪力设计值Vhsd:10、群锚垂直构件边缘受剪,混凝土楔形体破坏时的受剪承载能力标准值VRk,c:4、边距与构件厚度比C1/h对受剪承载力的提高影响系数ψh,v:Vhsd=V/n=2、开裂混凝土,单根锚栓垂直构件边缘受剪,混凝土理想楔形体破坏时的受剪承载力标准值V0Rk,c:V0Rk,c=0.45d0.5(lf/d)0.2(fcu,k)0.5C11.5=3、边距比C2/C1对受剪承载力的降低影响系数ψs,v:VRk,c=V0Rk,c(Ac,v/A0c,v)ψs,vψh,vψα,vψec,vψucr,v=因为N/n-My1/Σyi2=取钢角码厚度δ=7、未裂混凝土及锚固区配筋对受剪承载力的提高影响系数ψucr,v:Ac,v=1.5C1(1.5C1+C2)=ψs,v=0.7+0.3C2/(1.5C1)=砼楔形体破坏受剪承载力满足要求。A0c,v=4.5C12=8、单锚受剪,混凝土破坏楔形体在侧向的投影面面积A0c,v:9、群锚受剪,混凝土破坏楔形体在侧向的投影面面积Ac,v:ψh,v=(1.5C1/h)1/3=第2页

1、当您付费下载文档后,您只拥有了使用权限,并不意味着购买了版权,文档只能用于自身使用,不得用于其他商业用途(如 [转卖]进行直接盈利或[编辑后售卖]进行间接盈利)。
2、本站所有内容均由合作方或网友上传,本站不对文档的完整性、权威性及其观点立场正确性做任何保证或承诺!文档内容仅供研究参考,付费前请自行鉴别。
3、如文档内容存在违规,或者侵犯商业秘密、侵犯著作权等,请点击“违规举报”。

碎片内容

化学锚栓埋件的计算 形式三

您可能关注的文档

文达天下+ 关注
实名认证
内容提供者

各类试题、文摘、指南、行业规范

相关文档

确认删除?
VIP
微信客服
  • 扫码咨询
会员Q群
  • 会员专属群点击这里加入QQ群
客服邮箱
回到顶部