电脑桌面
添加小米粒文库到电脑桌面
安装后可以在桌面快捷访问

高强螺栓施拧力计算 VIP免费

高强螺栓施拧力计算 _第1页
1/3
高强螺栓施拧力计算 _第2页
2/3
高强螺栓施拧力计算 _第3页
3/3
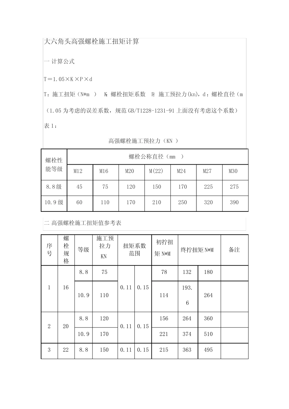
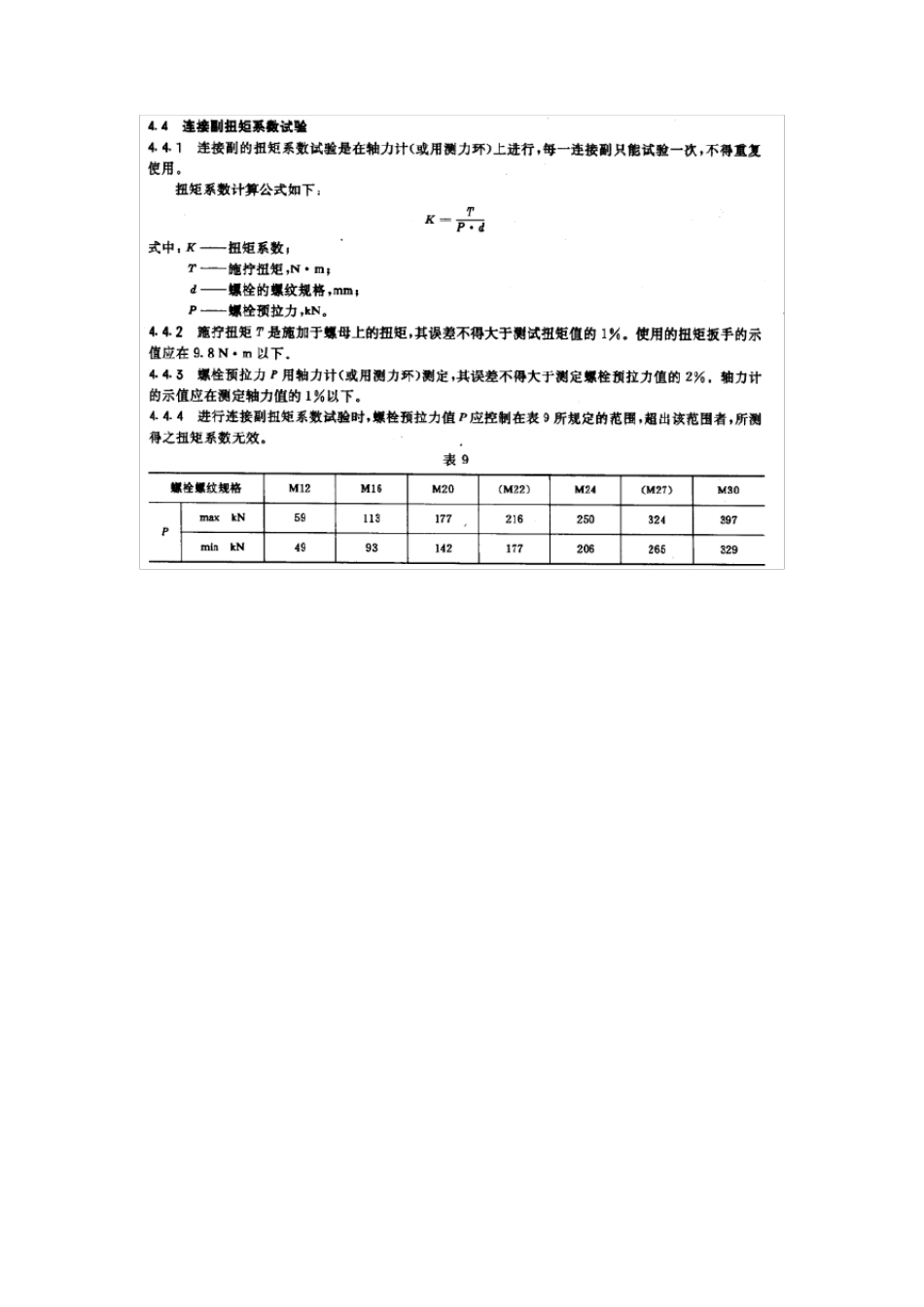
大六角头高强螺栓施工扭矩计算一计算公式T=1.05×K×P×dT:施工扭矩(N*m)K:螺栓扭矩系数P:施工预拉力(kn),d:螺栓直径(m(1.05为考虑的误差系数,规范GB/T1228-1231-91上面没有考虑这个系数)表1:高强螺栓施工预拉力(KN)螺栓性能等级螺栓公称直径(mm)M12M16M20M(22)M24M27M308.8级457512015017022527510.9级60110170210250320390二高强螺栓施工扭矩值参考表序号螺栓规格等级施工预拉力KN扭矩系数范围初拧扭矩N*M终拧扭矩N*M备注1168.8750.110.157813218010.9110114193.62642208.81200.110.1515626436010.91702213745103228.81500.110.1521536349510.9210300508.26934248.81700.110.15265448.861210.92503906609005278.82250.110.15395668.3911.310.9320562950.412966308.82750.110.15536907.51237.510.939076112871755规范GB/T1228-1231-91

1、当您付费下载文档后,您只拥有了使用权限,并不意味着购买了版权,文档只能用于自身使用,不得用于其他商业用途(如 [转卖]进行直接盈利或[编辑后售卖]进行间接盈利)。
2、本站所有内容均由合作方或网友上传,本站不对文档的完整性、权威性及其观点立场正确性做任何保证或承诺!文档内容仅供研究参考,付费前请自行鉴别。
3、如文档内容存在违规,或者侵犯商业秘密、侵犯著作权等,请点击“违规举报”。

碎片内容

高强螺栓施拧力计算

您可能关注的文档

文达天下+ 关注
实名认证
内容提供者

各类试题、文摘、指南、行业规范

相关文档

确认删除?
VIP
微信客服
  • 扫码咨询
会员Q群
  • 会员专属群点击这里加入QQ群
客服邮箱
回到顶部