电脑桌面
添加小米粒文库到电脑桌面
安装后可以在桌面快捷访问

双齿辊式破碎机招标技术规格(示例)VIP免费

双齿辊式破碎机招标技术规格(示例)_第1页
1/8
双齿辊式破碎机招标技术规格(示例)_第2页
2/8
双齿辊式破碎机招标技术规格(示例)_第3页
3/8
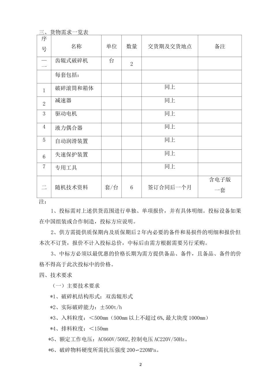
1双齿辊式破碎机招标技术规格(示例)一、总则1、本设备技术规格书适用于XXXXXXXXXXXX破碎机招标用,提出了对该产品的功能设计、结构、性能和试验等方面的技术要求。2、需方在本技术规格书中提出了最低限度的技术要求,并未规定所有的技术要求和适用的标准,且未对一切技术细则做出规定,也未充分引述有关标准和规范的条文,供方应提供一套满足本规格书和现行有关标准要求的高质量产品及其相应服务。3、如果供方没有以书面形式对本规格书的条款提出异议,则意味着供方提供的设备(或系统)完全满足本规格书的要求。如有异议,应在投标书中以“对规格书的意见和与规格书的差异”为标题的专门章节加以详细描述。4、供方须执行现行国际标准和行业标准。两者有矛盾时,按现行技术要求较高的标准执行。5、供方应具有破碎物料抗压强度200〜220MPa以上齿辊式破碎机的设计、制造和使用业绩。6、所有零部件的选型配置除在本技术规格书中说明外,其余的应选用国际、国内知名品牌产品。如有异议请在投标书中予以单独说明。在本技术规格书中推荐采用两家或者两家以上产品时,以最高价计入投标总价。7、供方应具有整套设备内相关设备的有关资质(包括知识产权等),以避免纠纷,若由于方资质、产权(专利权)等方面产生的问题,供方应承担全部责任。二、工作环境1、安装地点:XXXXXXXXXo2、破碎对象:3、环境温度:0°C〜+40°C。4、海拔高度不超过1000m。5、适用于含爆炸性气体(甲烷)和煤尘的场所。6、工作制:连续型,除计划、轮流检修等原因外,其余时间设备均能投入正常运行。7、供电电压:AC660V,220V;额定频率:50Hz。2三、货物需求一览表序号名称单位数量交货期及交货地点备注—一齿辊式破碎机台2每套包括:1破碎滚筒和箱体同上2减速器同上3驱动电机同上4液力偶合器同上5自动润滑装置同上6失速保护装置同上7专用工具同上二随机技术资料套/台6签订合同后一个月含电子版一套注:1、投标需对上述供货范围进行单独、单项报价,并有具体明细。投标设备如果在中国组装或合作制造,投标方应说明。2、供方需提供质保期内及质保期后2年内必要的备件和易损件的明细和报价但本次不订货,报价不计入投标总价,中标后由需方根据需要另行采购。3、中标方必须以最优惠的价格长期为需方提供备品、备件,且备品、备件的价格不得高于此次投标中的价格。四、技术要求(一)主要技术要求*1、破碎机结构形式:双齿辊形式*2、实际破碎能力:±500t/h*3、入料粒度:<500mm(500mm以上不超过6%,最大块度1000mm)*4、排料粒度:<150mm*5、额定工作电压:AC660V/50HZ,控制电压AC220V/50Hz。*6、破碎物料硬度所需抗压强度200〜220MPa。37、破碎机的驱动形式应适合破碎硬岩的工况要求,优先选用双驱动形式。驱动装置由电机、液力偶合器、减速器等组成。液力偶合器参照XXX公司水介质产品。减速器采用原装进口重型减速器,由足够的富裕系数和安全系数。*8、要求使用YB3系列防爆电机驱动,装机功率不小于300kW,额定电压AC660V/50Hz冷却方式为风冷,绝缘等级不低于级,防护等级不低于IP55。要求标定功率为连续功率,能满足破碎机生产能力及满载情况下能正常启动,并能适应破碎机破碎硬岩的工况要求。要求电动机为国产优质名牌产品,参照XXX或XXX电机厂产品。应在定子线包和轴承处预埋PT100型温度传感器,实现对电机的温度监测和保护。*9、齿牙布置采用螺旋布置方式或更为合理的布置方式,破碎轴采用合金钢整体锻造,齿材料采用适合破碎机破碎硬岩的特殊材质。*10、破碎机轴承必须为原装SKF或FAG轴承,并采用自动供油润滑系统,能承受日常运行中强大的振动和冲击。*11、密封性:不得出现漏油、渗油现象。12、破碎机齿辊轴齿帽为锻造套式重型可拆卸高强度锻钢齿帽,或为截齿安装方式,更换方便,互换性好。*13、设备能实现正转和反转。*14、设备底座地脚安装,底座上设有导轨,可方便地将破碎机移出检修。投标方在中标后应通过现场勘查,设计安装基础图提供用户。15、设备设有方便的检查口,起吊装置要装设齐全。*16、电气设备应符合中国GB3836—1—4—2000标准。电气设备应具有中国国家电气安全标准所规定的各种保护。*1...

1、当您付费下载文档后,您只拥有了使用权限,并不意味着购买了版权,文档只能用于自身使用,不得用于其他商业用途(如 [转卖]进行直接盈利或[编辑后售卖]进行间接盈利)。
2、本站所有内容均由合作方或网友上传,本站不对文档的完整性、权威性及其观点立场正确性做任何保证或承诺!文档内容仅供研究参考,付费前请自行鉴别。
3、如文档内容存在违规,或者侵犯商业秘密、侵犯著作权等,请点击“违规举报”。

碎片内容

双齿辊式破碎机招标技术规格(示例)

您可能关注的文档

wxg+ 关注
实名认证
内容提供者

该用户很懒,什么也没介绍

确认删除?
VIP
微信客服
  • 扫码咨询
会员Q群
  • 会员专属群点击这里加入QQ群
客服邮箱
回到顶部