电脑桌面
添加小米粒文库到电脑桌面
安装后可以在桌面快捷访问

新编高考化学一轮精选题库【第5章】物质结构、元素周期律(含答案)VIP免费

新编高考化学一轮精选题库【第5章】物质结构、元素周期律(含答案)_第1页
1/8
新编高考化学一轮精选题库【第5章】物质结构、元素周期律(含答案)_第2页
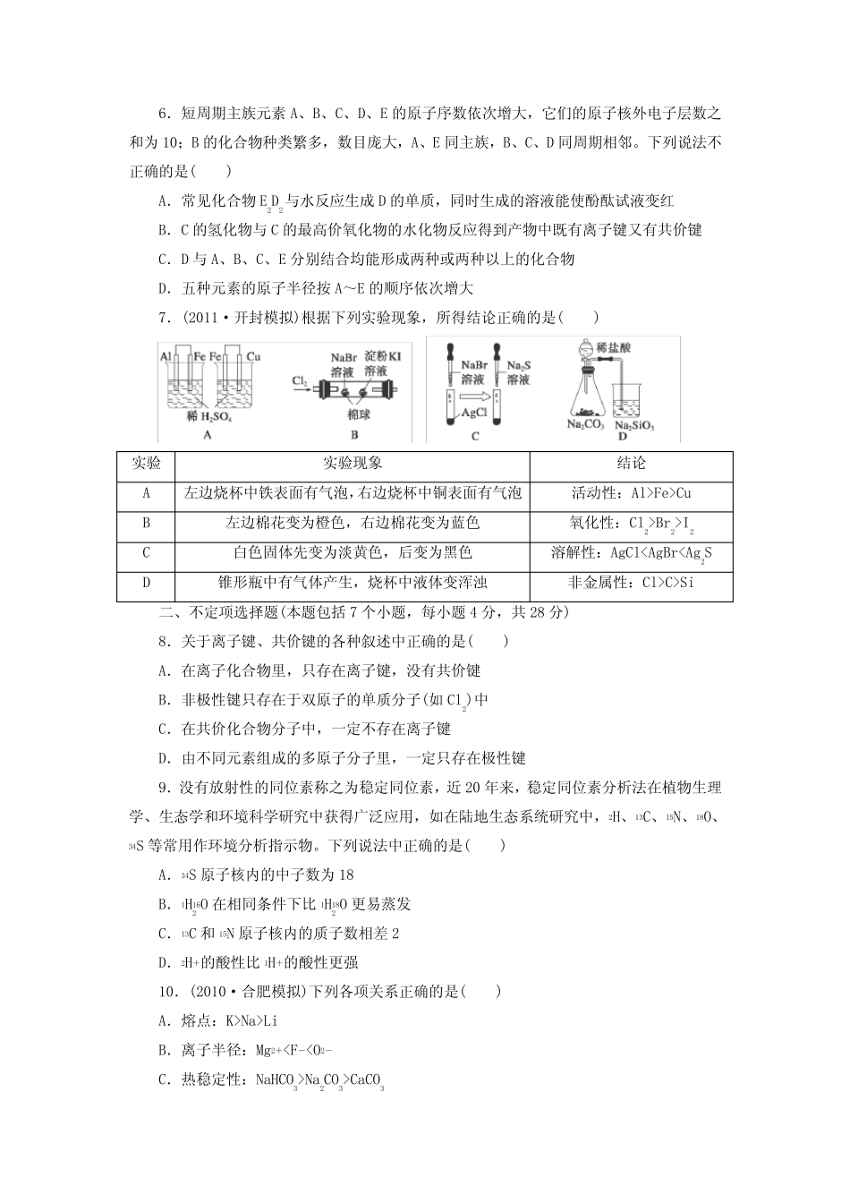
2/8
新编高考化学一轮精选题库【第5章】物质结构、元素周期律(含答案)_第3页
3/8
新编高考化学备考资料第五章章末检测(时间:100分钟,满分:100分)第Ⅰ卷(选择题,共42分)一、单项选择题(本题包括7个小题,每小题2分,共14分)1.下列有关叙述正确的是()A.H、D、T具有相同的质子数,是氢元素的三种同位素B.OH-与H3O+组成元素相同,所含质子数相同C.结构示意图为和两种粒子为同一种元素D.元素原子最外层电子数的多少是判断金属性和非金属性强弱的依据2.(2011·杭州调研)元素周期律和元素周期表是学习化学的重要工具,下列说法不正确的是()A.同周期的主族元素中,ⅦA族元素的原子半径最小B.元素周期表中从ⅢB到ⅡB十个纵列的元素都是金属元素C.室温条件下,0族元素的单质都是气体D.ⅥA元素的原子,其半径越大,越容易得到电子3.某电荷数小于18的元素X,其原子核外电子层数为a,最外层电子数为(2a+1)。下列有关元素X的说法中,不正确的是()A.元素X的原子核内质子数为(2a2-1)B.元素X形成的单质既能作氧化剂又能作还原剂C.元素X形成的简单离子,各电子层的电子数均达到2n2个(n表示电子层数)D.由元素X形成的某些化合物,可能具有杀菌消毒的作用4.下列叙述正确的是()A.NaHSO4、Na2O2晶体中的阴、阳离子个数比均为1∶2B.离子化合物中一定不含共价键C.某主族元素的最高价含氧酸为HnROm,则其气态氢化物一般是H2m-nRD.元素周期表中L层电子为奇数的元素所在族序数与该元素原子的L层电子数相等5.下列有关物质结构中的说法正确的是()A.78gNa2O2晶体中所含阴、阳离子个数均为2NAB.1.5gCH+3中含有的电子数为NAC.3.4g氨气中含有0.6NA个N—H键D.PCl3和BCl3分子中所有原子的最外层都达到8电子稳定结构6.短周期主族元素A、B、C、D、E的原子序数依次增大,它们的原子核外电子层数之和为10;B的化合物种类繁多,数目庞大,A、E同主族,B、C、D同周期相邻。下列说法不正确的是()A.常见化合物E2D2与水反应生成D的单质,同时生成的溶液能使酚酞试液变红B.C的氢化物与C的最高价氧化物的水化物反应得到产物中既有离子键又有共价键C.D与A、B、C、E分别结合均能形成两种或两种以上的化合物D.五种元素的原子半径按A~E的顺序依次增大7.(2011·开封模拟)根据下列实验现象,所得结论正确的是()实验实验现象结论A左边烧杯中铁表面有气泡,右边烧杯中铜表面有气泡活动性:Al>Fe>CuB左边棉花变为橙色,右边棉花变为蓝色氧化性:Cl2>Br2>I2C白色固体先变为淡黄色,后变为黑色溶解性:AgClC>Si二、不定项选择题(本题包括7个小题,每小题4分,共28分)8.关于离子键、共价键的各种叙述中正确的是()A.在离子化合物里,只存在离子键,没有共价键B.非极性键只存在于双原子的单质分子(如Cl2)中C.在共价化合物分子中,一定不存在离子键D.由不同元素组成的多原子分子里,一定只存在极性键9.没有放射性的同位素称之为稳定同位素,近20年来,稳定同位素分析法在植物生理学、生态学和环境科学研究中获得广泛应用,如在陆地生态系统研究中,2H、13C、15N、18O、34S等常用作环境分析指示物。下列说法中正确的是()A.34S原子核内的中子数为18B.1H162O在相同条件下比1H182O更易蒸发C.13C和15N原子核内的质子数相差2D.2H+的酸性比1H+的酸性更强10.(2010·合肥模拟)下列各项关系正确的是()A.熔点:K>Na>LiB.离子半径:Mg2+Na2CO3>CaCO3D.酸性:HClO4>HBrO4>HIO411.X、Y、Z是3种短周期元素,其中X、Y位于同一族,Y、Z处于同一周期。X原子的最外层电子数是其电子层数的3倍。Z原子的核外电子数比Y原子少1。下列说法正确的是()A.元素非金属性由弱到强的顺序为ZY>Z12.2009年6月18日《钱江晚报》报道:美国劳伦斯—利弗莫尔国家实验室16日宣布,美国与俄罗斯科学家成功地合成了3个118号超重元素原子并观察到其存在。这种超重元素只能持续存在极短的时间,约有0.9毫秒之后即迅速衰变为原子量较小的其他元素。下列有关说法正确的是()A....

1、当您付费下载文档后,您只拥有了使用权限,并不意味着购买了版权,文档只能用于自身使用,不得用于其他商业用途(如 [转卖]进行直接盈利或[编辑后售卖]进行间接盈利)。
2、本站所有内容均由合作方或网友上传,本站不对文档的完整性、权威性及其观点立场正确性做任何保证或承诺!文档内容仅供研究参考,付费前请自行鉴别。
3、如文档内容存在违规,或者侵犯商业秘密、侵犯著作权等,请点击“违规举报”。

碎片内容

新编高考化学一轮精选题库【第5章】物质结构、元素周期律(含答案)

您可能关注的文档

文达天下+ 关注
实名认证
内容提供者

各类试题、文摘、指南、行业规范

确认删除?
VIP
微信客服
  • 扫码咨询
会员Q群
  • 会员专属群点击这里加入QQ群
客服邮箱
回到顶部