电脑桌面
添加小米粒文库到电脑桌面
安装后可以在桌面快捷访问

生产成本费用管理制度VIP免费

生产成本费用管理制度_第1页
1/17
生产成本费用管理制度_第2页
2/17
生产成本费用管理制度_第3页
3/17
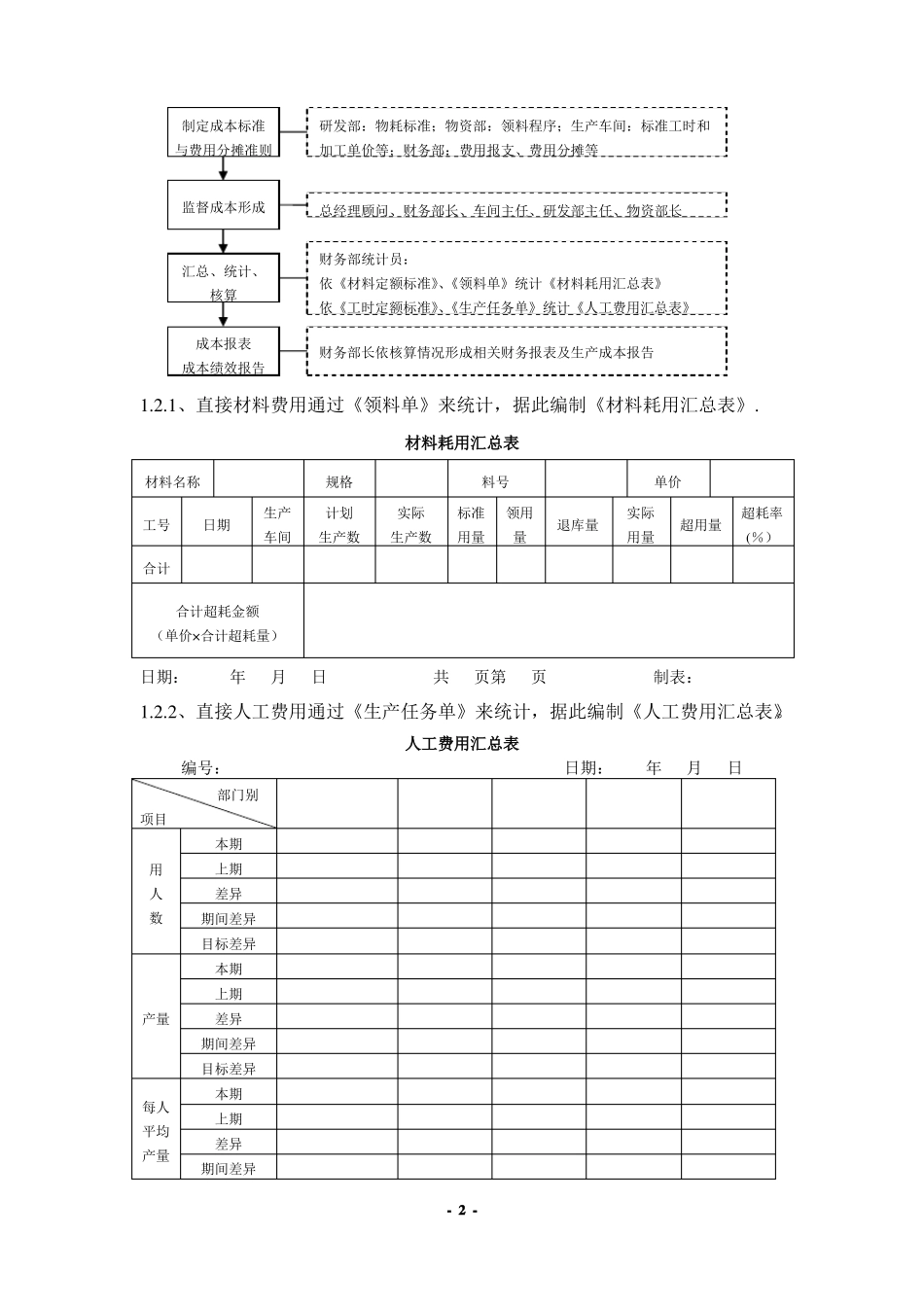
生产成本费用管理制度目录1、生产成本费用管理基本规则1.1、总则1.2、生产成本控制的一般性规定1。3、制定成本标准与费用分摊准则1.4、生产成本形成过程中的监控2、生产成本费用核算办法2.1、总则2.2、产品生产成本核算基础工作规定2。3、产品生产成本核算要求2.4、产品生产成本核算方法2。5、产品生产成本核算基本程序3、生产成本费用管理办法3.1、直接材料成本管理办法3.2、劳动定员定额管理办法3。3、保护用品管理办法1、生产成本费用管理基本规则1.1、总则1。1.1、生产成本主要由直接材料费用、直接人工费用和制造费用三部分费用构成,其中制造费用包括间接材料、间接人工和其他制造费用等。1。1。2、生产成本管理是指在产品的生产制造过程中,对成本形成的各种因素,按照事先拟定的标准严加监督,发现偏差就要及时采取措施加以纠正,从而使生产过程中的各项资源消耗和费用开支限制在标准规定的范围之内。1。1.3、生产成本控制权责规定生产车间、研发部、物资部负责对直接材料的消耗指标、领用流程、投料程序、标准工时和加工单价等做出明确规定.财务部负责对制造费用分摊做出规范,并核算生产成本及呈报生产成本相关数据报表。1。2、生产成本控制的基本规定(生产成本控制程序图)-1-制定成本标准与费用分摊准则研发部:物耗标准;物资部:领料程序;生产车间:标准工时和加工单价等;财务部:费用报支、费用分摊等监督成本形成总经理顾问、财务部长、车间主任、研发部主任、物资部长财务部统计员:依《材料定额标准》、《领料单》统计《材料耗用汇总表》依《工时定额标准》、《生产任务单》统计《人工费用汇总表》财务部长依核算情况形成相关财务报表及生产成本报告汇总、统计、核算成本报表成本绩效报告1.2.1、直接材料费用通过《领料单》来统计,据此编制《材料耗用汇总表》.材料耗用汇总表材料名称工号合计日期合计超耗金额(单价×合计超耗量)生产车间规格计划生产数实际生产数料号标准用量领用量退库量单价实际用量超用量超耗率(%)日期:年月日共页第页制表:1.2.2、直接人工费用通过《生产任务单》来统计,据此编制《人工费用汇总表》。人工费用汇总表编号:日期:年月日部门别项目本期用人数上期差异期间差异目标差异本期上期产量差异期间差异目标差异每人平均产量本期上期差异期间差异-2-目标差异说明1。2。3、制造费用采用预定分摊率,各项实际制造费用发生的金额与已分摊制造费用有差异时,则以多、少分摊处理,并视状况转入成本或损益。1。2。4、若采用分步成本制时,月底必须估算在制品的完工程序,以核算产品的产量,在此基础上统计、估算产品生产成本,并编制《产品生产成本比较表》。产品生产成本比较表产品单位产量(A)直接材料本月上月差异直接人工本月上月差异制造费用本月上月差异本月合计上月差异(B)总成本差异(C=A/B)主任:制表:日期:年月日1.3、制定成本标准与费用分摊准则1。3.1、产品生产成本的控制,可采用标准成本控制法,其主要特点是把成本的事前计划、事中控制和事后分析考核结合起来。1.3.2、标准成本是在一定条件下制定的直接材料费用、直接人工费用和制造费用的控制标准,是进行生产成本控制的准绳,它应包括成本计划中规定的各项指标。1。3.3、在确定生产成本控制标准时,必须先进行充分地调查、研究和科学的计算。1.3。4、应选择合适的方法确定生产成本控制标准。企业常用的方法主要包括计划指标分解法、预算法和定额法三种。计划指标分解法,即通过将大指标分解为小指标的方法来确定。分解时,可以按部门、单位分解,也可以按不同产品和各种产品的工艺阶段、零部件或工序进行分解.预算法,即用编制预算的方法来确定成本控制标准,如根据季度的生产销售计划来确定较短期的(如月份)的费用开支预算,并将其作为成本控制的标准。定额法,即确定定额和费用开支限额,并将这些定额和限额作为控制标准来进行控制,如材料消耗定额、工时定额等。-3-1.3.5、在确定生产成本标准时,需要正确处理成本指标与其他技术经济指标的关系(如和质量、生产效率等的关系),从完成企业的总体目标出发进行综合平衡,防止片面性。1.4、生产成本形...

1、当您付费下载文档后,您只拥有了使用权限,并不意味着购买了版权,文档只能用于自身使用,不得用于其他商业用途(如 [转卖]进行直接盈利或[编辑后售卖]进行间接盈利)。
2、本站所有内容均由合作方或网友上传,本站不对文档的完整性、权威性及其观点立场正确性做任何保证或承诺!文档内容仅供研究参考,付费前请自行鉴别。
3、如文档内容存在违规,或者侵犯商业秘密、侵犯著作权等,请点击“违规举报”。

碎片内容

生产成本费用管理制度

您可能关注的文档

确认删除?
VIP
微信客服
  • 扫码咨询
会员Q群
  • 会员专属群点击这里加入QQ群
客服邮箱
回到顶部